GM Service Manual Online
For 1990-2009 cars only

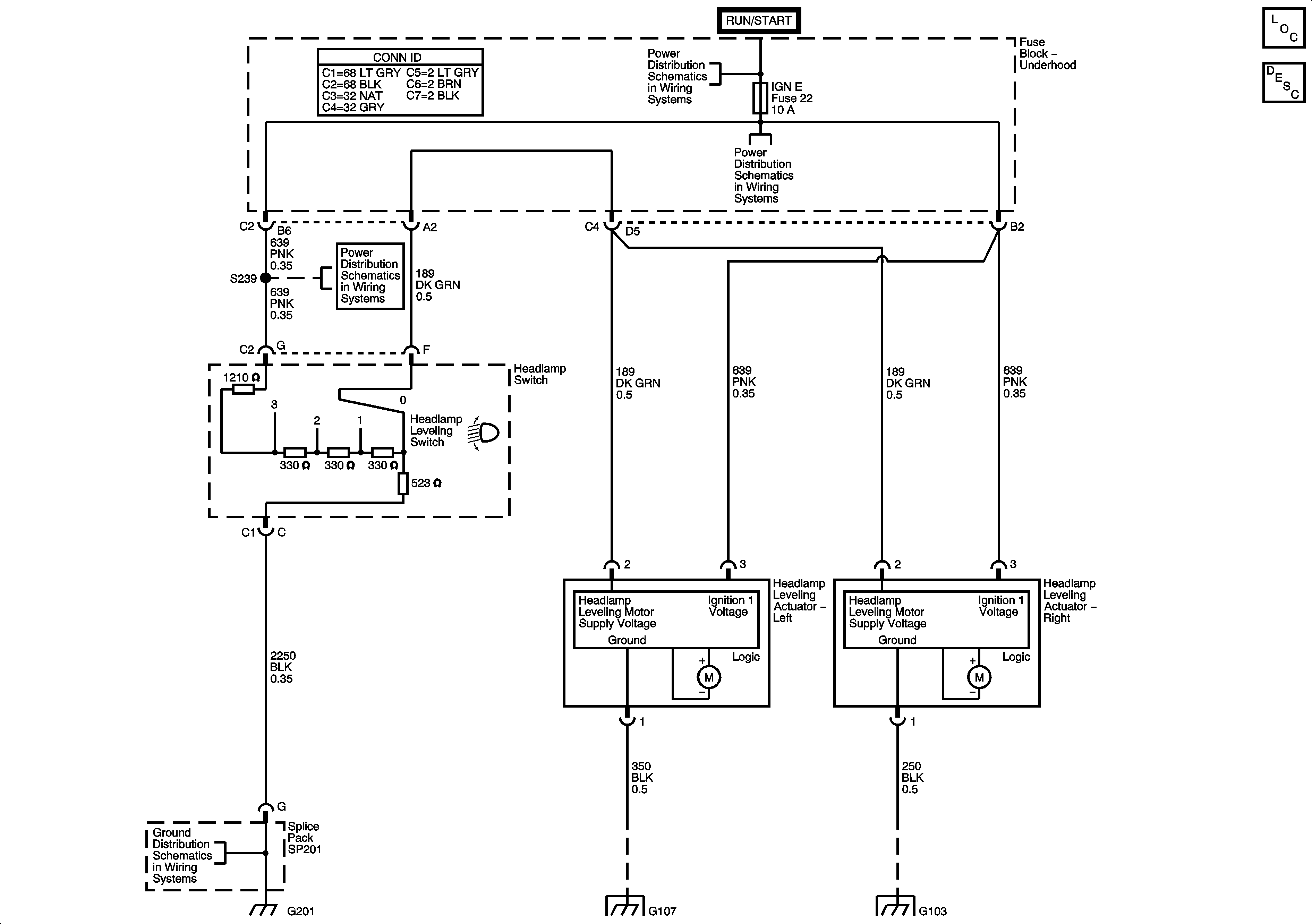
Object Number: 886236  Size: FS
Master Electrical Component List
Exterior Lighting Systems Description and Operation
G101, G103, G106 and G110
G102, G104, G105 and G107
G201 - 1 of 2
IGN E TBC IGN 1, BACK UP, BTSI, and TRLR B/U Fuses