GM Service Manual Online
For 1990-2009 cars only
Makes
🢒
Oldsmobile
🢒
2003
🢒
Bravada
🢒 Late Production
Late Production
Late Production
Master Electrical Component List
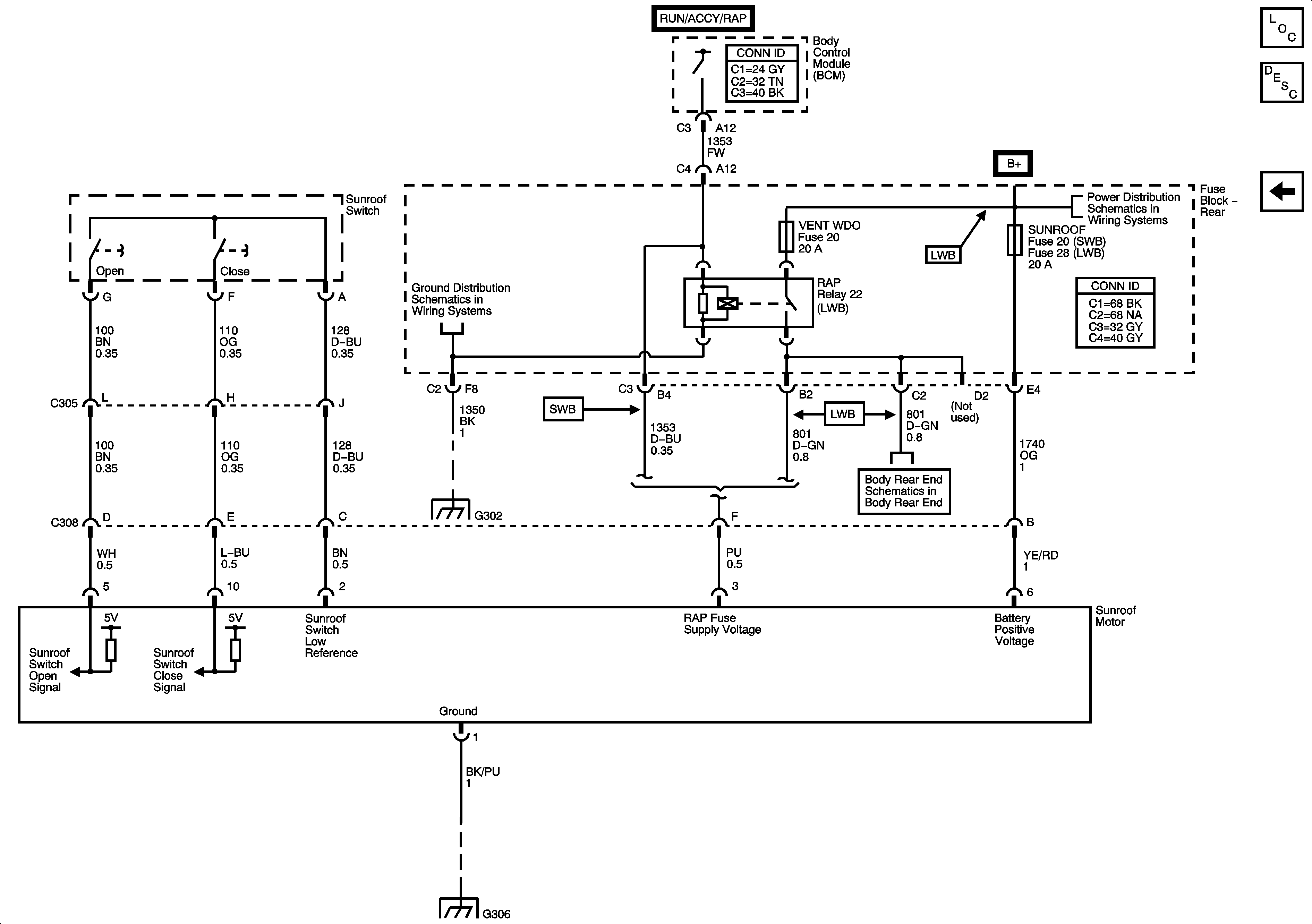
Sunroof Description and Operation Before VIN 209984
Early Production
B+ Bus - Rear Fuse Block
G302 2 of 2
G302 2 of 2
Quarter Glass Windows
G201 - 2 of 2, G305 and G306