GM Service Manual Online
For 1990-2009 cars only
Makes
🢒
Oldsmobile
🢒
2004
🢒
Bravada
🢒
Accessories
🢒
Entertainment
🢒 Sunroof Schematics
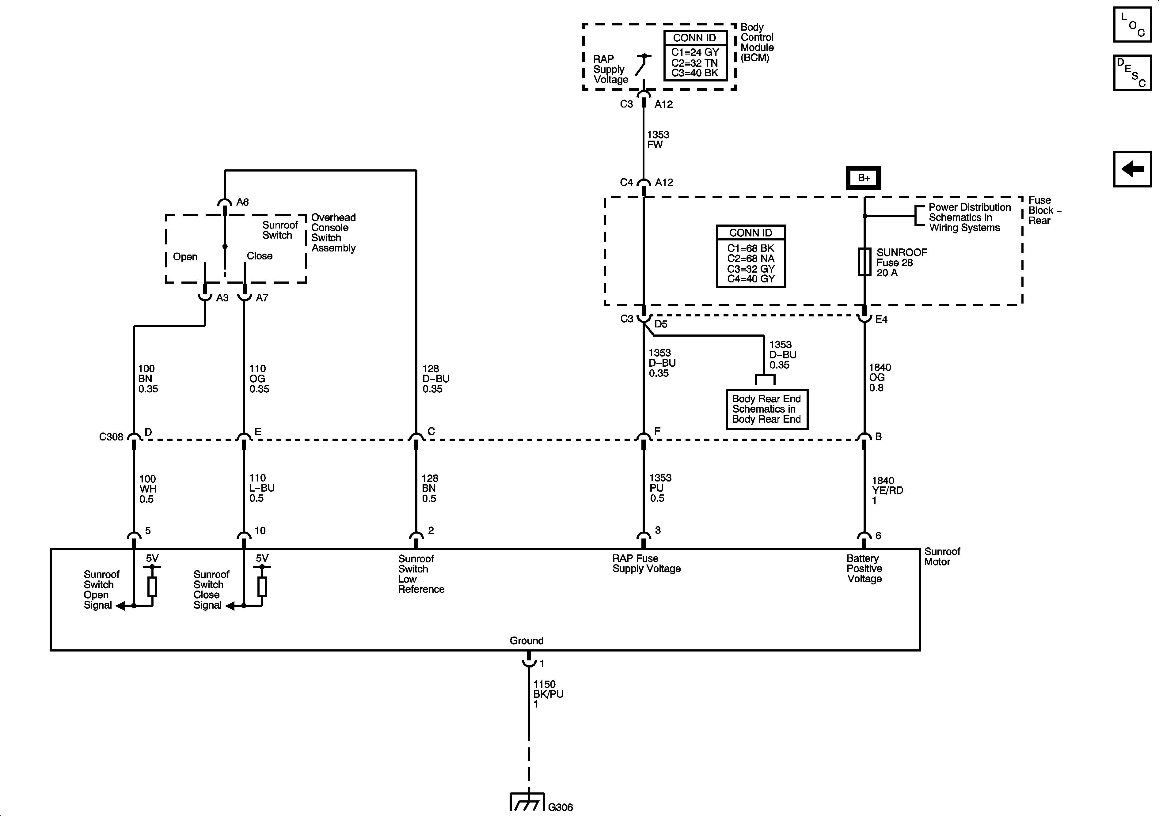
Figure
1:
Except XUV
Master Electrical Component List
Sunroof Description and Operation Before VIN 209984
XUV
B+ Bus - Rear Fuse Block
G302 - 1 of 2, G303, and G304
G302 - 2 of 2
Quarter Glass Windows - Long Wheelbase (LWB) Except XUV
G306
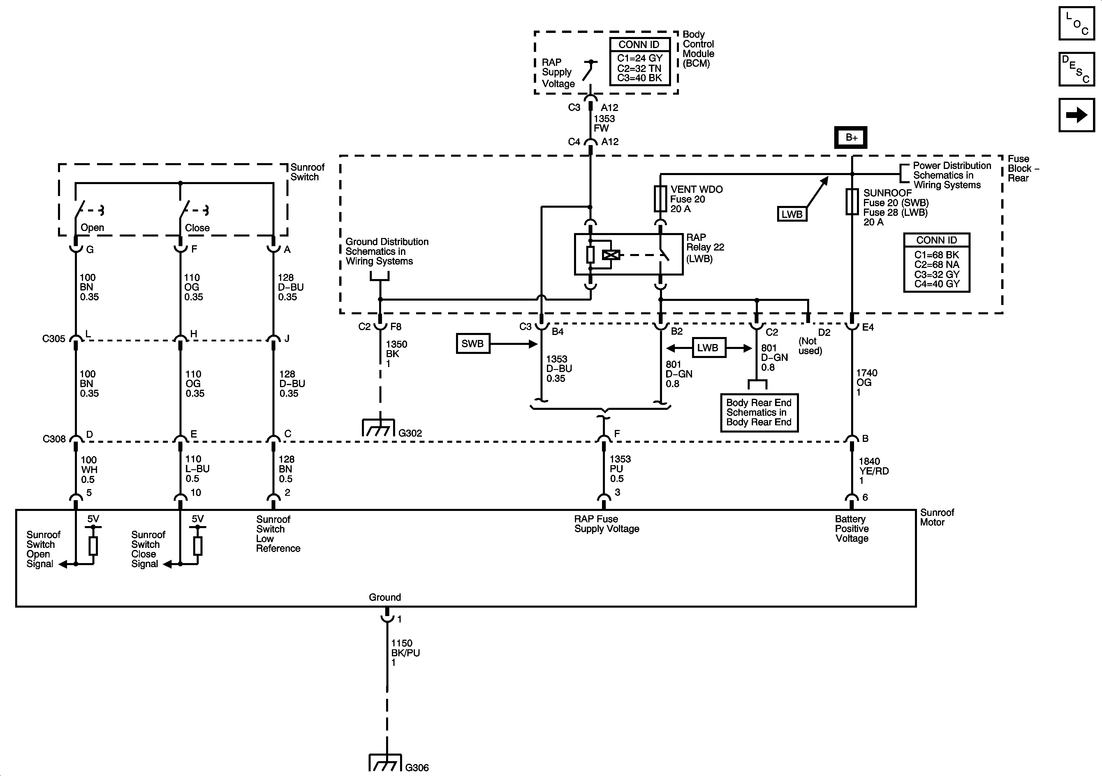
Figure
2:
XUV
Master Electrical Component List
Sunroof Description and Operation
Except XUV
B+ Bus - Rear Fuse Block
Midgate - XUV Only
G306