GM Service Manual Online
For 1990-2009 cars only
Figure 1:

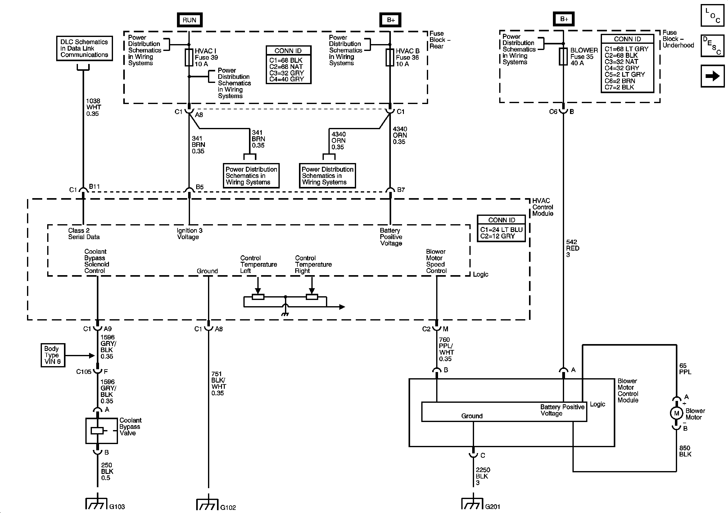
Power, Ground, Serial Data, Blower Motor, and Coolant Bypass Valve


Object Number: 876474  Size: FS
Master Electrical Component List
Air Delivery Description and Operation
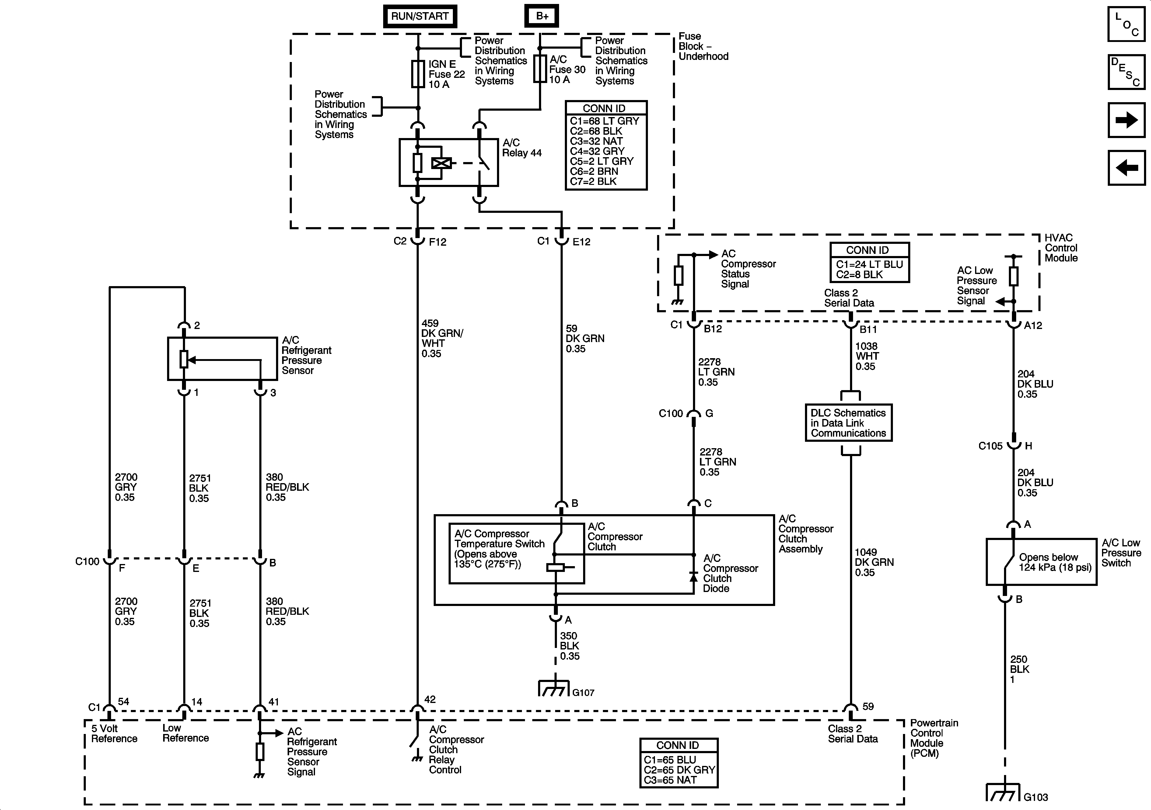
A/C Compressor Control and Pressure Sensors
DLC and SP205
ACCY/RUN/START, RUN, and START Bus Bars
HVAC I, BRAKE, and TBC RUN Fuses
B+ Bus - Rear Fuse Block
B+ Bus - Underhood Fuse Block
HVAC I, BRAKE, and TBC RUN Fuses
LGM/DSM, OH BATT/ONSTAR, RADIO, and HVAC B Fuses
G101, G103, G106, and G110
G102, G104, G105, and G109
G201 - 1 of 2
Figure 2:

A/C Compressor Controls and Pressure Sensors


Object Number: 663274  Size: FS
Master Electrical Component List
Air Delivery Description and Operation
Actuators
Power, Ground, Serial Data, Blower Motor, and Coolant Bypass Valve
IGN E, TBC IGN1, BACK UP, BTSI, and TRLR B/U Fuses
ACCY/RUN and RUN/START Bus Bars
B+ Bus - Underhood Fuse Block
DLC and SP205
G107 and G108
G101, G103, G106, and G110
Figure 3:

Actuators


Object Number: 876481  Size: FS
Master Electrical Component List
Air Delivery Description and Operation
Air Temperature Sensors
A/C Compressor Control and Pressure Sensors
ACCY/RUN/START, RUN, and START Bus Bars
HVAC I, BRAKE, and TBC RUN Fuses
Figure 4:

Air Temperature Sensors


Object Number: 876482  Size: FS
Master Electrical Component List
Air Temperature Description and Operation
Ambient Light/Solar Sensor
Actuators
G302 - 1 of 2, G303 and G304
Figure 5:

Ambient Light/Solar Sensor


Object Number: 876485  Size: FS
Master Electrical Component List
Air Temperature Description and Operation
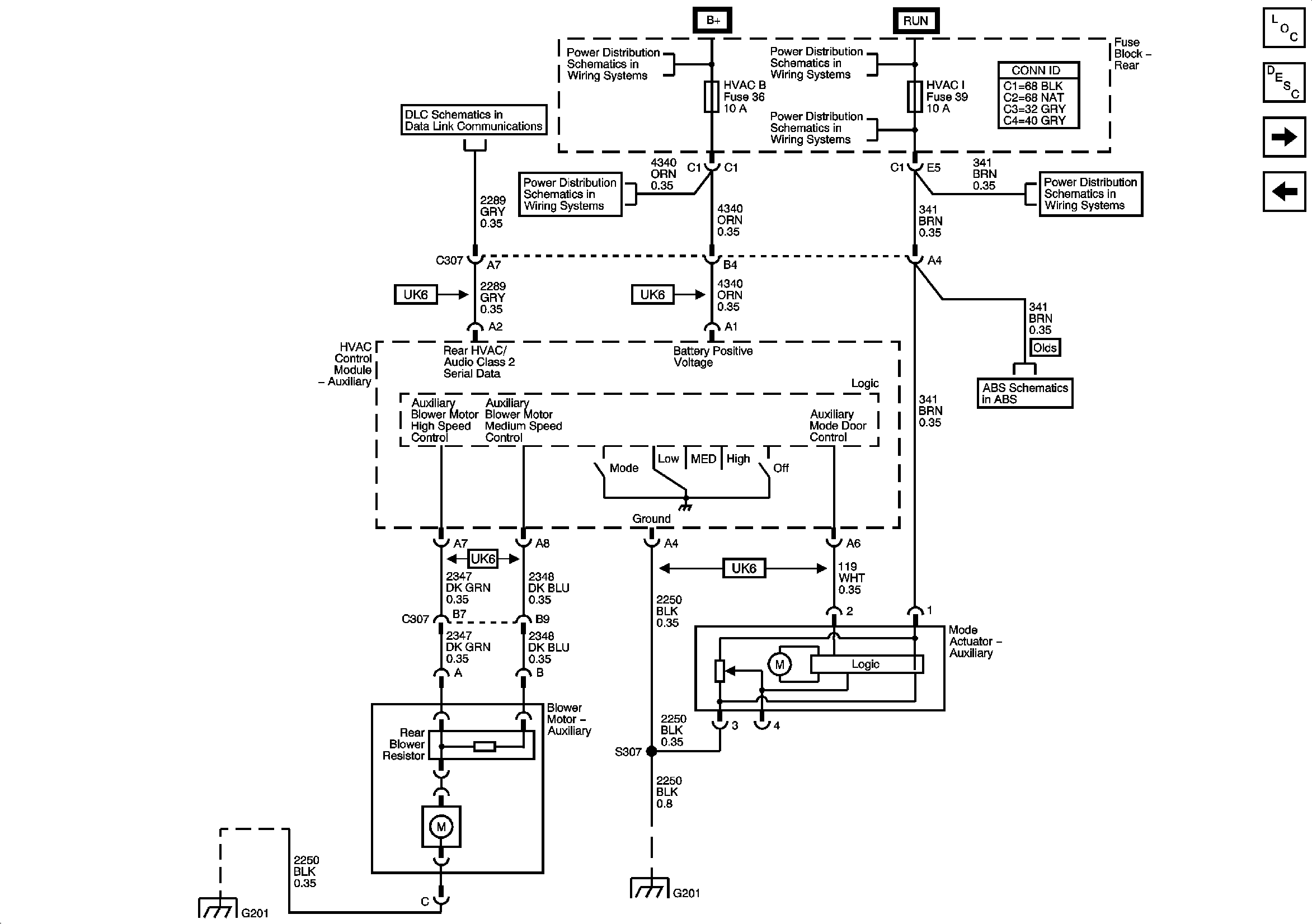
Rear Mode Control and Blower - Body Type VIN 3
Air Temperature Sensors
Figure 6:

Rear Mode Control and Blower - Body Type VIN 3


Object Number: 876492  Size: FS
Master Electrical Component List
Air Delivery Description and Operation
Auxiliary HVAC Controls - Body Type VIN 6
Ambient Light/Solar Sensor
B+ Bus - Rear Fuse Block
ACCY/RUN/START, RUN, and START Bus Bars
DLC and SP205
HVAC I, BRAKE, and TBC RUN Fuses
LGM/DSM, OH BATT/ONSTAR, RADIO, and HVAC B Fuses
HVAC I, BRAKE, and TBC RUN Fuses
Traction Control Switch - Oldsmobile
G201 - 1 of 2
G201 - 1 of 2
Figure 7:

Auxiliary HVAC Controls - Body Type VIN 6


Object Number: 876451  Size: FS
Master Electrical Component List
Air Delivery Description and Operation
Steering Wheel Controls
Rear Mode Control and Blower - Body Type VIN 3
I/P Dimming Supply - 1 of 2
B+ Bus - Rear Fuse Block
LGM/DSM, OH BATT/ONSTAR, RADIO, and HVAC B Fuses
DLC and SP205
G401, G402, and G403
G201 - 1 of 2
Figure 8:

Steering Wheel Controls


Object Number: 876470  Size: FS
Master Electrical Component List
Air Temperature Description and Operation
Auxiliary HVAC Controls - Body Type VIN 6
Steering Wheel Controls
SIR Caution for Zoning