GM Service Manual Online
For 1990-2009 cars only
Makes
🢒
Oldsmobile
🢒
2002
🢒
Bravada - 2WD
🢒
Body and Accessories
🢒
Body Rear End
🢒 Body Rear End Schematics
Figure
1:
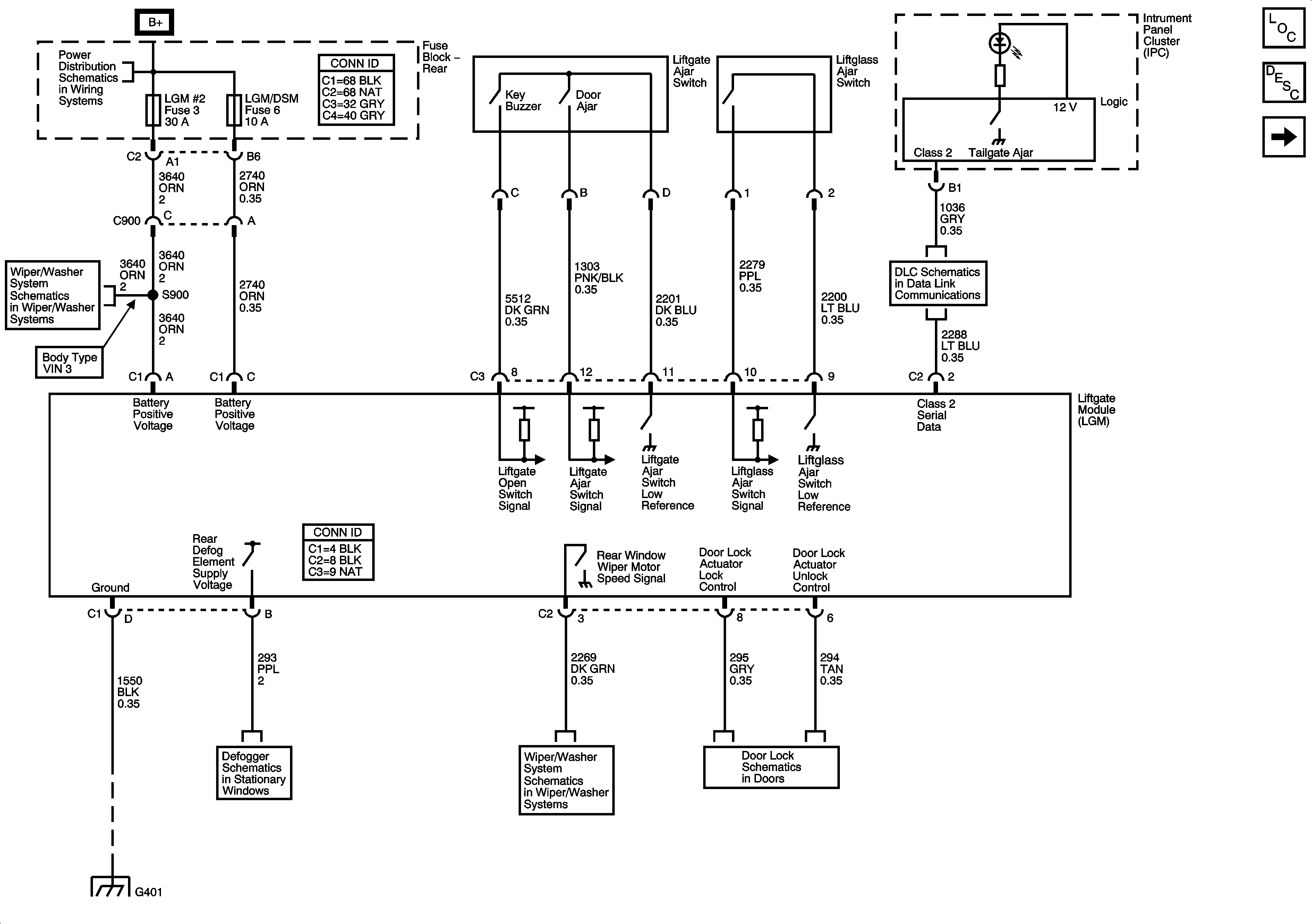
Liftgate
Master Electrical Component List
Rear Hatch/Gate Description and Operation Gate Ajar Ind
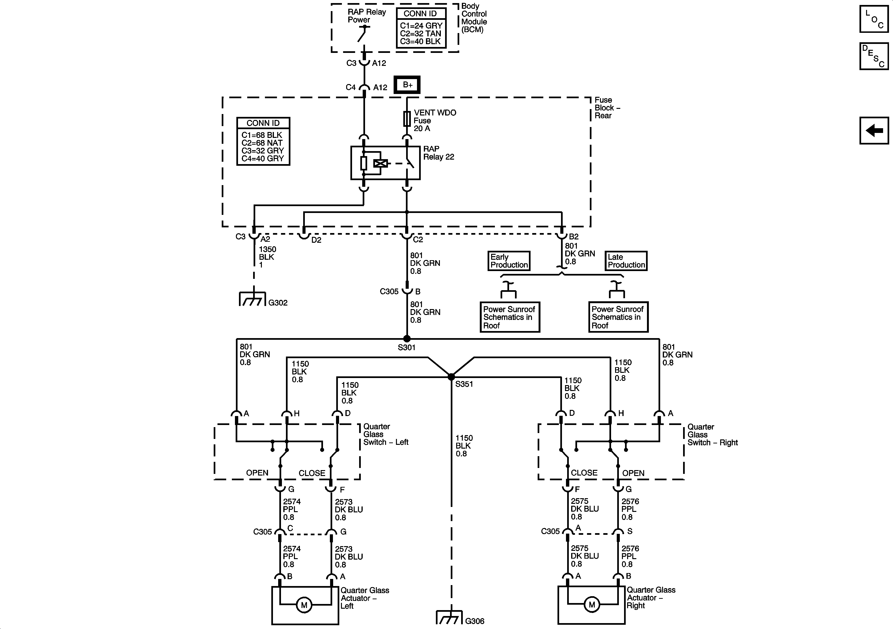
Quarter Glass Actuators - Body Type VIN 6
B+ Bus - Rear Fuse Block
Rear Wiper/Washer
Theft Deterrent System Schematics
DLC and SP205
G401, G402, and G403
Defogger Schematics
Rear Wiper/Washer
Front and Liftgate
Figure
2:
Quarter Glass Actuators - Body Type VIN 6
Master Electrical Component List
Rear Hatch/Gate Description and Operation Gate Ajar Ind
Liftgate
G302 - 1 of 2, G303 and G304
Body Type VIN 6
G201 - 2 of 2, G305 and G306