GM Service Manual Online
For 1990-2009 cars only
Makes
🢒
Oldsmobile
🢒
2002
🢒
Bravada - 2WD
🢒
Body and Accessories
🢒
Theft Deterrent - Immobilizer - Some Export Vehicles
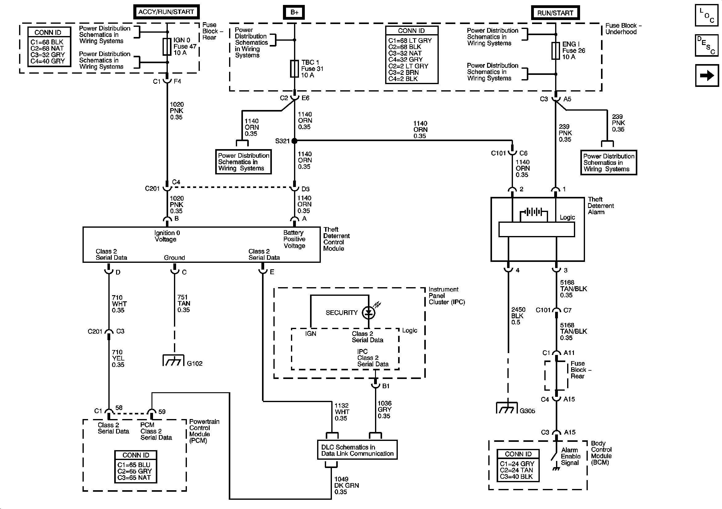
🢒 Theft Deterrent System Schematics
Master Electrical Component List
Theft Systems Description and Operation
ACCY/RUN/START, RUN, and START Bus Bars
B+ Bus - Underhood Fuse Block
COILS, RIDE, ECAS, IPC/DIC, FLASH, TBC 1, and PCM B Fuses
G102, G104, G105, and G109
DLC and SP205