GM Service Manual Online
For 1990-2009 cars only

Body Type VIN 3

Body Type VIN 3


Object Number: 669529  Size: FS
Master Electrical Component List
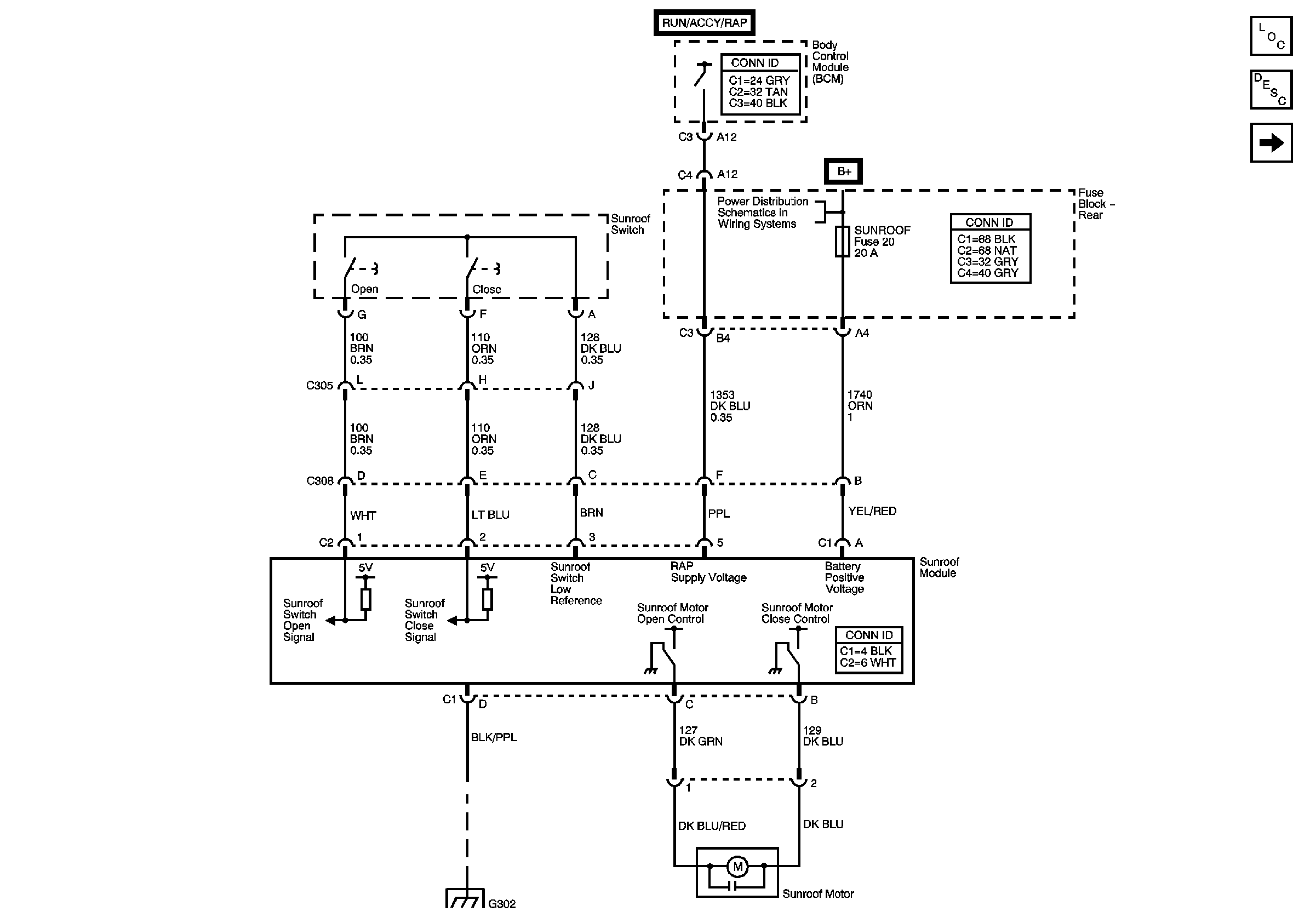
Sunroof Description and Operation
Body Type VIN 6
B+ Bus - Rear Fuse Block
G302 - 1 of 2, G303 and G304