GM Service Manual Online
For 1990-2009 cars only
Makes
🢒
Oldsmobile
🢒
2003
🢒
Bravada - 2WD
🢒
Body and Accessories
🢒
Wiring Systems
🢒 Cruise Control Schematics
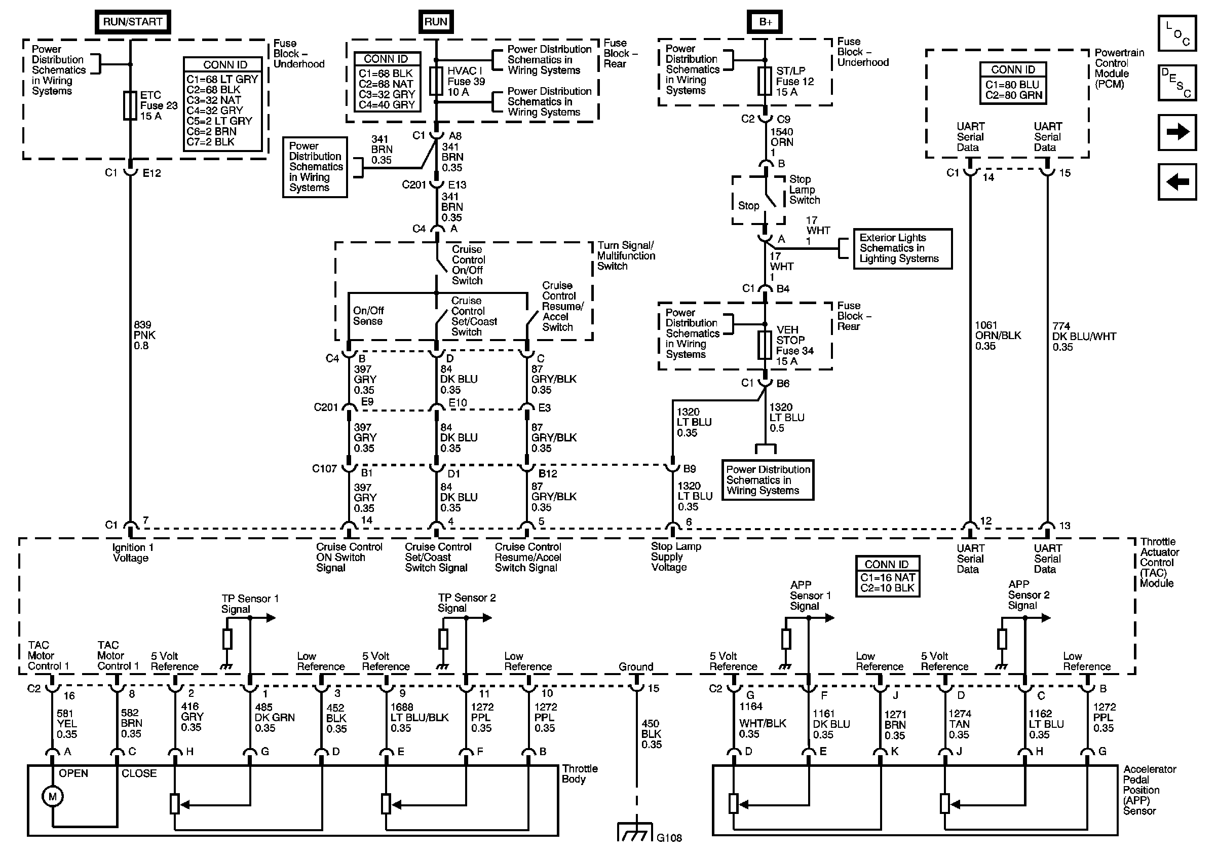
Figure
1:
TAC Motor, APP Sensor, On/Off Switch and Stop Lamp Switch - 4.2L Only
Figure
2:
TAC Module, TAC Motor, APP Sensor, On/Off Switch and Stop Lamp Switch - 5.3L Only
Figure
3:
ECBM and Vehicle Speed Signal