GM Service Manual Online
For 1990-2009 cars only
Makes
🢒
Oldsmobile
🢒
2003
🢒
Bravada - 2WD
🢒 Power, Ground and Class 2
Power, Ground and Class 2
Power, Ground and Class 2
Master Electrical Component List
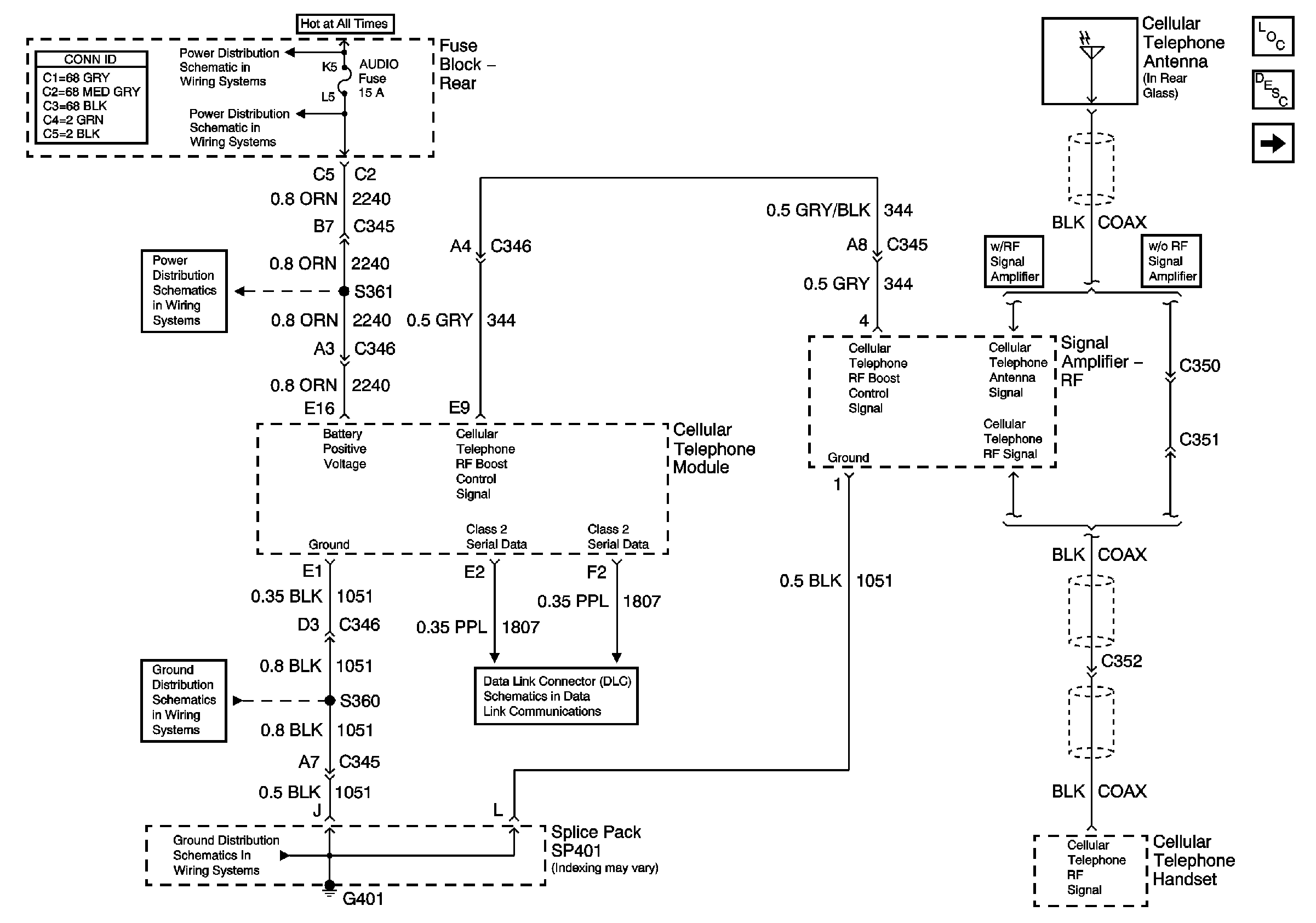
Cellular Telephone Description and Operation
Vehicle Communication Interface Module, Microphone and Audio Amplifier
Rear Fuse Block- DIMR, S-DAR, and AUDIO Fuses
G401
Class 2 Serial Data (2 of 3)
G401
Rear Fuse Block- DIMR, S-DAR, and AUDIO Fuses
Rear Fuse Block- DIMR, S-DAR, and AUDIO Fuses