GM Service Manual Online
For 1990-2009 cars only
Makes
🢒
Oldsmobile
🢒
2004
🢒
Bravada - 2WD
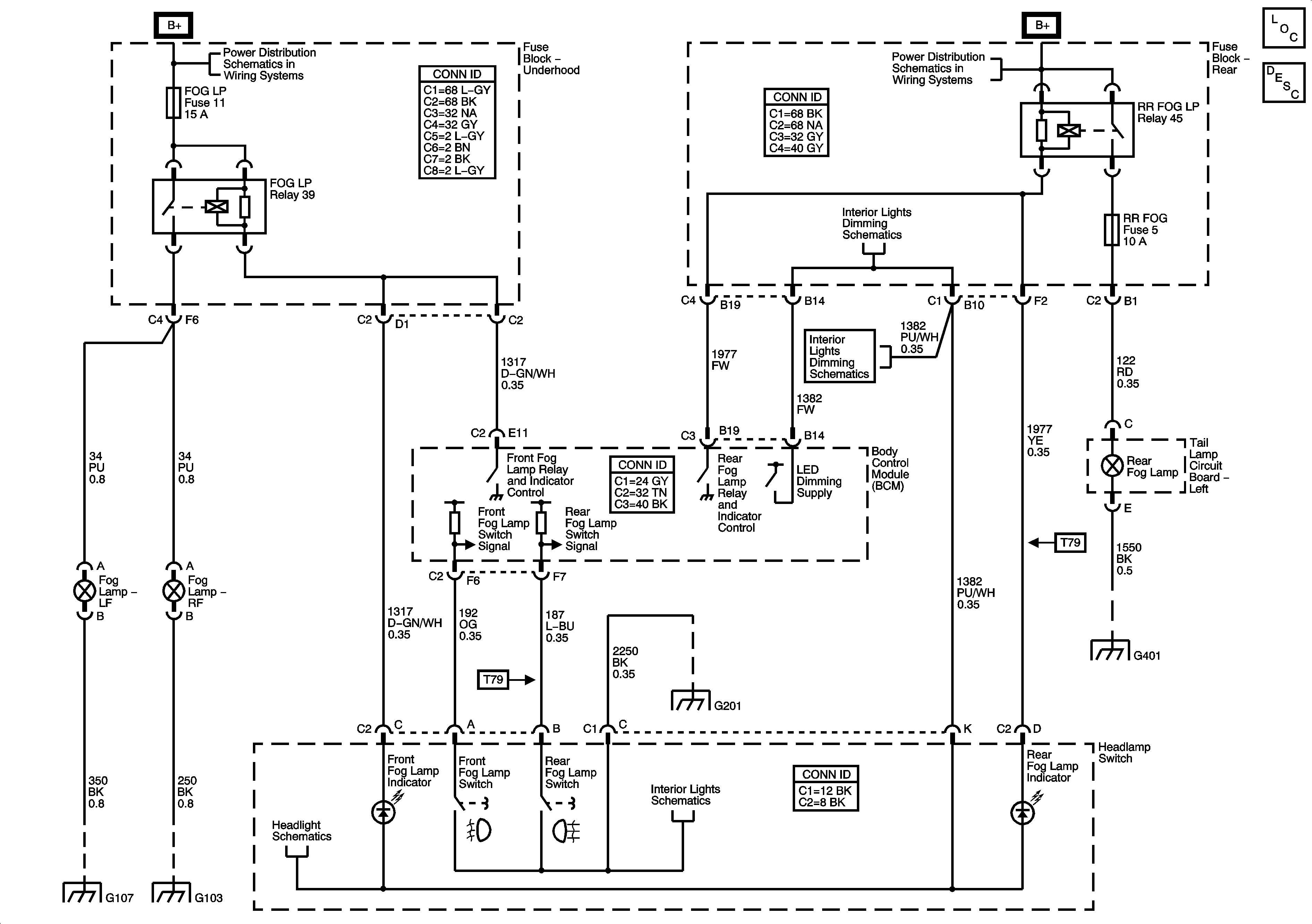
🢒 04 S/T Utility Fog Lights Schematics
04 S/T Utility Fog Lights Schematics
Master Electrical Component List
Exterior Lighting Systems Description and Operation
B+ Bus - Underhood Fuse Block
B+ Bus - Rear Fuse Block
Courtesy Lamp Supply - 1 of 2
Courtesy Lamp Supply - 2 of 2
G401, G402, and G403 - Except XUV
G201 - 1 of 2
Interior Lamps Controls
Headlamp Switch
G104, G105, and G107
G101, G103, G106, and G110