GM Service Manual Online
For 1990-2009 cars only

SERVICE MANUAL UPDATE SEC. 8A ELECT. DIAG. HORN FUSE CIRCUIT

Subject: SERVICE MANUAL UPDATE - HORN FUSE AND HORN CIRCUIT IDENTIFICATION

Model and Year: 1991 CUSTOM CRUISER

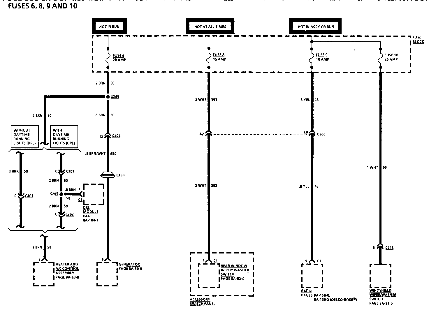
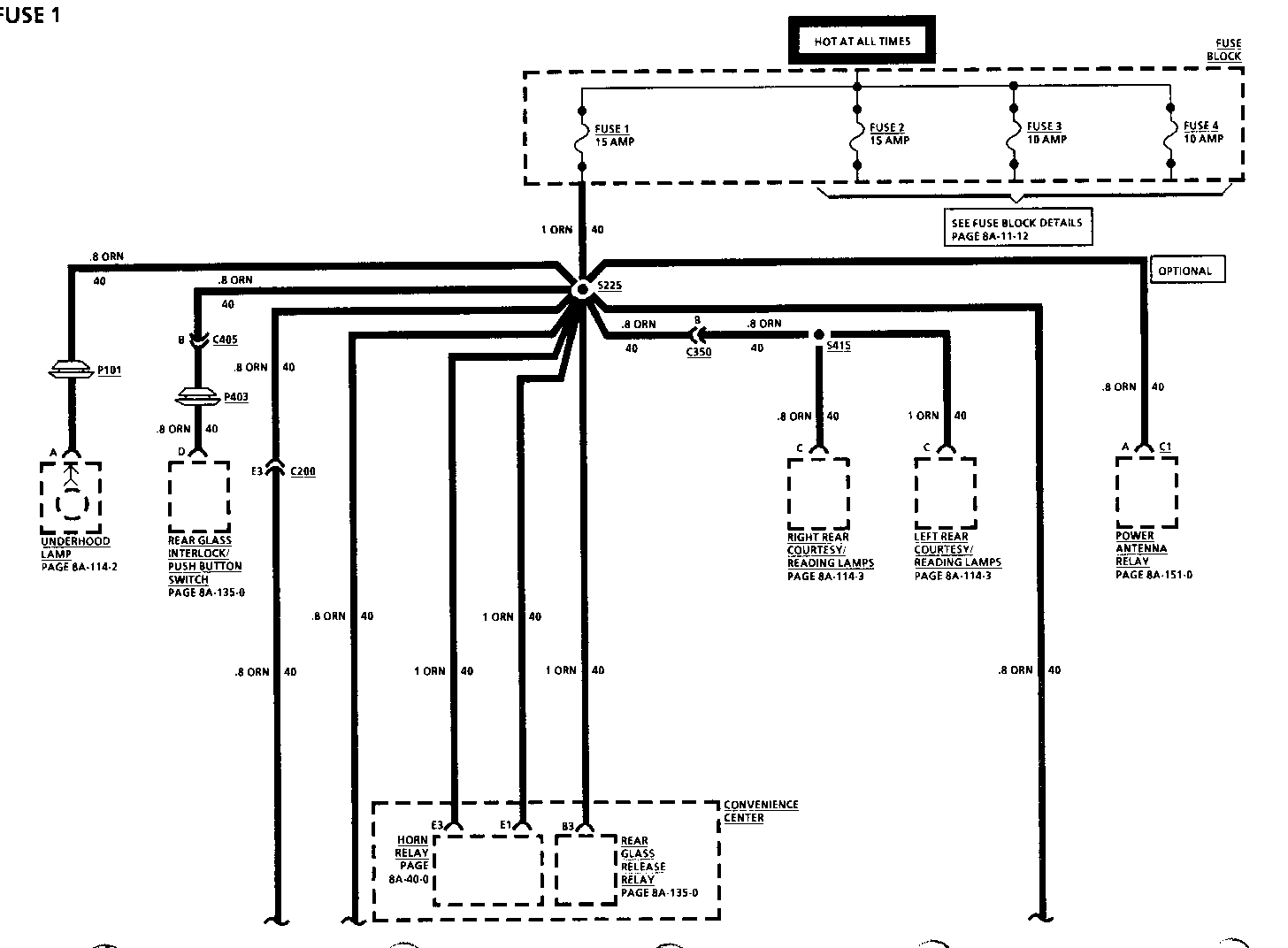
Some early 1991 Custom Cruisers, were built with Fuse 8 supplying battery voltage to the horn relay through Circuit 393. A change was made to supply battery voltage to the horn relay from Fuse 1 through Circuit 40. Fuse 1 and Fuse 8 are both amp fuses.

Please mark a reference to this bulletin in your copy of the 1991 custom Cruise Service Manual on pages 8A-11-2, 6, 8A-40-0, 1 and 2.

In addition to the revisions found on the following pages, please add "Horn Relay" to the description of fuse 1 on page 8A-11-0 in your copy(s) of the 1991 Custom Cruiser Service Manual.


Object Number: 89737  Size: LF


Object Number: 74915  Size: FS


Object Number: 76215  Size: FS


Object Number: 89736  Size: LF


Object Number: 75293  Size: FS


Object Number: 75191  Size: FS


Object Number: 80084  Size: FS


Object Number: 80083  Size: FS

General Motors bulletins are intended for use by professional technicians, not a "do-it-yourselfer". They are written to inform those technicians of conditions that may occur on some vehicles, or to provide information that could assist in the proper service of a vehicle. Properly trained technicians have the equipment, tools, safety instructions and know-how to do a job properly and safely. If a condition is described, do not assume that the bulletin applies to your vehicle, or that your vehicle will have that condition. See a General Motors dealer servicing your brand of General Motors vehicle for information on whether your vehicle may benefit from the information.