GM Service Manual Online
For 1990-2009 cars only

Removal Procedure


    Object Number: 397599  Size: MH
  1. Remove the Battery. Refer to Battery Replacement in Engine Electrical.
  2. Remove the battery tray.
  3. Disconnect the brake solenoid valve electrical connector (2).

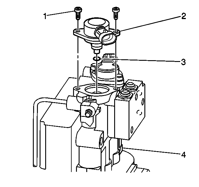
  4. Object Number: 397586  Size: SH
  5. Remove the Torx® head bolts (1).
  6. Important: Verify that the brake solenoid valve lip seal (3) is still attached to the brake solenoid valve (2) when removing the brake solenoid valve. If the seal is not attached, inspect the brake solenoid valve bore in the brake modulator (4).

    Important: Do not attempt to disassemble the brake solenoid valve (2). The brake solenoid valve is serviceable only as an assembly.

  7. Remove the brake solenoid valve (2).

Installation Procedure

Notice: The use of rubber hoses or parts other than those specified for the Antilock Brake System (ABS) may lead to functional problems requiring replacement of the hydraulic parts. Replace all components included in repair kits used to service this system. Lubricate rubber parts with clean, fresh brake fluid to ease assembly. Do not use lubricated shop air on brake parts as damage to rubber components may result. If any hydraulic component is removed or brake line disconnected, it is necessary to bleed the entire brake system. The fastener tightening specifications are for dry, unlubricated fasteners.


    Object Number: 397586  Size: SH
  1. Use the following procedure in order to install the brake solenoid valve lip seal (3):
  2. 1.1. Lubricate the seal (3) on the new brake solenoid valve (2) with clean brake fluid.
    1.2. Verify that the brake solenoid valve lip seal (3) is properly positioned before installing the brake solenoid valve (2) in the ABS brake modulator (4).
  3. Position the brake solenoid valve (2) so that the brake solenoid valve electrical connector will face the same direction as the brake solenoid valve that was removed.
  4. By hand, press down firmly on the brake solenoid valve (2) until the brake solenoid valve flange seats on the ABS brake modulator (4).
  5. Notice: Use the correct fastener in the correct location. Replacement fasteners must be the correct part number for that application. Fasteners requiring replacement or fasteners requiring the use of thread locking compound or sealant are identified in the service procedure. Do not use paints, lubricants, or corrosion inhibitors on fasteners or fastener joint surfaces unless specified. These coatings affect fastener torque and joint clamping force and may damage the fastener. Use the correct tightening sequence and specifications when installing fasteners in order to avoid damage to parts and systems.

  6. Install the Torx® head bolts (1).
  7. Tighten
    Tighten the Torx® head bolts (1) to 4.5 N·m (40 lb in).

    Important: Verify proper installation of the brake solenoid valve connectors on the correct brake solenoid valve (2).


    Object Number: 397599  Size: MH
  8. Install the brake solenoid valve electrical connector (2) onto the brake solenoid valve.
  9. Install the battery tray.
  10. Install the Battery. Refer to Battery Replacement in Engine Electrical.
  11. Bleed the brake modulator/master cylinder assembly. Refer to Hydraulic Brake System Bleeding in Hydraulic Brakes.
  12. Perform the Diagnostic System Check.