GM Service Manual Online
For 1990-2009 cars only
Makes
🢒
Oldsmobile
🢒
1998
🢒
Cutlass
🢒
Brakes
🢒
Antilock Brake System
🢒 Exterior Lights Schematics
Figure
1:
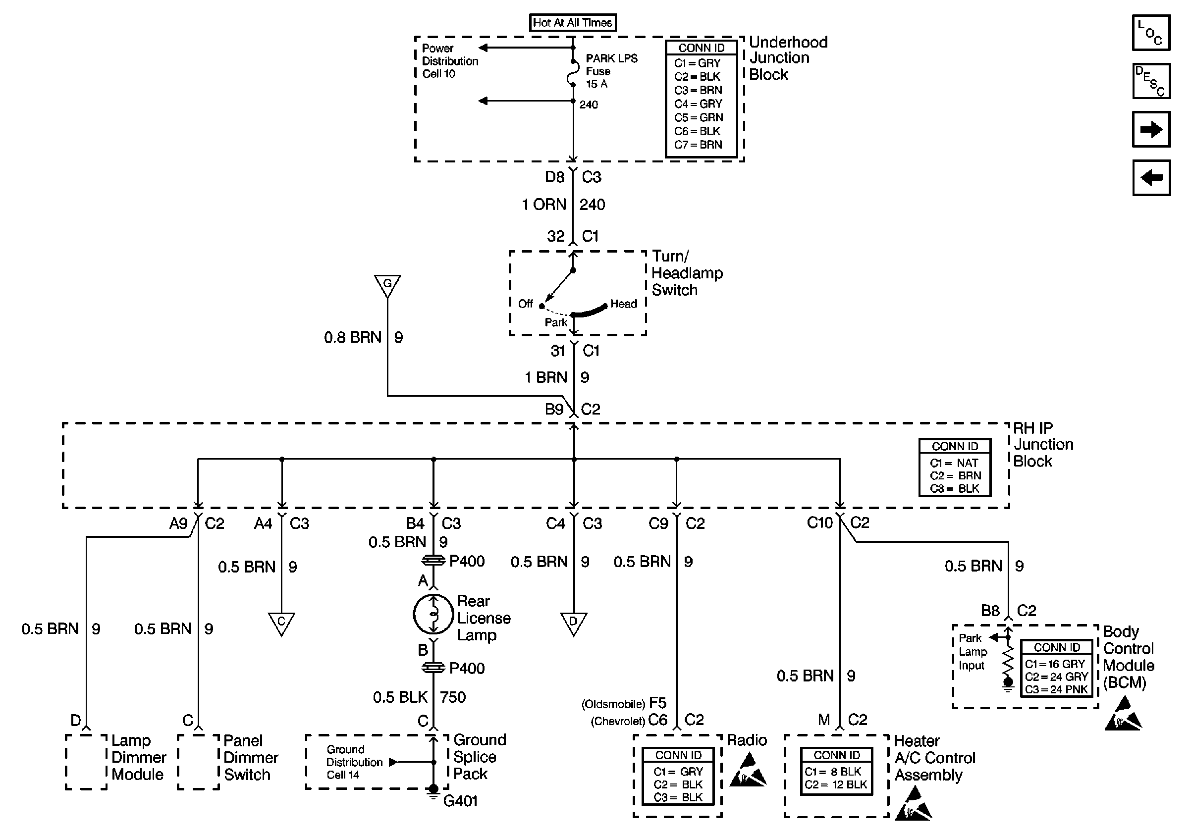
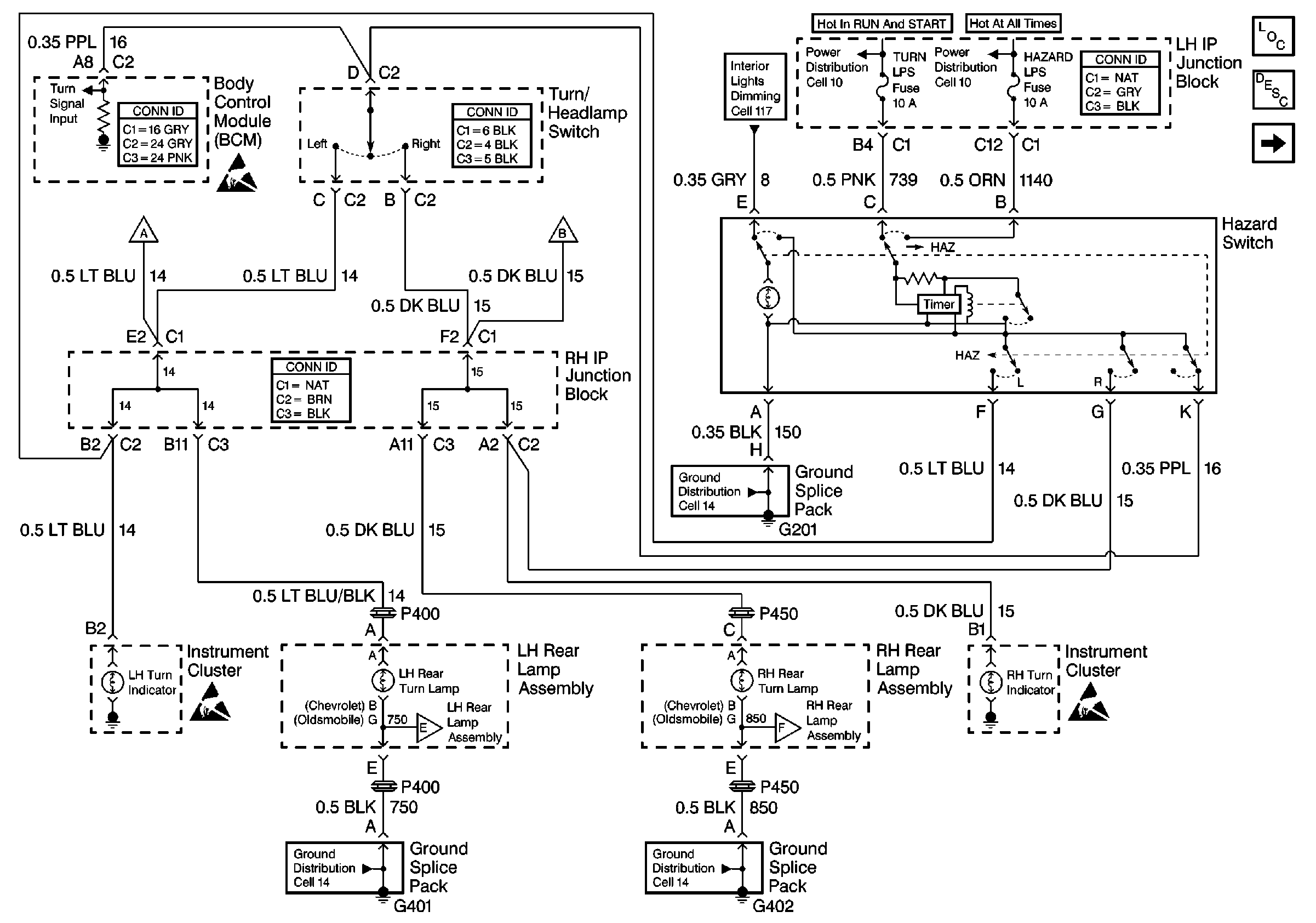
Cell 110: Exterior Lights and Rear Turn/Hazard
Handling ESD Sensitive Parts Notice
Handling ESD Sensitive Parts Notice
Handling ESD Sensitive Parts Notice
Interior Lights Dimming Schematics
Lighting Systems Components
Exterior Lights Circuit Description
Cell 110: Exterior Lights and Front Park/Turn Marker
Ground Distribution Schematics
Ground Distribution Schematics
Ground Distribution Schematics
Figure
2:
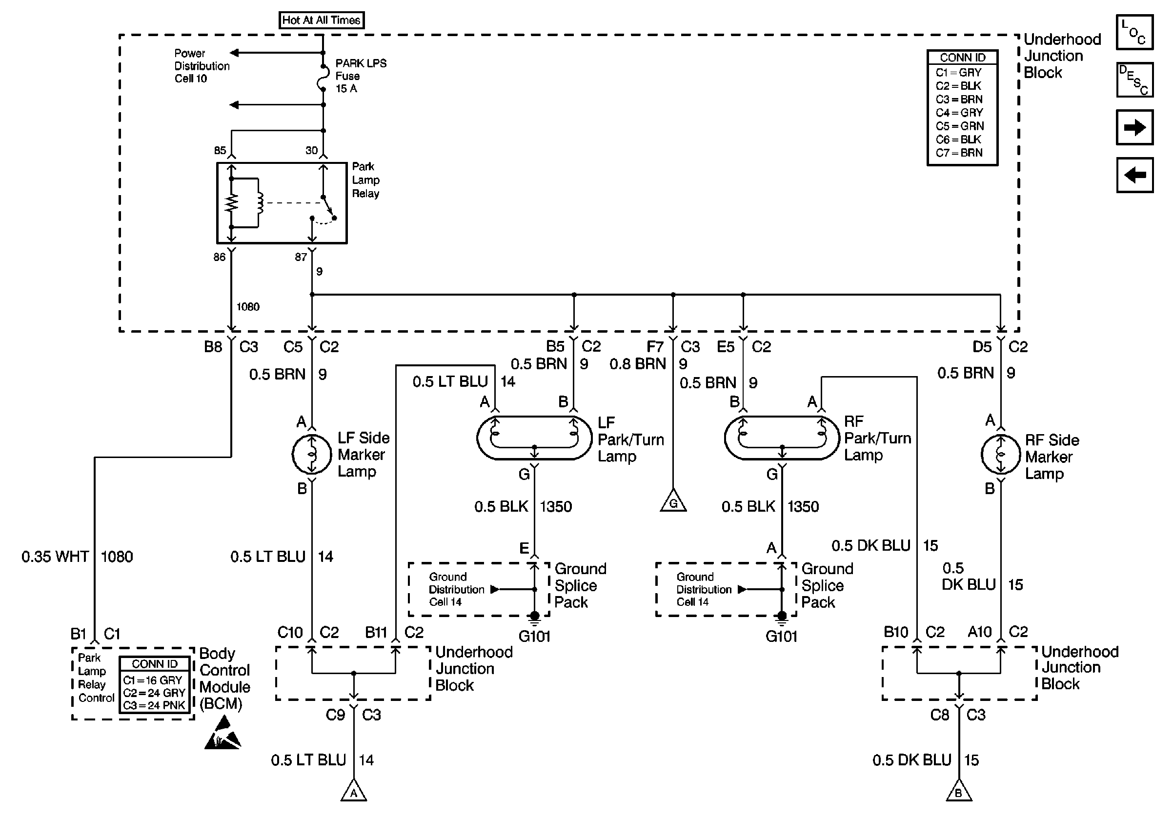
Cell 110: Exterior Lights and Front Park/Turn Marker
Power Distribution Schematics
Lighting Systems Components
Exterior Lights Circuit Description
Cell 110: License Lamp
Cell 110: Exterior Lights and Rear Turn/Hazard
Handling ESD Sensitive Parts Notice
Ground Distribution Schematics
Ground Distribution Schematics
Figure
3:
Cell 110: License Lamp
Power Distribution Schematics
Lighting Systems Components
Exterior Lights Circuit Description
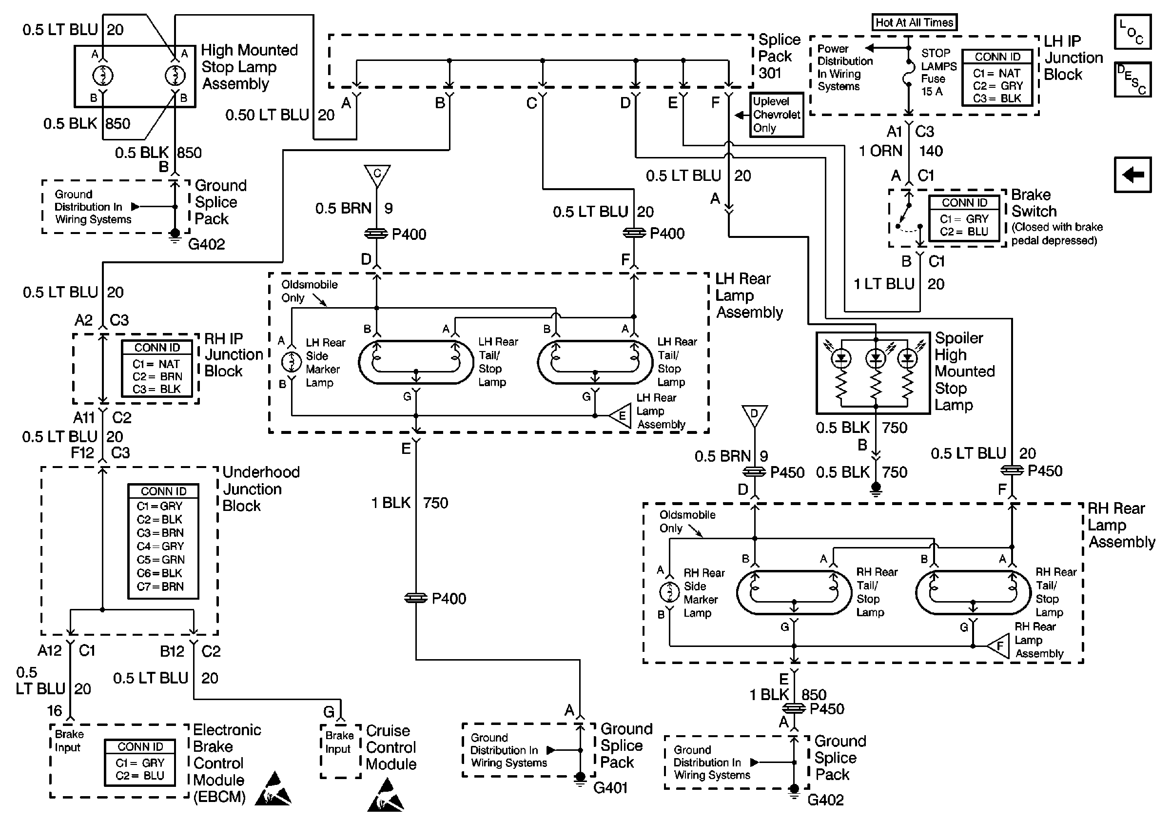
Cell 110: Tail/Stop Lamps
Cell 110: Exterior Lights and Front Park/Turn Marker
Ground Distribution Schematics
Handling ESD Sensitive Parts Notice
Handling ESD Sensitive Parts Notice
Handling ESD Sensitive Parts Notice
Figure
4:
Cell 110: Tail/Stop Lamps
Ground Distribution Schematics
Ground Distribution Schematics
Ground Distribution Schematics
Power Distribution Schematics
Lighting Systems Components
Exterior Lights Circuit Description
Cell 110: License Lamp
Handling ESD Sensitive Parts Notice
Handling ESD Sensitive Parts Notice