GM Service Manual Online
For 1990-2009 cars only
Figure 1:

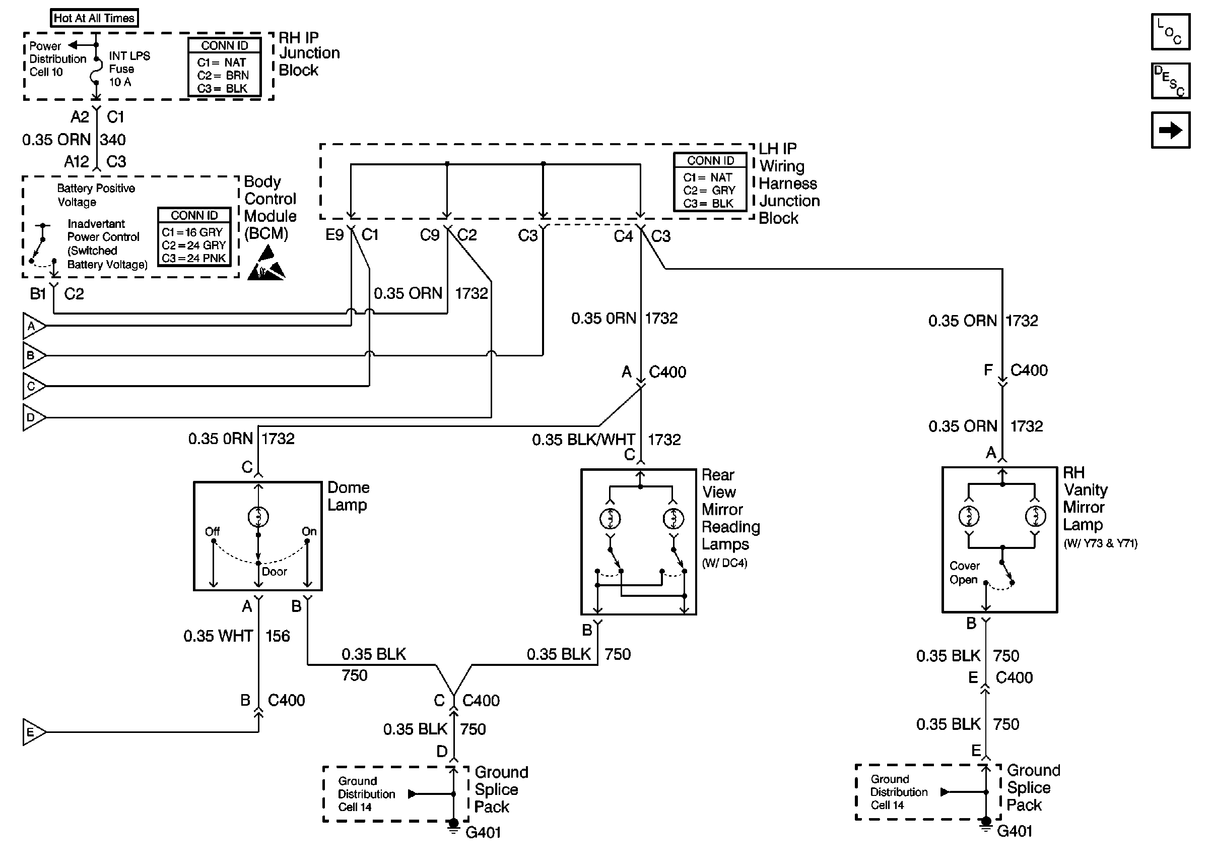
Cell 114: Reading, Dome, and Vanity Mirror Lamps


Object Number: 264042  Size: FS
Lighting Systems Components
Interior Lights Circuit Description
Cell 114: Courtesy/Glove Lamps
Power Distribution Schematics
Ground Distribution Schematics
Ground Distribution Schematics
Handling ESD Sensitive Parts Notice
Figure 2:

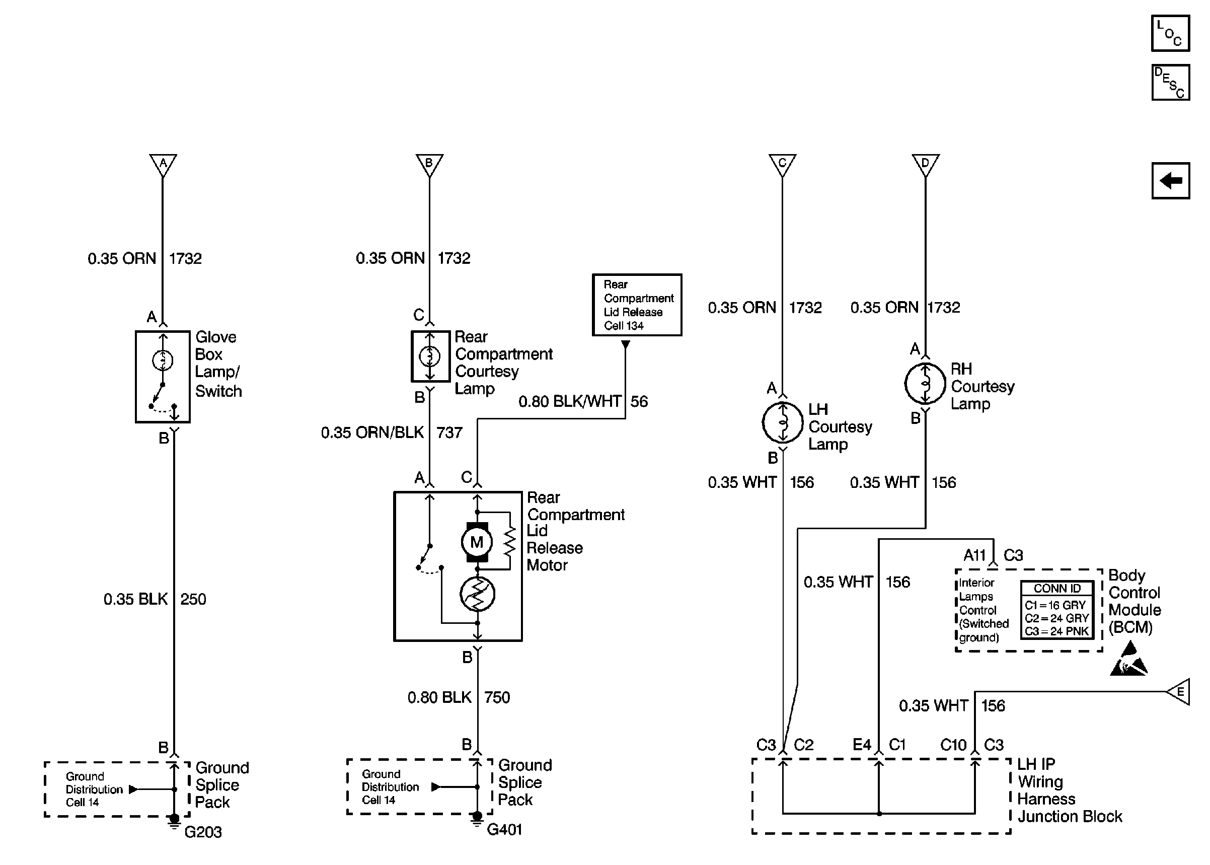
Cell 114: Courtesy/Glove Lamps


Object Number: 264039  Size: FS
Lighting Systems Components
Interior Lights Circuit Description
Cell 114: Reading, Dome, and Vanity Mirror Lamps
Release Systems Schematics
Handling ESD Sensitive Parts Notice
Ground Distribution Schematics
Ground Distribution Schematics