GM Service Manual Online
For 1990-2009 cars only
Makes
🢒
Oldsmobile
🢒
1998
🢒
Cutlass
🢒
Body and Accessories
🢒
Theft Deterrent
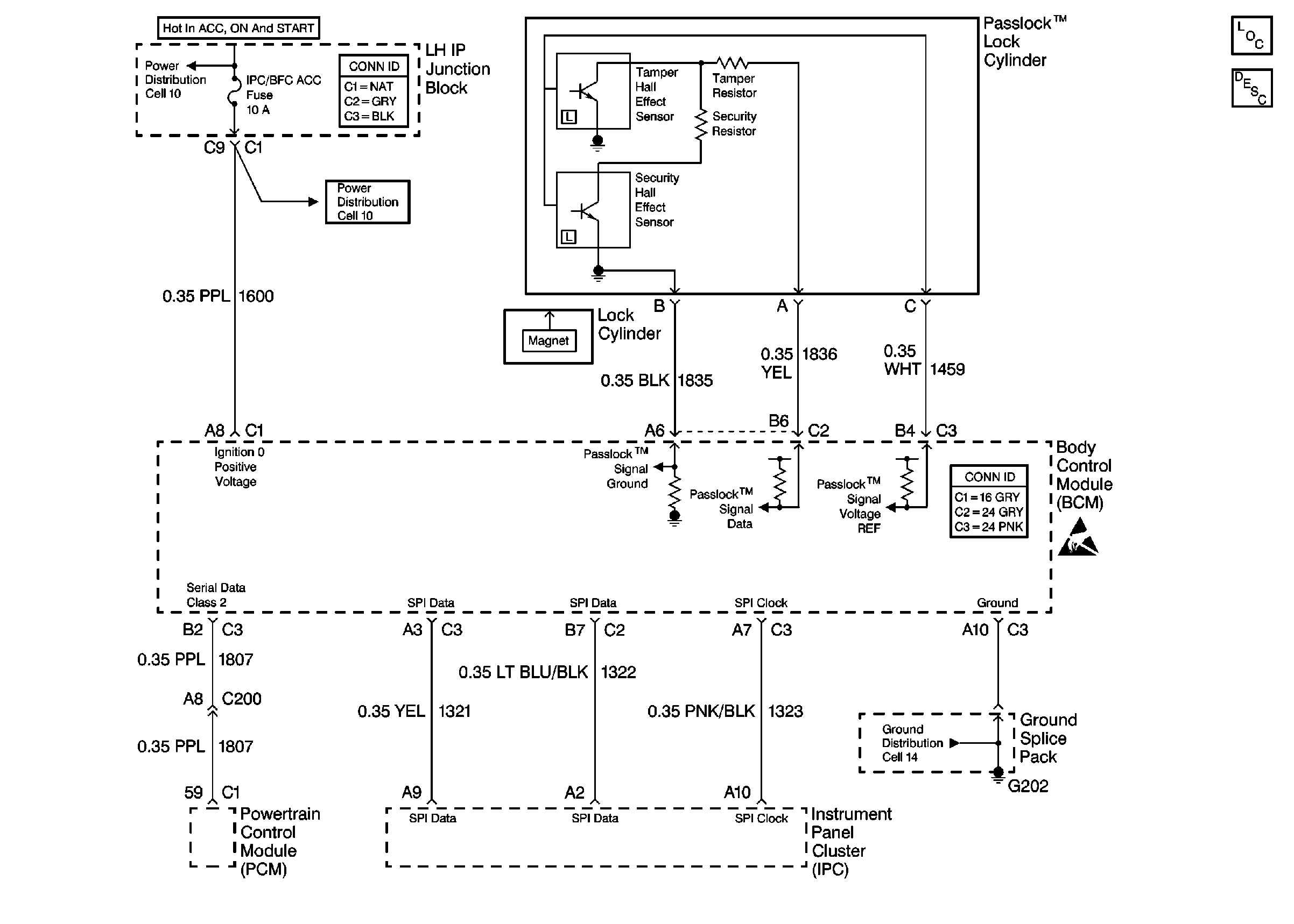
🢒 Theft Deterrent System Schematics
Cell 133
Power Distribution Schematics
Theft Deterrent System Components
Content Theft Deterrent (CTD) Circuit Description
Handling ESD Sensitive Parts Notice
Ground Distribution Schematics