GM Service Manual Online
For 1990-2009 cars only
Makes
🢒
Oldsmobile
🢒
1998
🢒
Cutlass
🢒
Body and Accessories
🢒
Stationary Windows
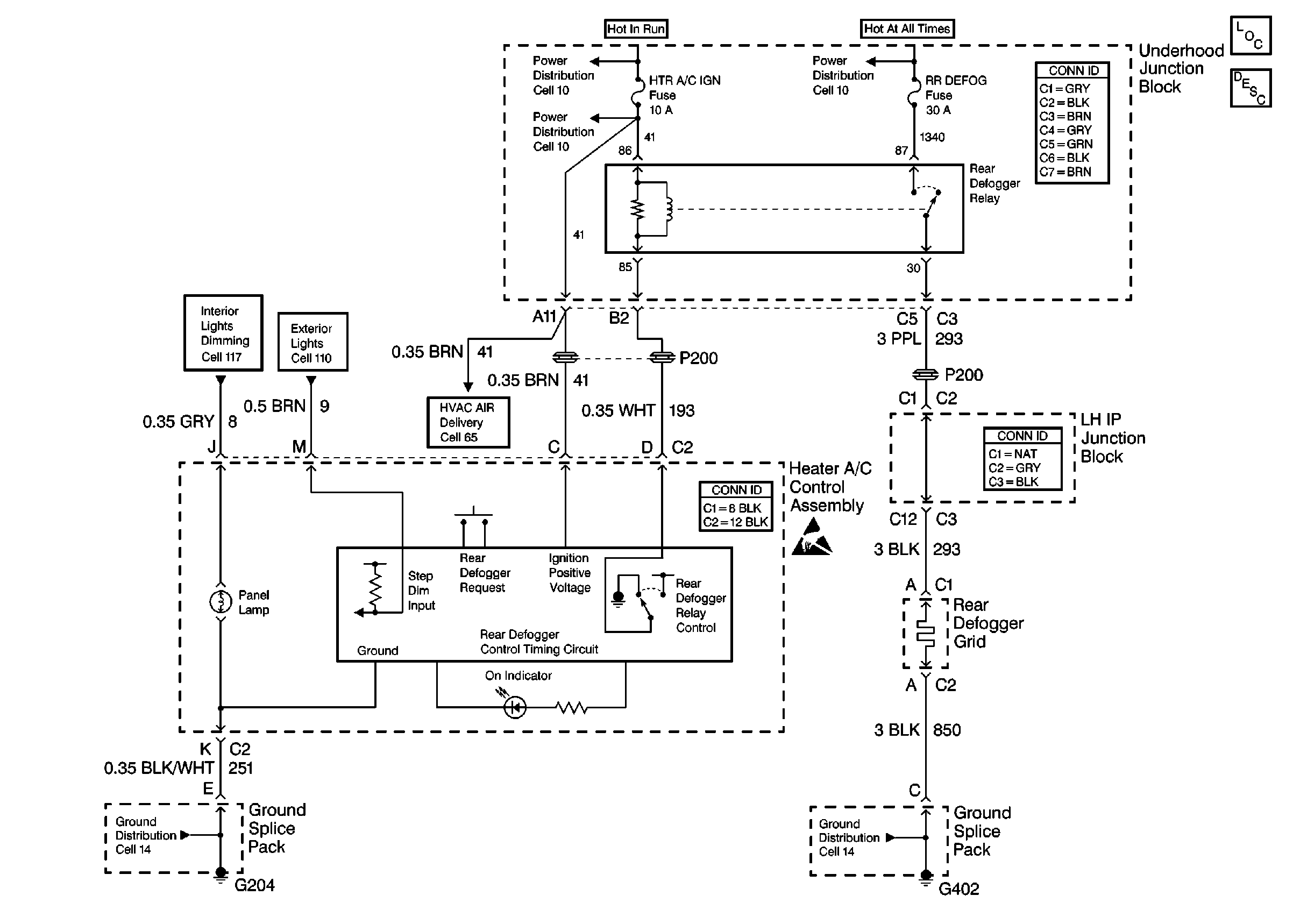
🢒 Defogger Schematics
Cell 61
Power Distribution Schematics
Power Distribution Schematics
Power Distribution Schematics
Stationary Windows Components
Rear Window Defogger Circuit Description
Interior Lights Dimming Schematics
Exterior Lights Schematics
Handling ESD Sensitive Parts Notice
Ground Distribution Schematics
Ground Distribution Schematics