GM Service Manual Online
For 1990-2009 cars only
Makes
🢒
Oldsmobile
🢒
1998
🢒
Cutlass
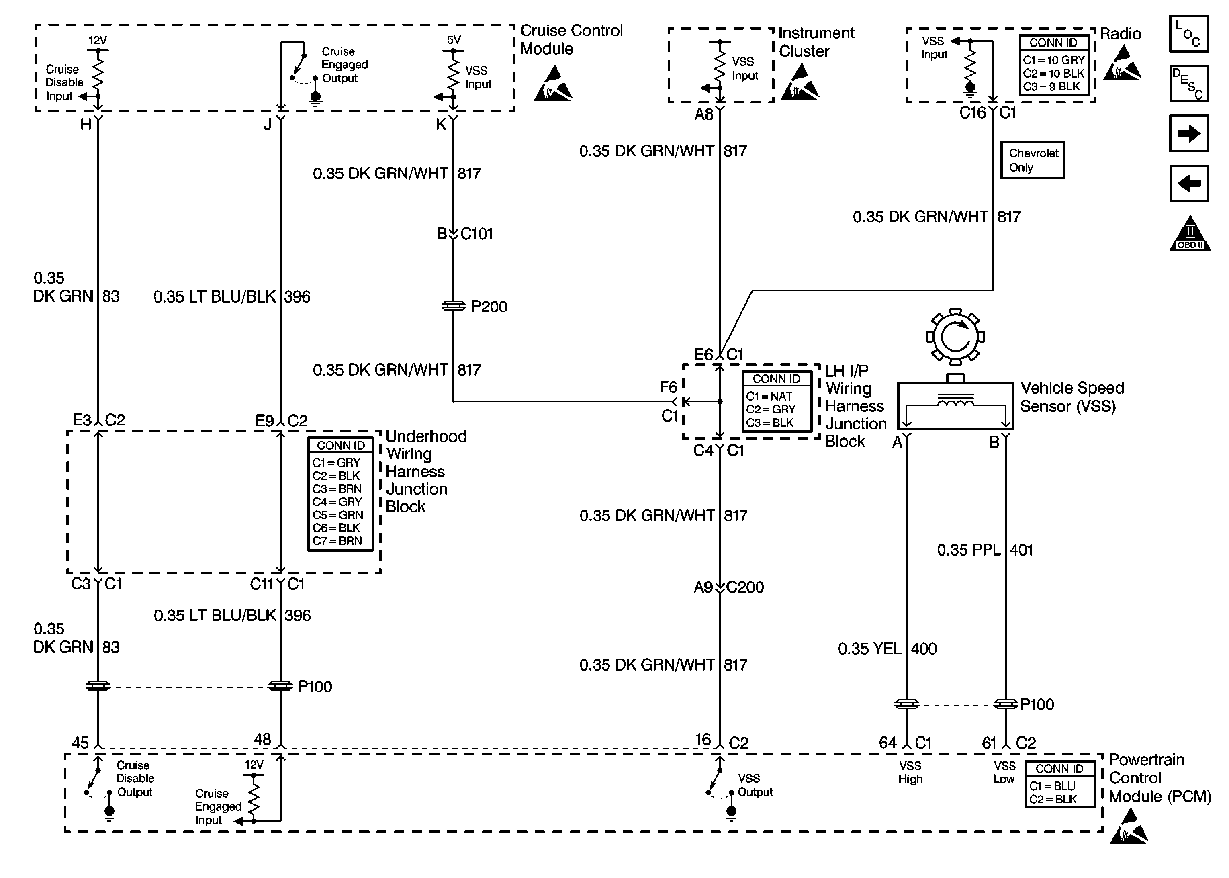
🢒 Cell 23: VSS and Cruise Control
Cell 23: VSS and Cruise Control
Cell 23: VSS and Cruise Control
Engine Controls Components
Information Sensors/Switches Description
Cell 23: Transaxle Controls (Solenoids)
Cell 23: IAC Valve, Generator, TR and Oil Switches
OBDII Symbol Description Notice
Handling Electrostatic Discharge Sensitive Parts Notice
Handling Electrostatic Discharge Sensitive Parts Notice
Handling Electrostatic Discharge Sensitive Parts Notice
Handling Electrostatic Discharge Sensitive Parts Notice