GM Service Manual Online
For 1990-2009 cars only

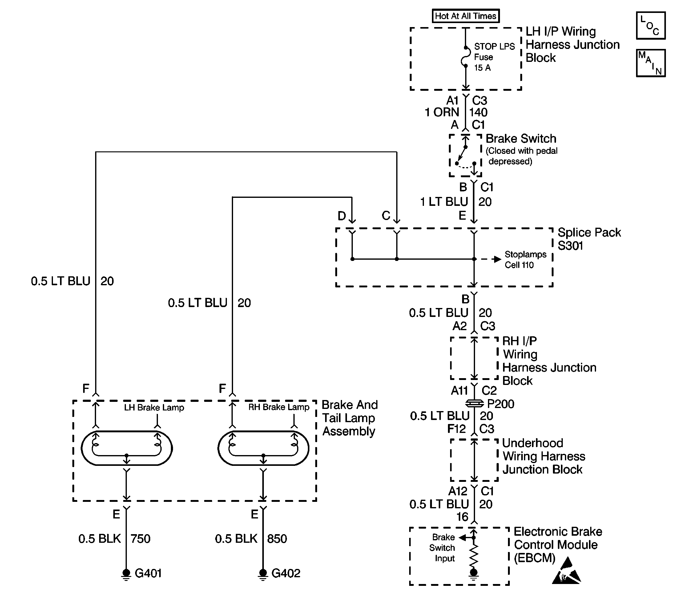
Object Number: 189043  Size: LF
ABS Components
Antilock Brake System Schematics

Circuit Description

DTC C1291 detects an open brake switch. The EBCM looks for deceleration rates that may indicate braking action. The EBCM verifies braking action by repeating the method for finding deceleration rates that indicate braking action several times. In each case, the ABS will not be available because the EBCM does not see the brake switch input.

Conditions for Setting the DTC

DTC C1291 can set if three deceleration cycles within the specified rate occur during the current ignition cycle with the brake switch off.

Action Taken When the DTC Sets

    • A malfunction DTC stores.
    • The ABS disables.
    • The ABS warning indicator turns ON.

Conditions for Clearing the DTC

    • The condition responsible for setting the DTC no longer exists and the Scan Tool Clear DTCs function is used.
    • 100 drive cycles pass with no DTCs detected. A drive cycle consists of starting the vehicle, driving the vehicle over 16 km/h (10 mph), stopping and then turning the ignition off.

Diagnostic Aids

The following conditions may cause an intermittent malfunction:

    • A poor connection
    • Rubbed-through wire insulation
    • A broken wire inside the insulation

Use the enhanced diagnostic function of the Scan Tool in order to measure the frequency of the malfunction.

Thoroughly inspect any circuitry that may cause the intermittent complaint for the following conditions:

    • Backed out terminals
    • Improper mating
    • Broken locks
    • Improperly formed or damaged terminals
    • Poor terminal-to-wiring connections
    • Physical damage to the wiring harness
    • Sticking brake switch

Step

Action

Value(s)

Yes

No

Important: Zero J 39200 test leads before making any resistance measurements. Refer to J 39200 user's manual.

1

Was the Diagnostic System Check performed?

--

Go to Step 2

Go to Diagnostic System Check

2

  1. Turn the ignition switch to the RUN position.
  2. Do not start the engine.

  3. Install a Scan Tool .
  4. Use the Scan Tool in order to inspect for DTCs.

Is DTC C1295 set as either a current and/or history DTC?

--

Go to DTC C1295 Brake Lamp Switch Circuit Open

Go to Step 3

3

  1. Select Data List on the Scan Tool .
  2. Select Brake Switch Position on the Scan Tool .
  3. Apply light pressure to the brake pedal while monitoring the Brake Switch Position on the Scan Tool .

Does the Scan Tool indicate that the brake switch is on within 25 mm (1.0 inch) of brake pedal travel?

--

Go to Step 25

Go to Step 4

4

  1. Apply firm pressure to the brake pedal.
  2. Observe the rear brake lamps.

Are the rear brake lamps on?

--

Go to Step 5

Go to Step 8

5

  1. Turn the ignition switch to the OFF position.
  2. Disconnect the EBCM connector.
  3. Turn the ignition switch to the RUN position.
  4. Do not start the engine.

  5. Apply firm pressure to the brake pedal.
  6. Use the J 39200 in order to measure the voltage between the EBCM harness connector terminal 16 and ground.

Is the voltage equal to or greater than the specified voltage?

10.0 V

Go to Step 6

Go to Step 16

6

Inspect the EBCM connector and the EBCM harness connector for the following conditions:

    • Terminal damage
    • Poor terminal contact
    • Terminal corrosion

Is there poor terminal contact, terminal corrosion, or damaged terminals?

--

Go to Step 17

Go to Step 7

7

  1. Reconnect the connector.
  2. Test drive the vehicle and perform a brake stop from 32 km/h (20 mph) engaging the ABS.
  3. Use the Scan Tool in order to inspect for DTCs.

Does DTC C1291 and DTC C1292 set as a current DTC?

--

Go to Step 23

Go to Step 25

8

Use the J 39200 in order to measure the voltage between the stoplamp switch harness connector terminal A and ground.

Is the voltage equal to or greater than the specified voltage?

10.0 V

Go to Step 9

Go to Step 11

9

  1. Apply firm pressure to the brake pedal.
  2. Use the J 39200 in order to measure the voltage between the stoplamp switch harness connector terminal B and ground.

Is the voltage equal to or greater than the specified voltage?

10.0 V

Go to Step 16

Go to Step 10

10

Inspect for proper adjustment of the stoplamp switch.

Is the stoplamp switch adjusted correctly?

--

Go to Step 18

Go to Step 19

11

Remove and inspect the fuse block STOP-LPS Fuse (15A).

Is the fuse open?

--

Go to Step 13

Go to Step 12

12

  1. Disconnect the stoplamp switch connector.
  2. Use a J 39200 in order to measure the resistance between the stoplamp switch harness connector terminal A and the STOP-LPS Fuse terminal of the fuse block.

Is the resistance within the specified range?

0.0-2.0 ohms

Go to Step 14

Go to Step 21

13

  1. Disconnect the EBCM connector.
  2. Use the J 39200 in order to measure the resistance between the EBCM harness connector terminal 16 and ground.

Is the resistance within the specified range?

OL

(Infinite)

Go to Step 15

Go to Step 20

14

Use the J 39200 in order to measure the voltage between the STOP-LPS Fuse of the fuse block and ground.

Is the voltage equal to or greater than the specified voltage?

10 V

Go to Step 25

Go to Power Distribution Schematics in Wiring Systems

15

  1. Disconnect the stoplamp switch connector.
  2. Use the J 39200 in order to measure the resistance between the stoplamp switch harness connector terminal A and ground.

Is the resistance within the specified range?

OL

(Infinite)

Go to Step 24

Go to Step 22

16

Repair the open in CKT 20.

Is the repair complete?

--

Go to Diagnostic System Check

--

17

Replace all the terminal or the connectors that exhibit the following conditions:

    • Poor terminal contact
    • Terminal corrosion
    • Damaged terminals

Is the repair complete?

--

Go to Diagnostic System Check

--

18

Replace the stoplamp switch. Refer to Stop Lamp Switch Replacement .

Is the repair complete?

--

Go to Diagnostic System Check

--

19

Adjust the stoplamp switch.

Is the repair complete?

--

Go to Diagnostic System Check

--

20

  1. Repair the short to ground in CKT 20.
  2. Replace the STOP-LPS Fuse (15A) with a known good Fuse (15A).

Is the repair complete?

--

Go to Diagnostic System Check

--

21

Repair the open in CKT 140.

Is the repair complete?

--

Go to Diagnostic System Check

--

22

  1. Repair the short to ground in CKT 140.
  2. Replace the STOP-LPS Fuse (15A) with a known good Fuse (15A).

Is the repair complete?

--

Go to Diagnostic System Check

--

23

Replace the EBCM. Refer to Electronic Brake Control Module Replacement .

Is the repair complete?

--

Go to Diagnostic System Check

--

24

Replace the STOP-LPS Fuse (15A) with a known good Fuse (15A).

Is the repair complete?

--

Go to Diagnostic System Check

--

25

The malfunction is intermittent or not present at this time. Refer to Diagnostic Aids for more information.

Is the repair complete?

--

Go to Diagnostic System Check

--