GM Service Manual Online
For 1990-2009 cars only

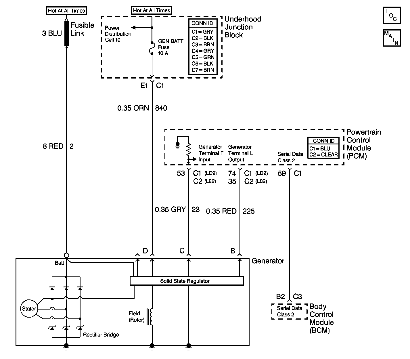
Object Number: 422165  Size: LF
Charging System
Body Control Module Components

Circuit Description

This DTC determines if a fault exists that renders the generator L-terminal continuously low with the engine running.

Conditions for Setting the DTC

    • All of the following conditions must be met:
    • The vehicle is running.
    • The powertrain control module (PCM) sends an engine is running class 2 serial data message.
    • The PCM does not send the L terminal high class 2 serial data message for 30 seconds after the vehicle has started.

Action Taken When the DTC Sets

    • The body control module (BCM) stores DTC B1487 in memory.
    • The volts indicator will illuminate.

Conditions for Clearing the DTC

    • All BCM history codes will be cleared after 100 ignition cycles (from OFF to RUN) with no current codes active during the 100 ignition cycles.
    • The BCM goes to sleep. The BCM reinitializes with the fault cleared.
    • Use the Scan Tool .

Diagnostic Aids

    • When the diagnostics direct you to take electrical measurements at the terminal assignments of the junction blocks, refer to Power Distribution Schematics in Wiring Systems.
    • If the DTC is a history DTC, the problem may be intermittent. Perform the tests shown while wiggling the wiring and connectors. This can often cause the malfunction to appear.

Test Description

The numbers listed below refer to the numbers on the diagnostic table.

  1. This step determines if the 225 circuit has 5 Volts applied.

  2. This step determines if CKT 225 has a short to ground condition.

  3. This step determines if CKT 225 has a open circuit condition.

  4. This step determines if the powertrain control module (PCM) is reading the L-terminal status properly.

Step

Action

Value(s)

Yes

No

1

Was the body control module (BCM) System Check performed?

--

Go to Step  2

Go to Body Control Module System Check

2

  1. Ensure that the engine is running for more than one minute.
  2. Use the J 39200 DMM in order to measure the voltage in circuit 225, by backprobing between the generator harness connector terminal B and ground.

Is the measured voltage within the specified range?

4.5-5.5V

Go to Step  9

Go to Step  3

3

  1. Disconnect the generator connector.
  2. Disconnect the PCM connector C2 (connector C1 for LD9).
  3. Use the J 39200 DMM in order to measure the resistance in CKT 225 between the generator connector terminal B and ground.

Is the measured resistance equal to the specified value?

Go to Step  4

Go to Step  7

4

  1. Reconnect all of the disconnected components.
  2. Leave the engine running longer than one minute.
  3. Use the J 39200 DMM in order to measure the voltage in CKT 225 between the generator connector terminal B and ground.

Is the measured voltage within the specified range?

4.5-5.5V

Go to Step  5

Go to Step  6

5

Use the Scan Tool in order to read the PCM L-terminal input.

Does the L-terminal input read inactive?

--

Go to Step  9

Go to Step  8

6

Replace the generator. Refer to Generator Replacement in Engine Electrical.

Is the repair complete?

--

Go to Step  9

--

7

Repair the short to ground in CKT 225 between the PCM connector C2 terminal 61 (connector C1 terminal 74 for LD9) and the generator connector terminal B. Refer to Wiring Repairs in Wiring Systems.

Is the circuit repair complete?

--

Go to Step  9

--

8

Replace the PCM. Refer to Powertrain Control Module Replacement in Engine Controls-2.4L or Powertrain Control Module Replacement/Programming in Engine Controls-3.1L.

Is the repair complete?

--

Go to Step  9

--

9

Clear the DTCs from the memory.

Are the DTCs cleared from the memory?

--

Go to Body Control Module System Check

--