GM Service Manual Online
For 1990-2009 cars only
Figure 1:

Speed Sensors and Brake Fluid Level Switch


Object Number: 190815  Size: FS
Antilock Brake System Component Views
ABS Description
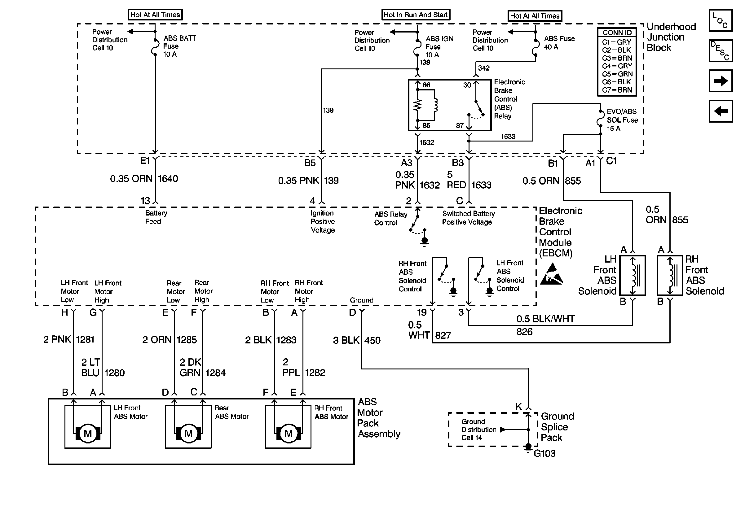
Cell 44: Relay, Solenoids and Motor Pack
Handling ESD Sensitive Parts Notice
Ground Distribution Schematics
Figure 2:

Cell 44: Relay, Solenoids and Motor Pack


Object Number: 190821  Size: FS
Antilock Brake System Component Views
ABS Description
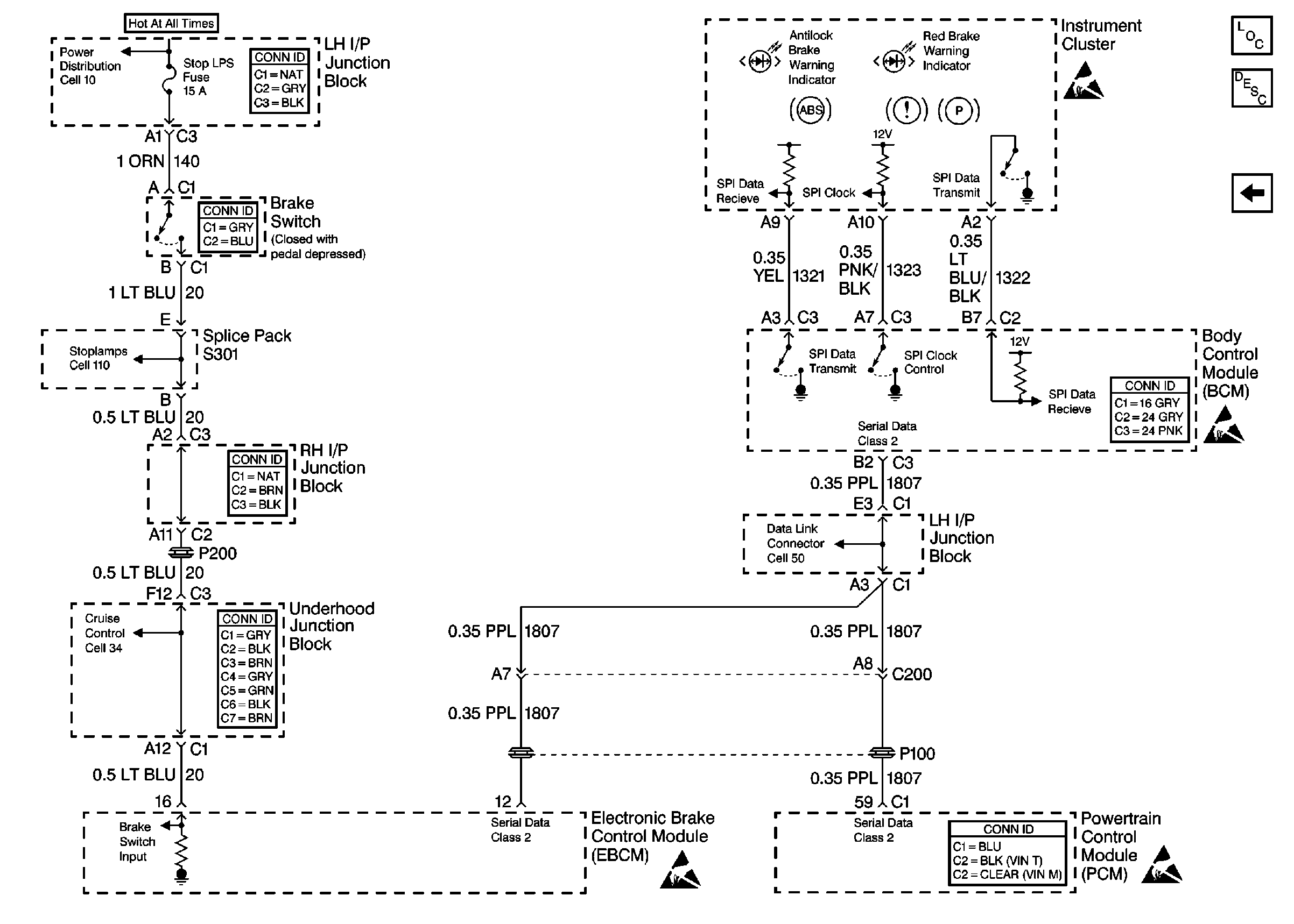
Cell 44: Instrument Cluster, Brake Switch and PCM
Speed Sensors and Brake Fluid Level Switch
Handling ESD Sensitive Parts Notice
Ground Distribution Schematics
Power Distribution Schematics
Power Distribution Schematics
Power Distribution Schematics
Figure 3:

Cell 44: Instrument Cluster, Brake Switch and PCM


Object Number: 190824  Size: FS
Antilock Brake System Component Views
ABS Description
Cell 44: Relay, Solenoids and Motor Pack
Handling ESD Sensitive Parts Notice
Handling ESD Sensitive Parts Notice
Handling ESD Sensitive Parts Notice
Handling ESD Sensitive Parts Notice
Power Distribution Schematics