GM Service Manual Online
For 1990-2009 cars only
Makes
🢒
Oldsmobile
🢒
1999
🢒
Cutlass
🢒
Body and Accessories
🢒
Lighting Systems
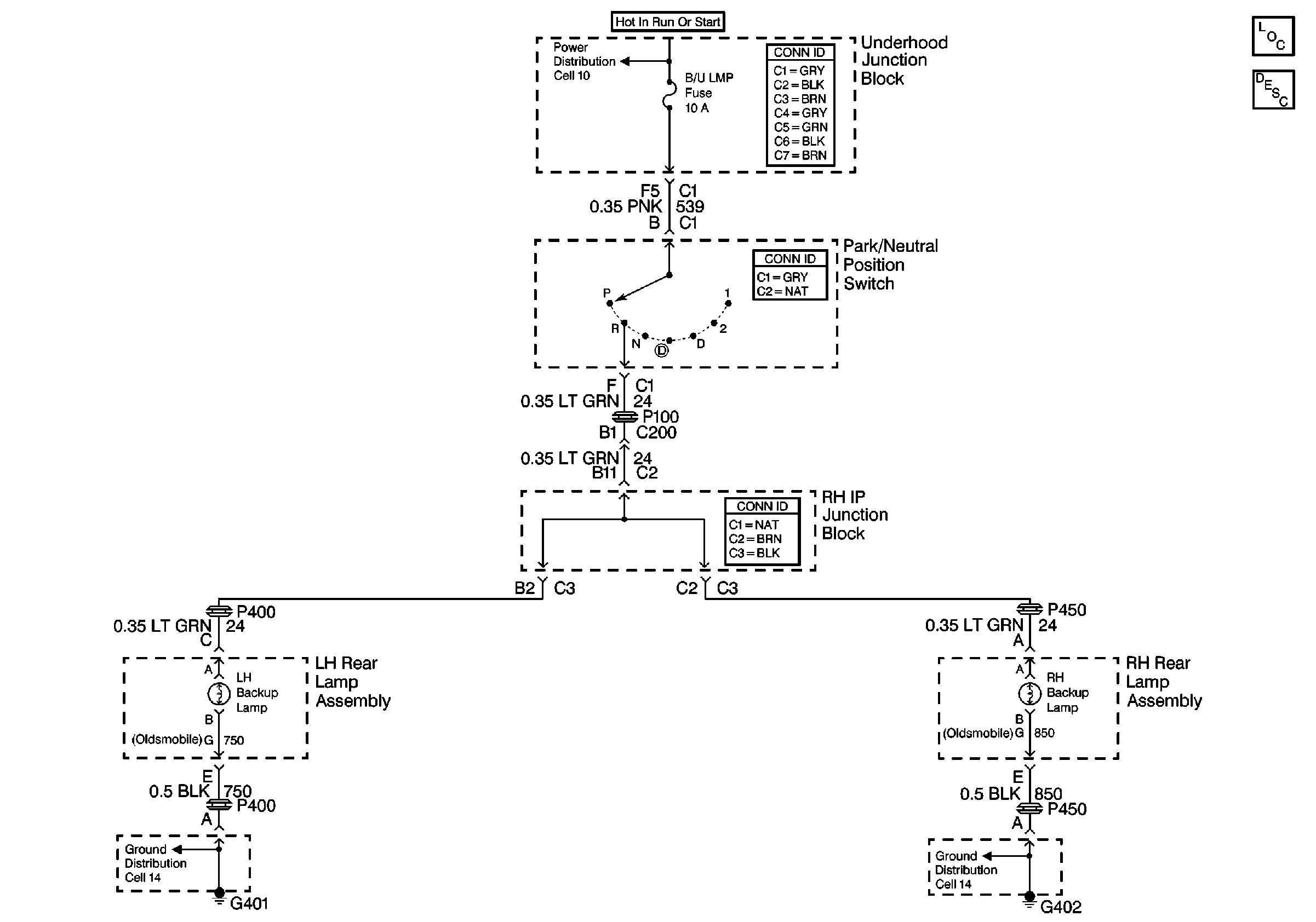
🢒 Backup Lamp Schematics
Cell 112
Lighting Systems Components
Backup Lamp Circuit Description
OBD II Symbol Description Notice
Ground Distribution Schematics
Ground Distribution Schematics