GM Service Manual Online
For 1990-2009 cars only
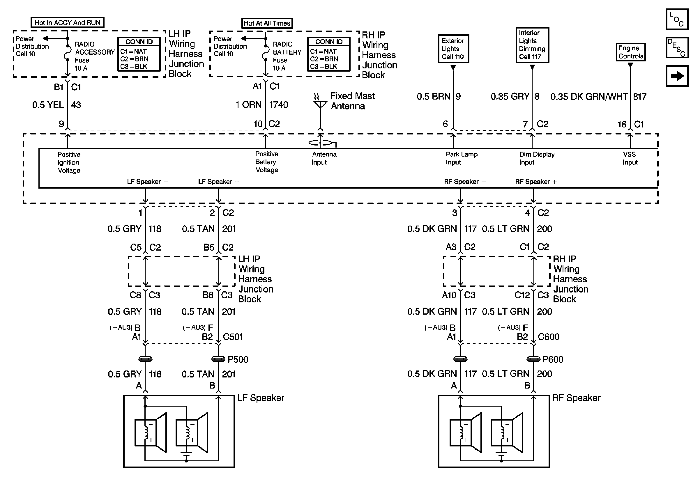
Figure 1:

Cell 150: Front Speakers, Chevrolet w/o Remote Playback


Object Number: 264762  Size: FS
Entertainment Components
Radio/Audio System Circuit Description
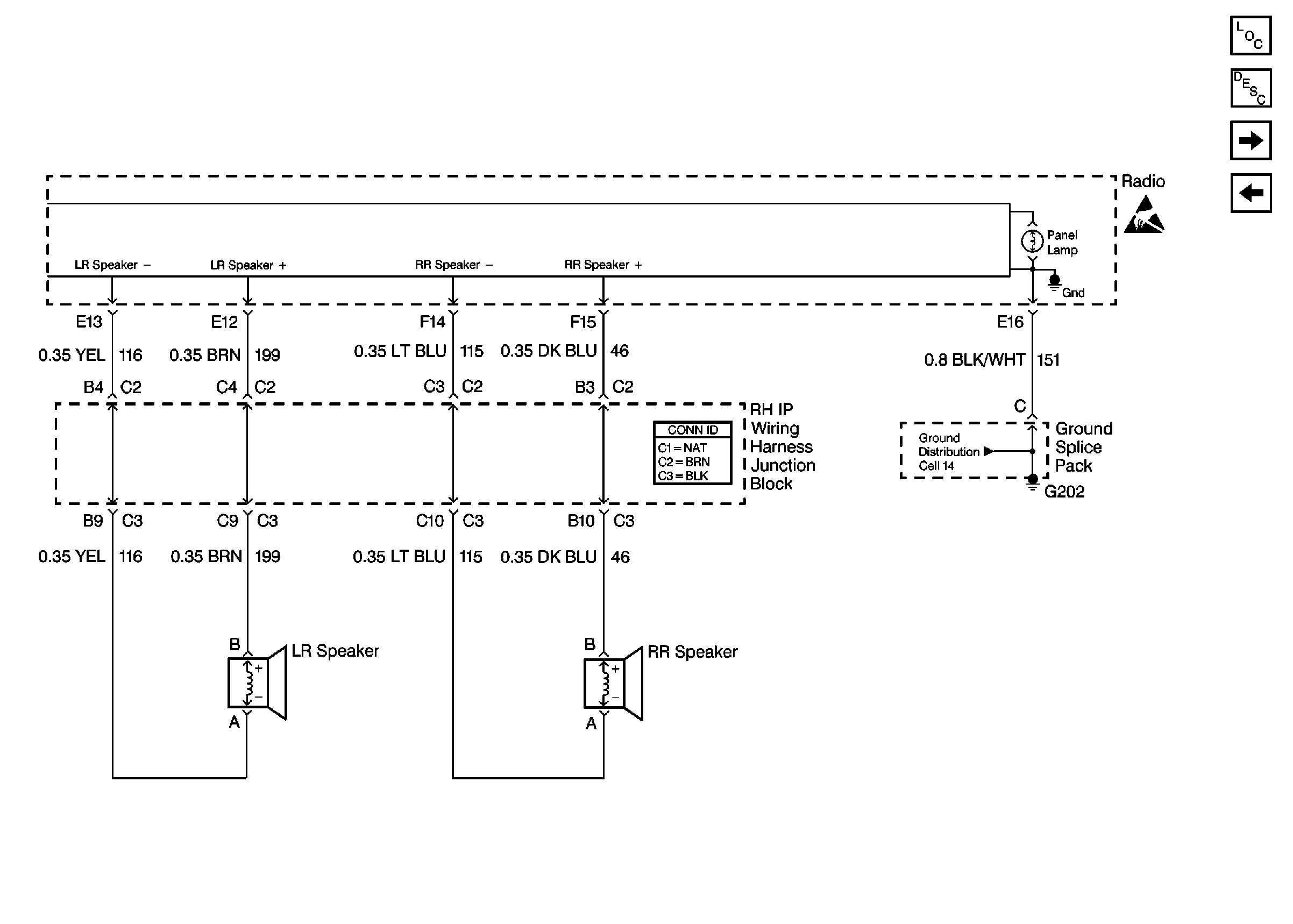
Cell 150: Rear Speakers, Chevrolet w/o Remote Playback
Power Distribution Schematics
Power Distribution Schematics
Exterior Lights Schematics
Interior Lights Dimming Schematics
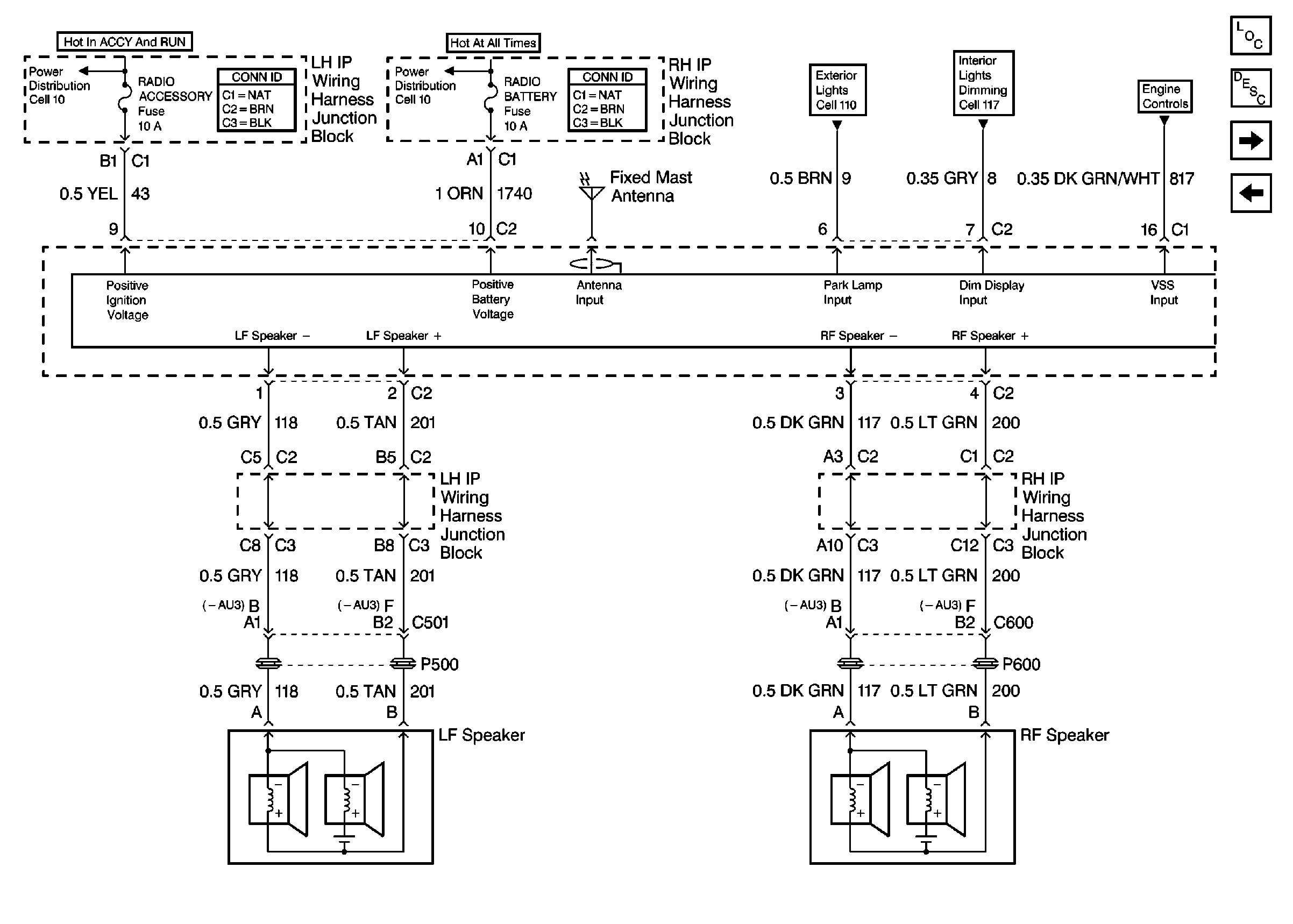
Figure 2:

Cell 150: Rear Speakers, Chevrolet w/o Remote Playback


Object Number: 264767  Size: FS
Entertainment Components
Radio/Audio System Circuit Description
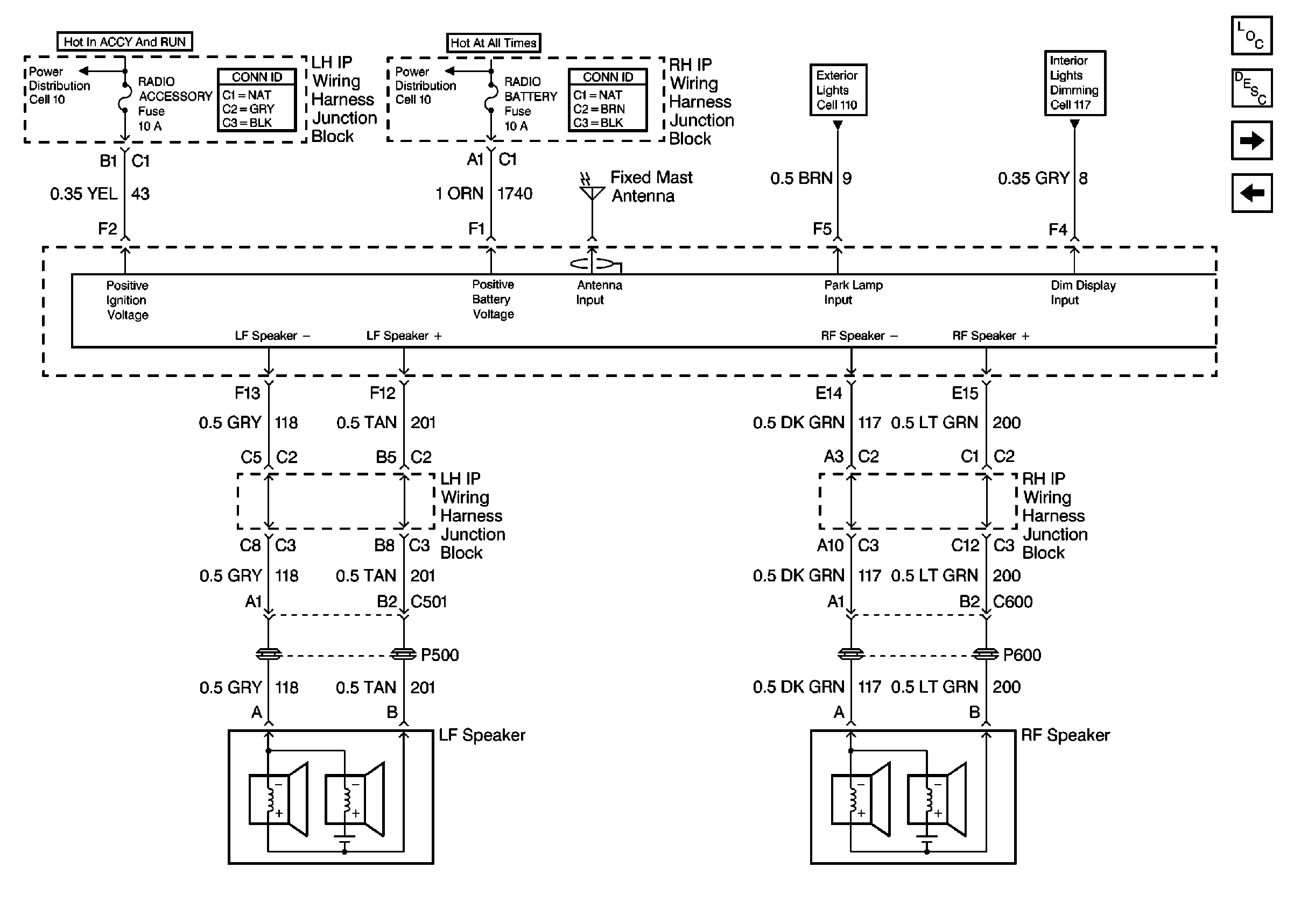
Cell 150: Front Speakers, Oldsmobile
Cell 150: Front Speakers, Chevrolet w/o Remote Playback
Handling ESD Sensitive Parts Notice
Ground Distribution Schematics
Figure 3:

Cell 150: Front Speakers, Oldsmobile


Object Number: 264768  Size: FS
Entertainment Components
Radio/Audio System Circuit Description
Cell 150: Rear Speakers, Oldsmobile
Cell 150: Rear Speakers, Chevrolet w/o Remote Playback
Power Distribution Schematics
Power Distribution Schematics
Exterior Lights Schematics
Interior Lights Dimming Schematics
Figure 4:

Cell 150: Rear Speakers, Oldsmobile


Object Number: 264771  Size: FS
Entertainment Components
Radio/Audio System Circuit Description
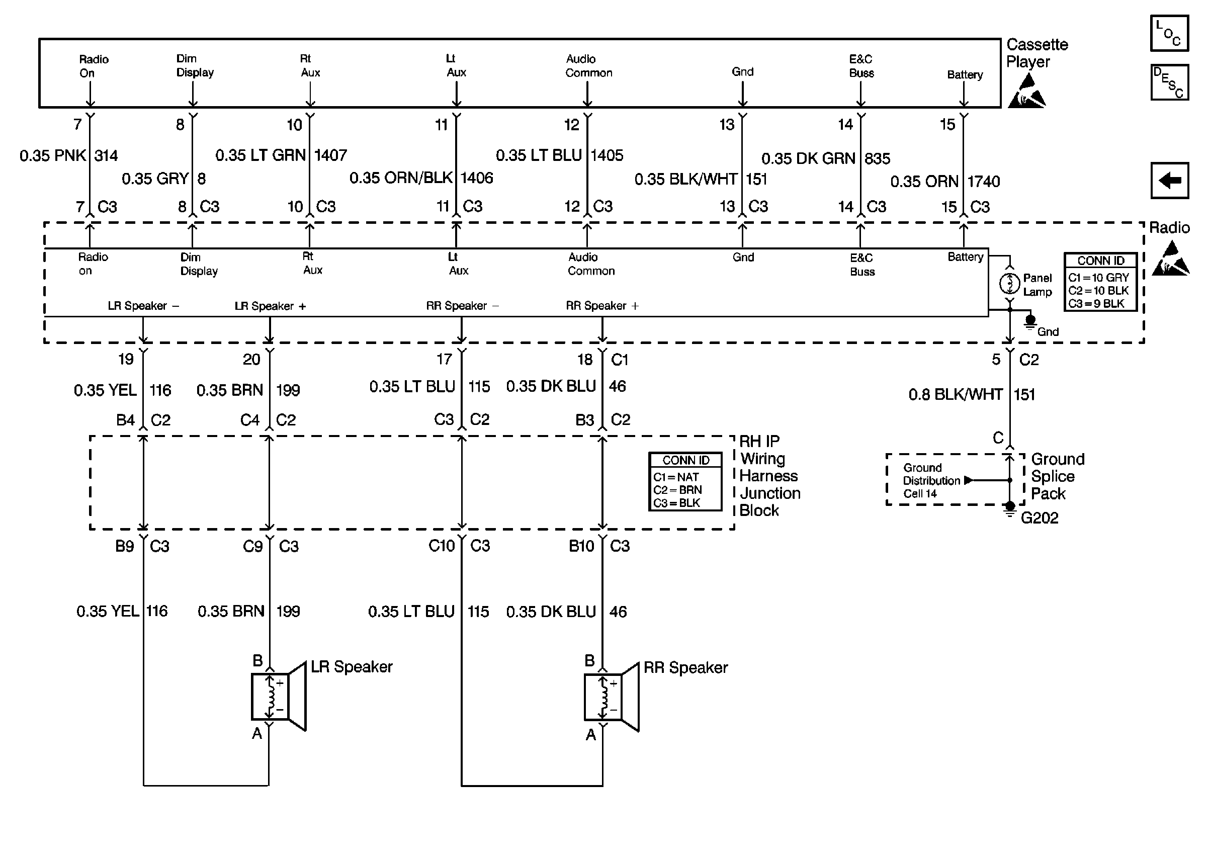
Cell 150: Front Speakers, Chevrolet w/ Remote Playback
Cell 150: Front Speakers, Oldsmobile
Handling ESD Sensitive Parts Notice
Ground Distribution Schematics
Figure 5:

Cell 150: Front Speakers, Chevrolet w/ Remote Playback


Object Number: 264774  Size: FS
Entertainment Components
Radio/Audio System Circuit Description
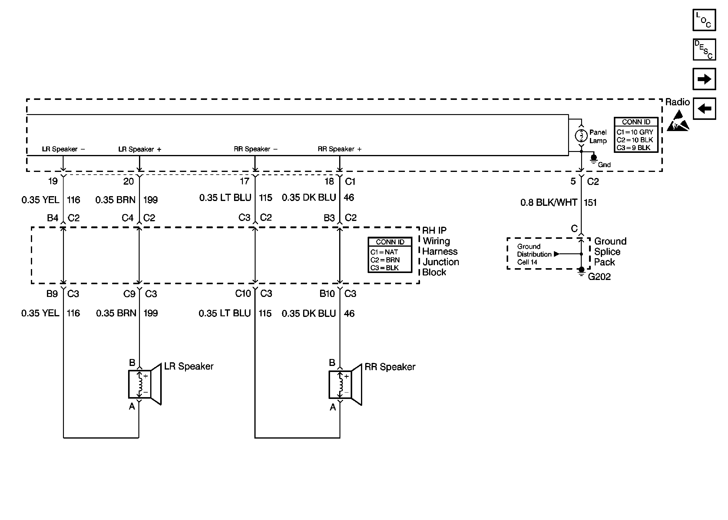
Cell 150: Rear Speakers, Chevrolet w/ Remote Playback
Cell 150: Rear Speakers, Oldsmobile
Power Distribution Schematics
Power Distribution Schematics
Exterior Lights Schematics
Interior Lights Dimming Schematics
Figure 6:

Cell 150: Rear Speakers, Chevrolet w/ Remote Playback


Object Number: 264776  Size: FS
Entertainment Components
Radio/Audio System Circuit Description
Cell 150: Front Speakers, Chevrolet w/ Remote Playback
Handling ESD Sensitive Parts Notice
Handling ESD Sensitive Parts Notice
Ground Distribution Schematics