GM Service Manual Online
For 1990-2009 cars only
Makes
🢒
Oldsmobile
🢒
1999
🢒
Cutlass
🢒
Body and Accessories
🢒
Body Control System
🢒 Data Link Communications Component Views
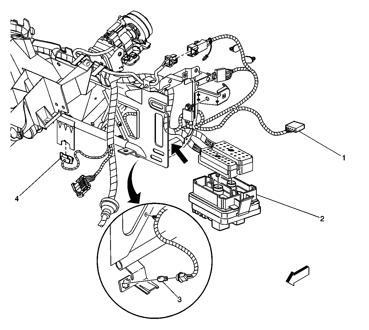
Left Side of the IP
(1)
Rear Compartment Lid Release Switch Connector
(2)
IP Wiring Harness Junction Block, Left Side
(3)
Courtesy Lamp, Left Side
(4)
Data Link Connector