GM Service Manual Online
For 1990-2009 cars only

Instrument Panel Accessory Trim Plate Replacement Chevrolet

Removal Procedure


    Object Number: 291468  Size: SH
  1. Remove the ignition key trim cover. Pry off with a flat bladed tool.
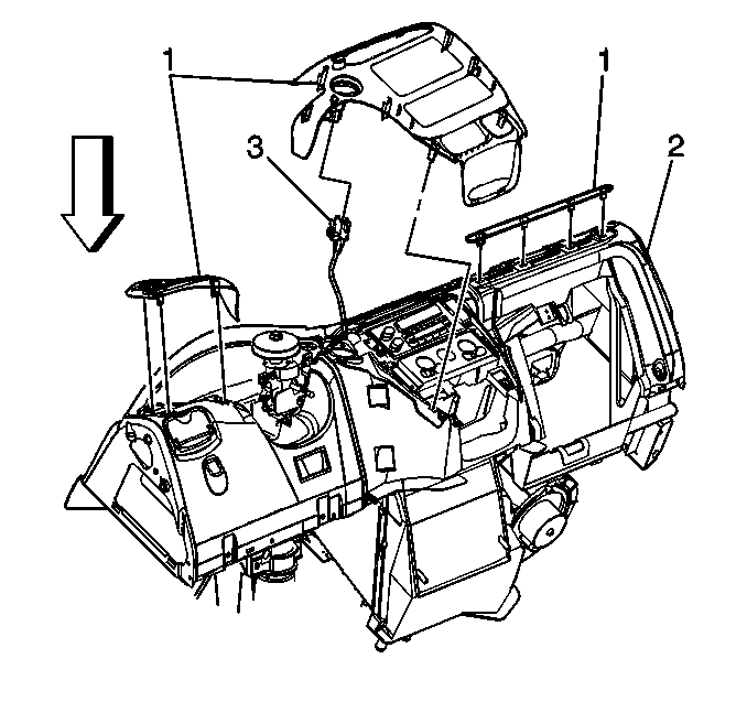
  2. Gently pull the plate (1) rearward in order to disengage the retainers from the instrument panel (2).
  3. Disconnect the cigarette lighter (3) connector.
  4. Disconnect the cigarette lighter (2) electrical connector.
  5. Remove the trim plate (1).

Installation Procedure


    Object Number: 291468  Size: SH
  1. Connect the cigarette lighter (3) electrical connector.
  2. Align the trim plate tabs (1) to the instrument panel (2).
  3. Snap the plate (1) into place.
  4. Install the ignition key trim cover. Ensure the unit is retained.

Instrument Panel Accessory Trim Plate Replacement Oldsmobile

Removal Procedure


    Object Number: 291508  Size: SH
  1. Remove the ignition key trim cover. Pry off with a flat bladed tool.
  2. Gently pull the plate (1) rearward in order to disengage the retainers from the instrument panel (2).
  3. Remove the plate (1).

Installation Procedure


    Object Number: 291508  Size: SH
  1. Connect the cigarette lighter (3) connector.
  2. Align the trim plate (1) tabs to the instrument panel.
  3. Snap the plate (1) into place.
  4. Install the ignition key trim cover. Ensure the unit is retained.