GM Service Manual Online
For 1990-2009 cars only

Removal Procedure

  1. Remove the side trim panel.

  2. Object Number: 276922  Size: SH
  3. Remove the hood latch release cable screw (2).
  4. Remove the hood latch release cable handle from the hinge pillar.
  5. Disconnect the hood latch release cable ball from the hood latch.
  6. Disconnect the hood latch release cable from the engine cowl by pushing the hood latch cable grommet from the engine compartment into the passenger compartment.

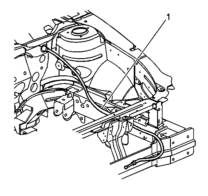
  7. Object Number: 276923  Size: SH
  8. Remove the hood latch release cable (1).

Installation Procedure


    Object Number: 276923  Size: SH
  1. Install the hood latch release cable (1) through the hole in the dash panel.
  2. Apply the sealer to the grommet. Pull the grommet from the engine compartment until the grommet is seated in the dash panel hole.
  3. Install the hood latch release cable ball to the hood release handle.
  4. Install the hood latch release cable handle to the hinge pillar.

  5. Object Number: 276922  Size: SH
  6. Install the hood latch release cable screw (2).
  7. Install the side trim panel retainers.