GM Service Manual Online
For 1990-2009 cars only
Makes
🢒
Oldsmobile
🢒
1999
🢒
Cutlass
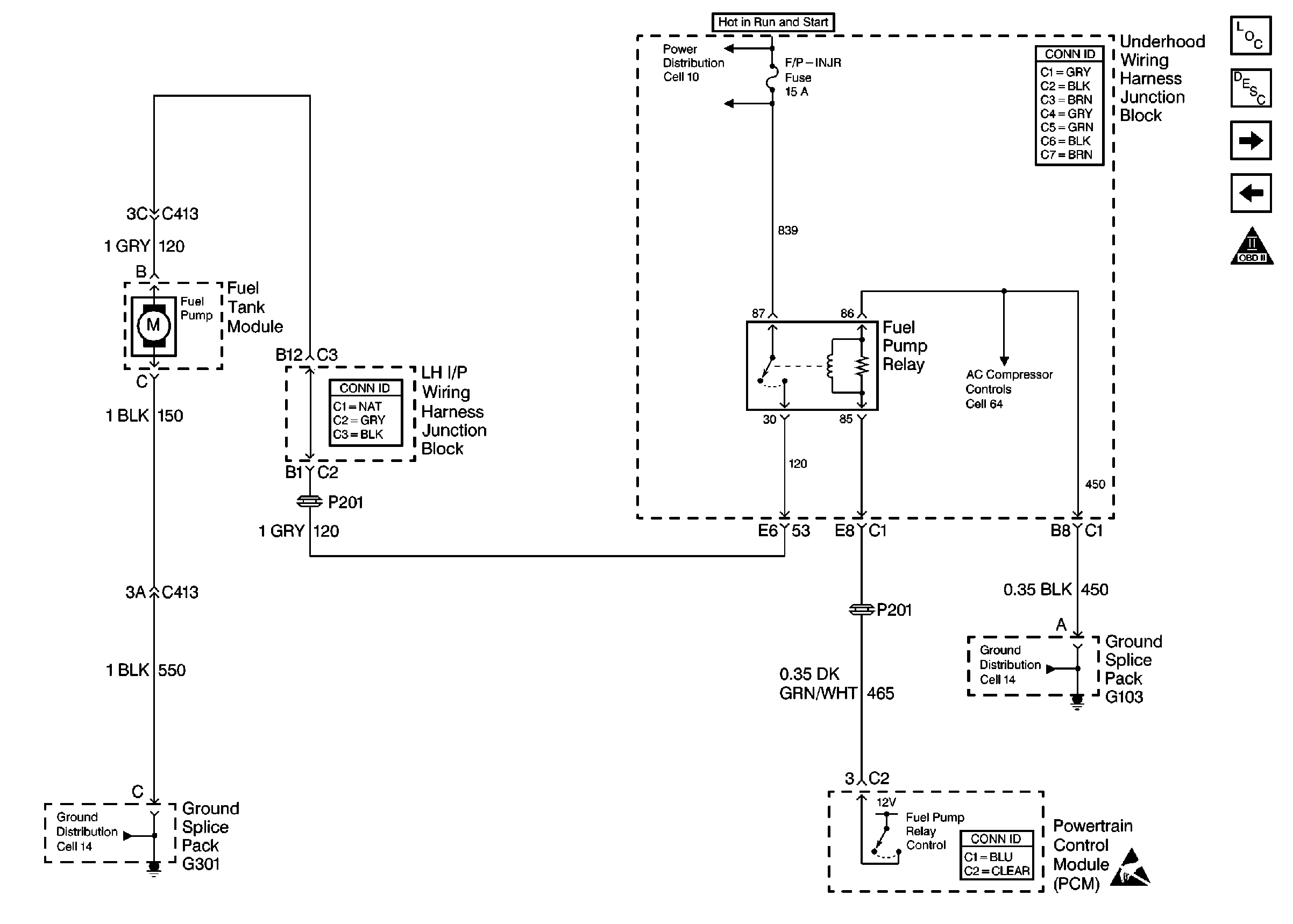
🢒 Cell 21: Fuel Controls
Cell 21: Fuel Controls
Cell 21: Fuel Controls
Engine Controls Components
Information Sensors/Switches Description
Cell 21: Fuel Injectors
Cell 21: Ignition Controls
OBDII Symbol Description Notice
Handling Electrostatic Discharge Sensitive Parts Notice