GM Service Manual Online
For 1990-2009 cars only
Makes
🢒
Oldsmobile
🢒
1999
🢒
Cutlass
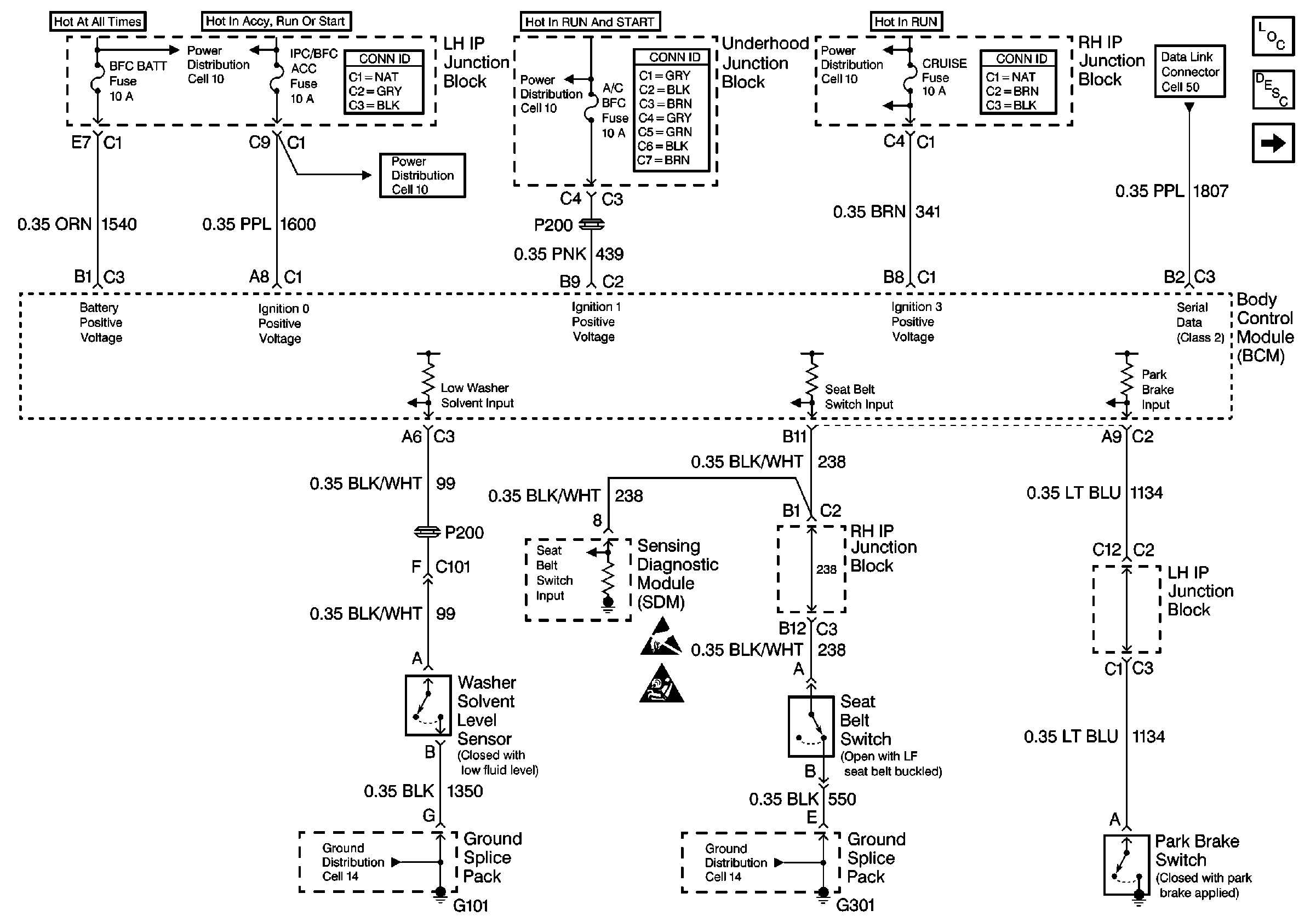
🢒 Cell 51: SDM, Washer Solvent Lever Sensor, Seat Belt Switch and Park Brake Switch
Cell 51: SDM, Washer Solvent Lever Sensor, Seat Belt Switch and Park Brake Switch
Cell 51: SDM, Washer Solvent Lever Sensor, Seat Belt Switch and Park Brake Switch
Body Control Module Components
Cell 51: Ignition Switch and Left Front Door Ajar Switch
SIR Handling Caution
Handling ESD Sensitive Parts Notice
Power Distribution Schematics
Power Distribution Schematics
Power Distribution Schematics
Power Distribution Schematics
Data Link Connector Schematics
Ground Distribution Schematics
Ground Distribution Schematics
Ground Distribution Schematics