GM Service Manual Online
For 1990-2009 cars only
Makes
🢒
Oldsmobile
🢒
1999
🢒
Cutlass
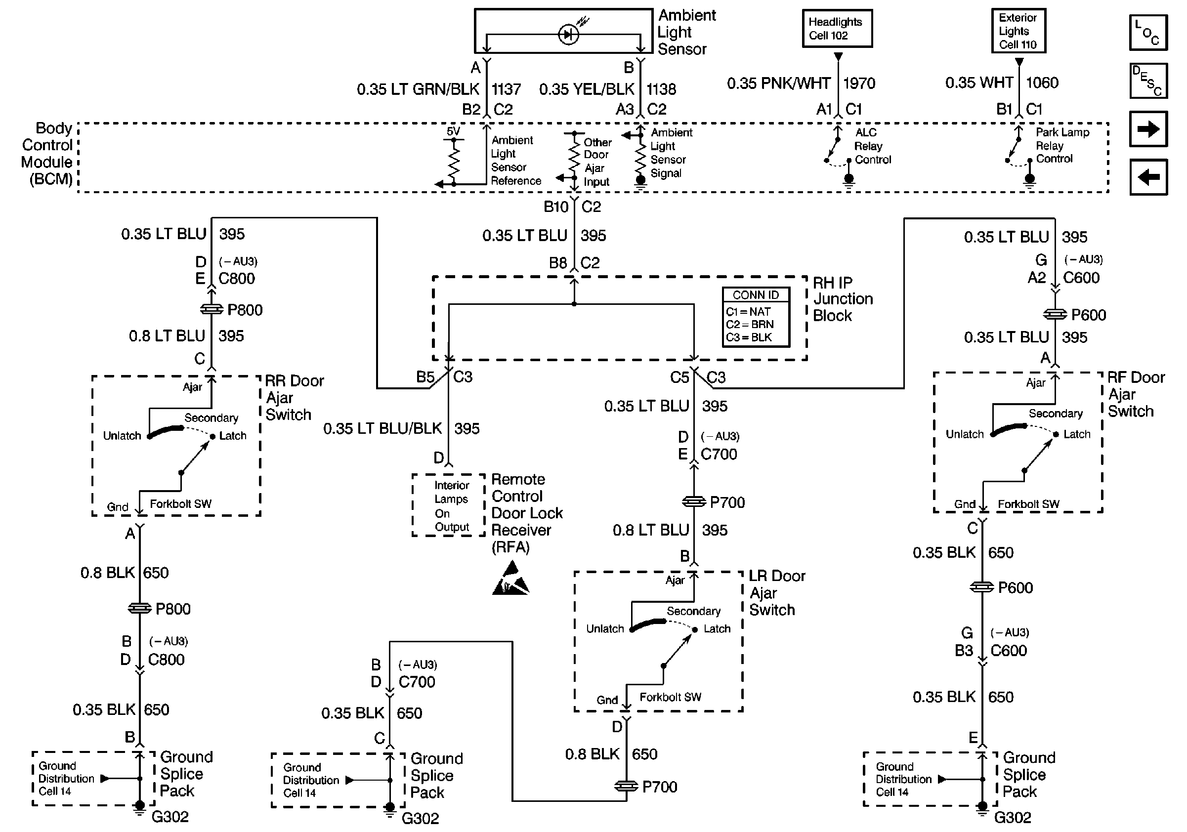
🢒 Cell 51: Remote Control Door Lock Receiver and Right Rear, Left Rear, Right Front Door Ajar Switches
Cell 51: Remote Control Door Lock Receiver and Right Rear, Left Rear, Right Front Door Ajar Switches
Cell 51: Remote Control Door Lock Receiver and Right Rear, Left Rear, Right Front Door Ajar Switches
Body Control Module Components
Cell 51: Fuel Tank Module, Instrument Cluster and Passlock ™ Cylinder
Cell 51: Ignition Switch and Left Front Door Ajar Switch
Handling ESD Sensitive Parts Notice
Headlights/Daytime Running Lights (DRL) Schematics
Exterior Lights Schematics
Ground Distribution Schematics
Ground Distribution Schematics
Ground Distribution Schematics