GM Service Manual Online
For 1990-2009 cars only
Makes
🢒
Oldsmobile
🢒
1999
🢒
Cutlass
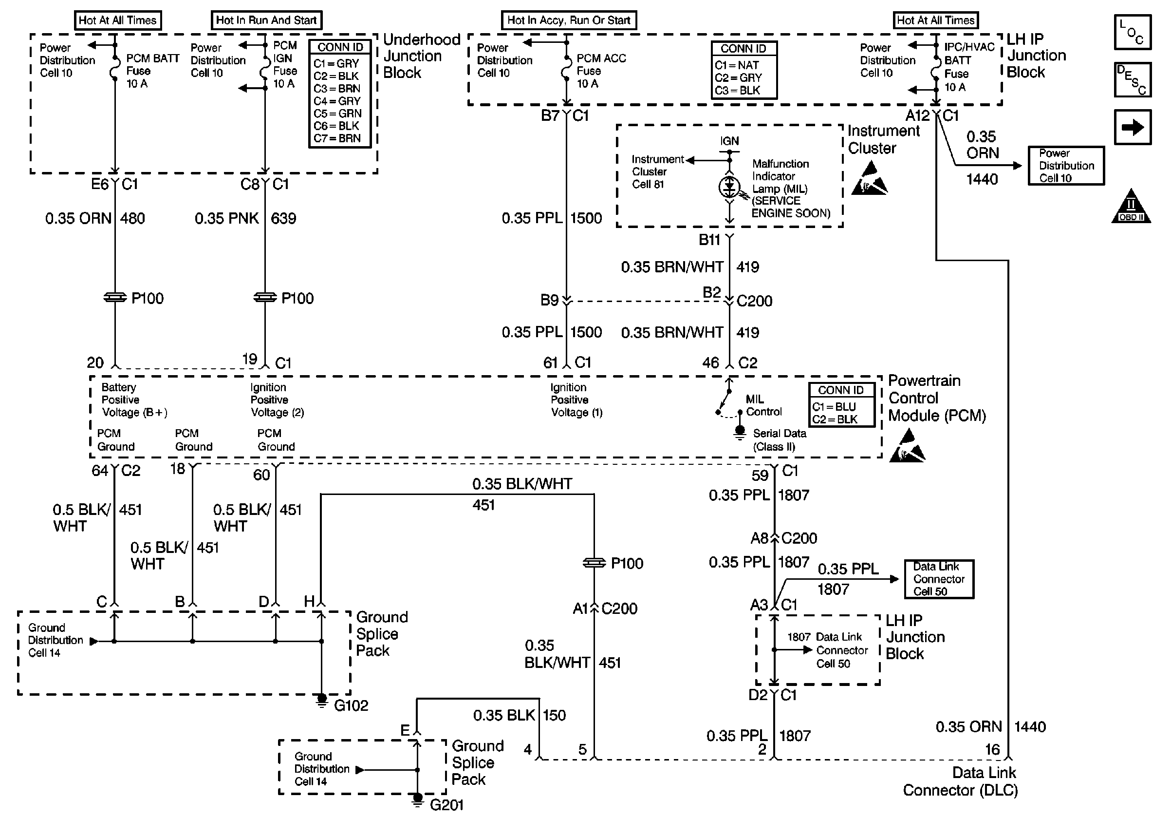
🢒 Cell 23: Power, Ground, MIL, and DLC
Cell 23: Power, Ground, MIL, and DLC
Cell 23: Power, Ground, MIL, and DLC
Engine Controls Component Views
Powertrain Control Module Description
Cell 23: Ignition Controls
OBD II Symbol Description Notice
Handling ESD Sensitive Parts Notice
Cell 10: LH BEC BATT 1, AUX PWR/CIGAR, PARK LPS, PCM BATT, PWRSEAT, PWR MIRROR, DR LOCK and TRUNK REL/RFA Fuses
Cell 10: IGN MOD, BU LMP/BTSI, PCM IGN, F/P INJR, A/C BFC, AUTO TRANS, ABS IGN Fuses
Power and Grounding Connector End Views
Cell 10: AIR BAG, TURN LPS, RDO ACC, WIPER, PCM ACC and IPC/BFC ACC FusEs
Power and Grounding Connector End Views
Cell 10: RH HDLP, LH HDLP, GEN BATT, LH BEC BATT 2, ABS BATT,STOP LPS, HAZARD LPS, IPC/HVAC BATT and BFC BATT Fuses
Instrument Cluster Ignition Voltage and Indicators 1 of 3
Power and Grounding Connector End Views
Cell 14: G102 and G104
Cell 10: RH HDLP, LH HDLP, GEN BATT, LH BEC BATT 2, ABS BATT,STOP LPS, HAZARD LPS, IPC/HVAC BATT and BFC BATT Fuses
Instrument Cluster Ignition Voltage and Indicators 1 of 3
Cell 50
Cell 14: G201
Handling ESD Sensitive Parts Notice