GM Service Manual Online
For 1990-2009 cars only
Makes
🢒
Oldsmobile
🢒
1999
🢒
Cutlass
🢒 Cell 23: EVAP and EGR Controls
Cell 23: EVAP and EGR Controls
Cell 23: EVAP and EGR Controls
Engine Controls Component Views
Powertrain Control Module Description
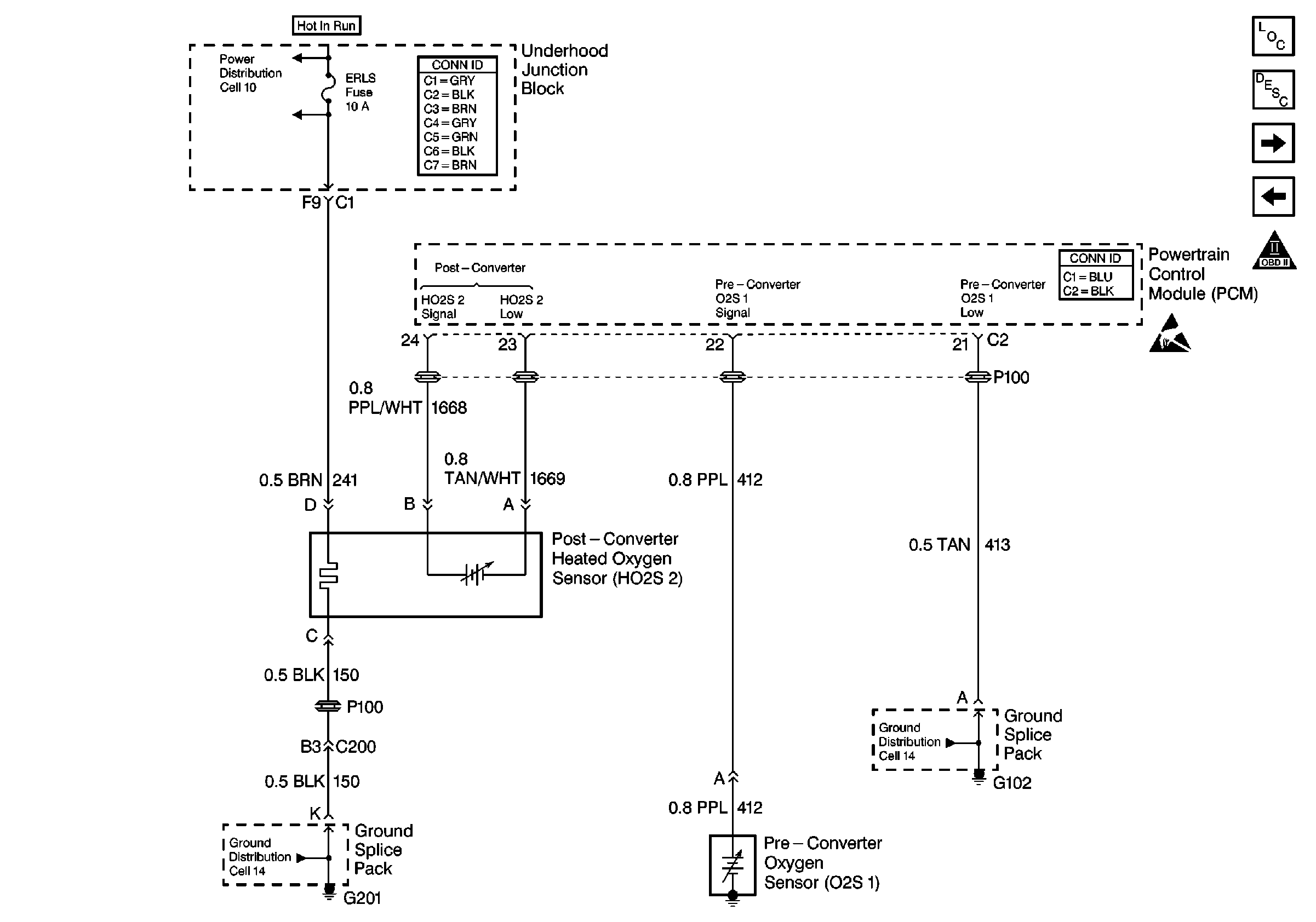
Cell 23: Oxygen Sensors
Cell 23: Engine Data Sensors
OBD II Symbol Description Notice
Cell 10: HTR A/C IGN, ERLS Fuses
Power and Grounding Connector End Views
Power and Grounding Connector End Views
Ground Distribution Schematics
Ground Distribution Schematics
Handling ESD Sensitive Parts Notice