GM Service Manual Online
For 1990-2009 cars only

Refer to

Cell 21: A/C Controls


Object Number: 427306  Size: FS
Engine Controls Components
Information Sensors/Switches Description
Cooling Fan Controls
Cell 21: Transaxle Controls (Switches)
OBD II Symbol Description Notice
Handling ESD Sensitive Parts Notice
.

Circuit Description

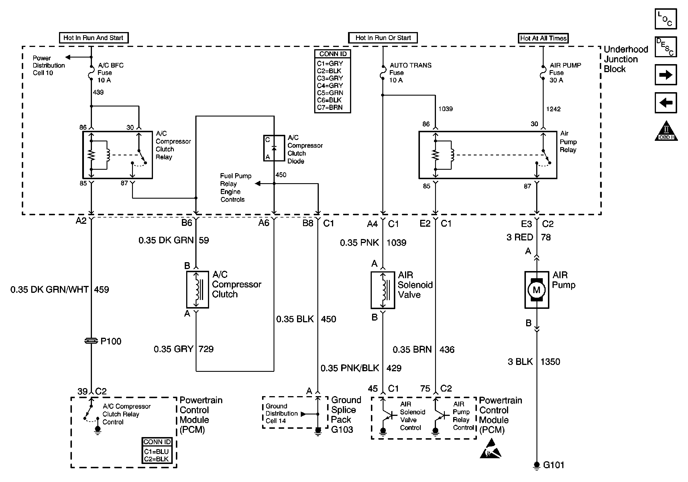
An AIR pump is used on this vehicle to lower tail pipe emissions on start-up. The PCM grounds the AIR pump relay control circuit, which energizes the AIR pump. The PCM also grounds the AIR solenoid valve control circuit, which energizes the AIR solenoid valve. The PCM enables both circuits simultaneously when AIR system operation is desired. When the AIR system is active, the AIR pump forces fresh air into the exhaust stream in order to accelerate catalyst operation. The AIR solenoid valve replaces the conventional check valve. When the AIR system is inactive the AIR solenoid valve prevents air flow in either direction. DTC P0412 applies to the AIR solenoid control circuit. DTC P0418 applies to the AIR pump relay control circuit. DTC P0410 sets if an air flow problem is detected.

The PCM will run up to 3 diagnostic tests using the HO2S1 voltage to diagnose the AIR system. The first test is a passive test, it has 2 parts. The two parts are named AIR Passive Test 1, and AIR Passive Test 2 on the scan tool. The second test is an active test, it has 1 part. This test is named AIR Active Test on the scan tool.

AIR Passive Test 1

AIR Passive Test 1 is performed during regular AIR pump operation. The AIR Passive Test 1 consists of the following:

  1. When the AIR system is enabled, the PCM monitors the HO2S1 voltage for a specific amount of time calculated by the coolant temperature at start-up. The HO2S1 is monitored for 10 seconds if the coolant temperature is above 90° C (194° F), or 70 seconds if the coolant temperature is below 90° C (194° F).
  2. If the HO2S1 voltage goes below a calibrated threshold, the PCM interprets this as an indication the the AIR sysyem is operational and it is considered a test passed.
  3. If the HO2S1 voltage does NOT go below a calibrated threshold, the PCM can not determine if the AIR system is operational and will proceed with the AIR Passive Test 2.

  4. When AIR Passive Test 1 completes, the PCM then runs the AIR Passive Test 2.

AIR Passive Test 2

AIR Passive Test 2 is performed during regular AIR pump operation. The AIR Passive Test 2 consists of the following:

  1. When the AIR system is disabled, the PCM monitors the HO2S1 voltage. The HO2S1 voltage should increase above a threshold and switch normally.
  2. When the AIR Passive Test 2 is complete and both AIR Passive tests indicate a pass, no further action is taken. If either one of the above tests have failed or is inconclusive, the diagnostic will proceed to the AIR Active Test.

AIR Active Test

The AIR Active Test has the PCM turn on the AIR pump specifically for diagnostic purposes. The AIR Active Test consists of the following:

  1. During this test the PCM turns the AIR system on during closed loop operation. When the AIR system is activated, the PCM monitors the HO2S voltage. If the AIR system is operating properly, the HO2S1 voltage should go below a predetermined threshold.
  2. The PCM will repeat this test up to 6 consecutive times with a short delay between each command.
  3. If the PCM determines that the HO2S1 voltage did not respond as expected during the tests, DTC P0410 will set.

Conditions for Running the DTC

    • DTCs P0101, P0102, P0103, P0107, P0108, P0112, P0113, P0117, P0118, P0121, P0122, P0123, P0171, P0172, P0300, P0412, P0418, P0442, P0443, P1441 and HO2S DTCs not set.
    • The engine operates for greater than 2 seconds.

AIR Passive Test 1 and AIR Passive Test 2

    • Engine Speed is greater than 600 RPM.
    • Engine load is less than 80%.
    • Engine air flow is less than 35 g/s.
    • Ignition voltage is greater than 11.0 volts.
    • Air fuel ratio is greater than 11.5:1.
    • ECT is between 4°C (40°F) and 115°C (239°F).
    • IAT is between 4°C (40°F) and 70°C (158°F).
    • Power Enrichment, Deceleration Fuel Cut Off, or Catalyst Over Temperature not active.
    • The AIR system is enabled for up to 70 seconds or until system goes into closed loop (on a hot start the AIR system operation will be delayed for 60 seconds after start-up).

Condition for Not Passing AIR Passive Test 1

The HO2S1 voltage goes above 600 mV for a calibrated amount of time during AIR pump operation.

Condition for Not Passing AIR Passive Test 2

The HO2S1 voltage does NOT go above 600 mV after the AIR pump is turned OFF.

AIR Active Test

    • The AIR Passive Test not passed.
    • The engine must operate in fuel trim cell 0 (Idle, Purge ON) for up to 130 seconds.
    • EVAP Purge Active in Cell 0 (Idle, Purge ON).
    • Maximum air flow is 35 g/s.
    • ECT is greater than 75°C (167°F).
    • Ignition voltage is greater than 11.0 volts.
    • Engine load is less than 42%.
    • Fuel system operating in Closed Loop.

Condition For Not Passing AIR Active Test

The HO2S1 voltage is above 225 mV for 1.5 seconds during 2.5 seconds of AIR pump operation.

Conditions for Setting the DTC

If the HO2S1 voltage does not behave as expected, a fail is reported.

Action Taken When the DTC Sets

    • The PCM will illuminate the malfunction indicator lamp (MIL) during the second consecutive trip in which the diagnostic test has been run and failed.
    • The PCM will store conditions which were present when the DTC set as Freeze Frame/Failure Records data.

Conditions for Clearing the MIL/DTC

    • The PCM will turn OFF the malfunction indicator lamp (MIL) during the third consecutive trip in which the diagnostic has run and passed.
    • The history DTC will clear after 40 consecutive warm-up cycles have occurred without a malfunction.
    • The DTC can be cleared by using a scan tool.

Diagnostic Aids

Notice: Use the connector test adapter kit J 35616-A for any test that requires probing the following items:

   • The PCM harness connectors
   • The electrical center fuse/relay cavities
   • The component terminals
   • The component harness connector
Using this kit will prevent damage caused by the improper probing of connector terminals.

Using Freeze Frame and/or Failure Records data may aid in locating an intermittent condition. If you cannot duplicate the DTC, the information included in the Freeze Frame and/or Failure Records data can aid in determining how many miles since the DTC set. The Fail Counter and Pass Counter can also aid determining how many ignition cycles the diagnostic reported a pass and/or a fail. Operate the vehicle within the same freeze frame conditions (RPM, load, vehicle speed, temperature etc.) that you observed. This will isolate when the DTC failed.

If the problem is intermittent, refer to symptoms.

Test Description

The numbers below refer to the step numbers on the diagnostic table.

  1. DTC P0412 AIR Solenoid Valve Control Circuit and P0418 AIR Pump Relay Control Circuit should be diagnosed first if either are set.

  2. Begins testing for a short to ground in the AIR pump feed circuit.

  3. Listen for a running motor. Command both the ON and OFF states. Repeat the commands as necessary.

  4. Begins testing for a short to voltage in the pump feed circuit.

  5. Tests for voltage at the AIR pump relay switch feed circuit.

  6. Bypasses the relay.

  7. Tests for voltage on the AIR pump feed circuit.

  8. Tests for an open on the pump ground circuit.

  9. The AIR Pump is not designed to run continuously. If the pump needs to be replaced, check for conditions that may cause continuous pump operation.

Step

Action

Value(s)

Yes

No

1

Did you perform the Powertrain On-Board Diagnostic (OBD) System Check?

--

Go to Step 2

Go to A Powertrain On Board Diagnostic (OBD) System Check

2

Are DTCs P0412 or P0418 set?

--

Go to Applicable DTC table

Go to Step 3

3

Is the AIR pump relay switch feed fuse OK?

--

Go to Step 4

Go to Step 13

4

With a scan tool, command the AIR pump ON and OFF.

Does the AIR pump turn ON and OFF with each command?

--

Go to Step 10

Go to Step 5

5

Does the AIR pump run continuously?

--

Go to Step 16

Go to Step 6

6

  1. Disconnect the AIR pump relay.
  2. Probe the relay switch feed circuit using a J 35616-200

Does the test lamp illuminate?

--

Go to Step 7

Go to Step 17

7

With a fused jumper wire, jumper the relay switch feed circuit to the AIR pump feed circuit.

Does the AIR pump operate?

--

Go to Step 25

Go to Step 8

8

  1. Leave the fused jumper in place.
  2. Disconnect the AIR pump.
  3. Probe the feed circuit of the pump with a test lamp that is connected to a good ground.

Does the test lamp illuminate?

--

Go to Step 9

Go to Step 18

9

Connect a test lamp between the feed circuit of the pump and the ground circuit of the pump.

Does the test lamp illuminate?

--

Go to Step 27

Go to Step 19

10

  1. Disconnect the AIR hose/pipe from the AIR Pump.
  2. With a scan tool, command the AIR pump ON.

Is air flow present at the AIR pump outlet?

--

Go to Step 11

Go to Step 28

11

  1. Reconnect the AIR hose/pipe to the AIR pump.
  2. Disconnect the AIR hose/pipe from the AIR combination valve.
  3. With a scan tool, command the AIR pump ON.

Is air flow present at the AIR hose/pipe outlet?

--

Go to Step 12

Go to Step 22

12

Visually inspect the following:

    • With the engine running, test for engine vacuum at the AIR combination valve. If vacuum is not present, inspect for a damaged, pinched or disconnected vacuum line, a blocked/restricted vacuum port or a faulty vacuum control solenoid valve.
    • Inspect for a damaged, pinched or disconnected vacuum line between the vacuum control solenoid and the actuator diaphragm.

Was a problem found?

--

Go to Step 23

Go to Step 26

13

  1. Disconnect the AIR pump relay.
  2. Test the feed circuit of the relay switch for a short to ground.

Was a problem found?

--

Go to Step 20

Go to Step 14

14

  1. Disconnect the AIR pump.
  2. Test the feed circuit of the pump for a short to ground.

Was a problem found?

--

Go to Step 21

Go to Step 15

15

  1. Reconnect the relay.
  2. Reconnect the AIR pump.
  3. Install a new fuse.
  4. With a scan tool, command the AIR pump ON.

Does the fuse open?

--

Go to Step 28

Go to Diagnostic Aids

16

Disconnect the AIR pump relay.

Is the pump still running?

--

Go to Step 24

Go to Step 25

17

Repair the open relay switch feed circuit. Refer to Wiring Repairs

Is the action complete?

--

Go to Step 29

--

18

  1. Test for an open in the AIR pump feed circuit.
  2. Repair the circuit as necessary. Refer to Wiring Repairs

Did you find and correct the condition?

--

Go to Step 29

Go to Step 25

19

Repair the open/high resistance in the AIR pump ground circuit. Refer to Wiring Repairs

Is the action complete?

--

Go to Step 29

--

20

Repair the short to ground in the relay switch feed circuit. Refer to Wiring Repairs

Is the action complete?

--

Go to Step 29

--

21

Repair the short to ground in the AIR pump feed circuit. Refer to Wiring Repairs

Is the action complete?

--

Go to Step 29

--

22

Visually inspect the following and repair as necessary:

    • A blocked, or damaged combination valve
    • A restriction, blockage, disconnect or other damage to the AIR hoses/pipes from the combination valve to the exhaust system

Is the action complete?

--

Go to Step 29

--

23

Repair the vacuum system as necessary.

Is the action complete?

--

Go to Step 29

--

24

Repair the short to voltage in the AIR pump feed circuit. Refer to Wiring Repairs

Is the action complete?

--

Go to Step 29

--

25

Replace the AIR pump relay.

Is the action complete?

--

Go to Step 29

--

26

Replace the AIR combination valve.

Is the action complete?

--

Go to Step 29

--

27

  1. Check for poor connections at the AIR pump. Refer to Intermittents and Poor Connections Diagnosis
  2. Repair as necessary. Refer to Connector Repairs

Did you find and correct the condition?

--

Go to Step 29

Go to Step 28

28

Replace the AIR pump.

Is the action complete?

--

Go to Step 29

--

29

  1. With a scan tool, clear the DTCs.
  2. Turn OFF the ignition and wait 15 seconds
  3. Operate vehicle within the conditions that are required for this diagnostic to run. Refer to Conditions for Running the DTC.

Does the scan tool indicate that this test ran and passed?

--

Go to Step 30

Go to Step 2

30

With a scan tool, review Captured Info.

Are there any DTCs that have not been diagnosed?

--

Go to the applicable DTC table

System OK