GM Service Manual Online
For 1990-2009 cars only

HURST/OLDS W-40 OPTION APPEARANCE/FUNCTIONAL FEATURES

A limited number of 1983 Oldsmobile "K47" style cars are being built with the Hurst/Olds W-40 Option. W-40 includes the following items:

EXTERIOR APPEARANCE FEATURES

Special Paint Scheme Black (Paint Code 19) and Silver (Paint Code 16) with Red and Silver Accent Stripes Blacked Out Bumper Rub Strips, Headlamp Doors, Tail Lamps and Back Up Lamp Bezels Black and Argent Grille Amber Parking and Turn Lamp Lens Chrome and Argent Wheels with Red Accent Stripe (N83) Silver Front Lower Air Dam Black Deck Lid Spoiler Black (non-functional) Hood Scoop Hurst/Olds Front License Plate Dual Sport Mirrors (D35) Black (D68 available option) Halogen Headlamps (TT5 - std. on K47)

SCRIPTS

Hurst Olds 15th Anniversary Medallion for Front End Panel Shadow Lettered Hurst/Olds 15th Anniversary Door Script Decal and Right-Hand Lower Deck Lid Script

INTERIOR APPEARANCE/FUNCTIONAL FEATURES --------------------------------------- Reclining Bucket Seats (AR9 - std. on K47) Sport Steering Wheel (NK3 - std. on K47) Quartz Clock (U35) Sport Console (D55 - std. on K47) Gage Package with Tachometer (U21 - std. on K47) Hurst/Olds 15th Anniversary Instrument Panel Emblem Lightning Rod Shifter with 4-Speed Instrument Panel Indicator Air Conditioning (C60) Required Trim Color - 21 Sand Gray Cloth, 25 Maple Red Cloth and 55 Maple Red Vinyl

POWER TRAIN

5.0L V-8 Engine 4-Speed Automatic Transmission (200 4R) Specific Calibration/Torque Converter (2400 RPM Stall Speed) 3.73 Axle Ratio (GT4 std.) Limited Slip Differential (available option) Transmission Gear Ratio - 1st - 2.74,-2nd - 1.57, 3rd - 1.00, 4th - .67 W.O.T. Upshift - 1 -2:5200 RPM, 2-3:4900 RPM, 34:4400 RPM

CHASSIS

Rear Air Shock Absorbers Dual Outlet Exhaust Specific Ride & Handling Package 15" (NB3) Wheels, Chrome and Argent with Red Accent Stripe, 7.0 X 15 in. P215/65R15 Goodyear Eagle GT Tires (QYH)

COMPONENT PART NUMBERS

ENGINE PART NO. ------ -------- 5.0L V-8 VIN Code 9 22520088 Long Duration High Performance Camshaft - (see fig. 1) 22519934 (Camshaft ID No. 9935 Stamped on Rear End of Shaft) High Rate Valve Springs 22510372 Aluminum intake Manifold 22504068 Crankshaft Harmonic Balancer 417142 Exhaust Valve (Special Alloy) 22521553 Intake Valve 22521789 Motor Mount (High Tensil Strength) 22521746

EMISSION CONTROLS PART NO. ----------------- -------- ECM Federal 16030223 California 16030443

Prom Federal 1226360 California 1226361

FUEL SYSTEM

Rochester 4MV Carburetor 17083553 Dual Snorkel Air cleaner with Chrome Cover 25042690 T.V.S. (Air Clearer) 22505266

INGITION SYSTEM

H.E.I. Distributor 1103457 Spark Plugs R46SX

EXHAUST SYSTEM*

Intermediate Exhaust Pipe 25510113 Muffler and Tall Pipe (right) 22513006 Muffler and Tall Pipe (left) 25513005 Catalylic Converter (Monolythic Bed) 25056345

*The side corners of the resonators are reworked to provide urderbody clearance. This is not the result of plant or carrier damage and warranty or transportation claims will not be accepted for this condition.

FLOOR SHIFTER OPERATION-HURST OLDS (Fig. 2) ---------------------------------- This car uses a three lever floor mounted shifter. The left hand lever controls Park, Reverse, Neutral, Overdrive and Drive detents. Placing this lever in the overdrive detent will allow the transmission to shift from first thru overdrive.

The center lever is used to 'Lock-In' second gear, and the right hand lever is used to 'Lock-in' first gear. To use the 'Lock-in' feature for first and second gear the left hand lever must be placed in the drive detent.

To 'Lock-in' second gear, push the button on the center lever down and pull lever back. Next, to 'Lock-in' first gear, push the button on the right hand lever down and pull lever back. When the first and second gear 'Lock-in' levers are used, it is necessary to manually upshift the transmission. This is done by moving the right hand (first gear) and center (second gear) lever forward respectively.

To manually downshift the transmission from drive to second gear, push the button on the center lever down and pull lever back. To manually downshift to first gear, downshift to second, then push the buttom on the right hand lever down and pull lever back.

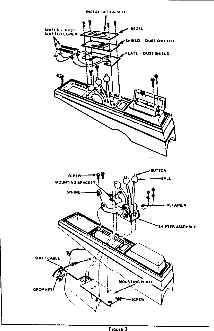
SHIFTER COMPONENTS (See Fig. 3)* PART NO. ------------------ -------- Hurst Lightning Rod Shifter Ass'y 22520889 Shifter Cable 357746 Shifter Cable Bracket 22521603 Shifter Escutcheon Plate 22520892 Shifter Knob 22521236 Shifter Button 22521235 Dust Seal 22520890 Dust Shield Lower (2 pcs.) 22521771 Console Shifter Bezel 22520892

*These are the only shifter parts that are serviceable

SUSPENSION & STEERING COMPONENTS

Rear Air Adjustable Shock Absorber (right) 22012060 Rear Air Adjustable Shock Absorber (left) 22012059 Rear Anti-Sway Bar 10005797 Front Shock Absorbers 4993579 Front Anti-Sway Bar 472116 Power Stearing Gear Ass'y 7843135

EXTERIOR COMPONENTS PART NO. -------------------- -------- Air Dam - Corner 22520874 Air Dam - Right 22520875 Air Dam - Left 22520876 Air Dam - Rotainer 22520877 Air Dam Mounting Bracket - Left 22520878 Air Dam Mounting Bracket - Right 22520879 Air Dam Extension Bracket 22520880 Air Dam Retainer 22520881 Air Dam Reinforcing Retainer (2 pcs.) 22521767 Hood Scoop Assembly 22520882 Hood Scoop Center Molding 22520885 Front Hood Center Molding 22520884 Front Hood Scoop Shims (4 pcs.) 22521770 Rear Deck Lid Spoiler Assembly 22520887 Rear Deck Lid Spoiler Insulator 22520888 Hurst/Olds License Plate 22520895 Trunk Torque Rod (2 pcs.) 20446564 & 20446565

EXTERIOR GRAPHICS

Front Fender Lower Stripe - Right 22520140 Front Fender Lower Stripe - Left 22520141 Door Lower Stripe - Right 22520142 Door Lower Stripe - Left 22520143 Quarter Panel Lower Stripe - Right 22520144 Quarter Panel Lower Stripe - Left 22520145 Door/Deck Lid Hurst/Olds Logo 22520146 Air Dam Black Decal - Right 22521768 Air Dam Black Decal - Left 22521769

SPECIFICATIONS

ENGINE

Type Oldsmobile (LV2) V-8, 307 Cu. In. Iron Block and Heads, Aluminum Intake Manifold Bore and Stroke Bore: 3.800" (96.5mm) Stroke: 3.385" (85.98mm) Compression Ratio 8:0:1 Caburetion 1 X 4 Rochester 4MV Quadrajet Power (SAE Net) 180 bhp @ 4000 RPM Torque (SAE Net) 245 Lbs. Ft. @ 3200 RPM Exhaust System Low Restriction, Dual Outlet Mufflers Fuel Requirements Unleaded Carb Stop Screw Adjustment 550 RPM - DR A/C Solenoid Adjustment 650 RPM - DR A/C Off High Idle Adjustment 750 RPM - Low Step of Fast Idle Cam (in drive) Ignition Timing @ 1100 RPM - Diagostic Connector Grounded 20 BTDC Spark Plug Gap .080"

SUSPENSION

Front Independent Unequal Length Control Arms, Coil Springs, Anti-sway Rear Bar (1.25 in. Diameter) Rigid Axle, 4 Trailing Links, Coil Springs, Anti-sway Bar (.875 in. Diameter) Rear Shock Absorbers Super Lift Air Shock System (This System is Covered in the 1983 Chassis Service Manual Page 3D2-5)

STEERING

Type Recirculating Ball, Power Assisted Ratio 12.70:1 Turns Stop to Stop 2.5

BRAKES

Front 10.5 X 1.0 in. Vented Disc Rear 9.5 X 2.0 in. Cast Iron Drums

DIMENSION AND CAPACITIES

Wheel Base 108.1 in. Length 200.0 in. Width 71.6 in. Curb Weight 3535 Lbs. Weight Distribution F/R 58.9 %/41.1% Fuel Tank Capacities 18.1 U.S. Gallons


Object Number: 87358  Size: LF


Object Number: 88837  Size: LF


Object Number: 88572  Size: FS

General Motors bulletins are intended for use by professional technicians, not a "do-it-yourselfer". They are written to inform those technicians of conditions that may occur on some vehicles, or to provide information that could assist in the proper service of a vehicle. Properly trained technicians have the equipment, tools, safety instructions and know-how to do a job properly and safely. If a condition is described, do not assume that the bulletin applies to your vehicle, or that your vehicle will have that condition. See a General Motors dealer servicing your brand of General Motors vehicle for information on whether your vehicle may benefit from the information.