GM Service Manual Online
For 1990-2009 cars only

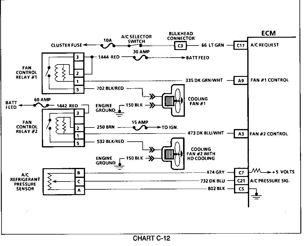
SERVICE MANUAL UPDATE-SEC. 6E3 COOLING FAN RELAY WIRING SCHEM

SUBJECT: COOLING FAN RELAY G-SCHEMATIC CORRECTION

MODELS/YEARS: 1993 CUTLASS SUPREME WITH THE 3.4L (VIN X) ENGINE

The 1993 Cutlass Supreme Cooling Fan wiring schematic as shown is incorrect in Chart C-12, Pages 6E3-C12-2 and 4.

The Primary Cooling Fan Control Relay #1 Terminals 2 and 3, Circuit 1444 (Red), should be shown spliced together.

Please make corrections to your copy of the service manual.


Object Number: 86706  Size: LF

General Motors bulletins are intended for use by professional technicians, not a "do-it-yourselfer". They are written to inform those technicians of conditions that may occur on some vehicles, or to provide information that could assist in the proper service of a vehicle. Properly trained technicians have the equipment, tools, safety instructions and know-how to do a job properly and safely. If a condition is described, do not assume that the bulletin applies to your vehicle, or that your vehicle will have that condition. See a General Motors dealer servicing your brand of General Motors vehicle for information on whether your vehicle may benefit from the information.