GM Service Manual Online
For 1990-2009 cars only

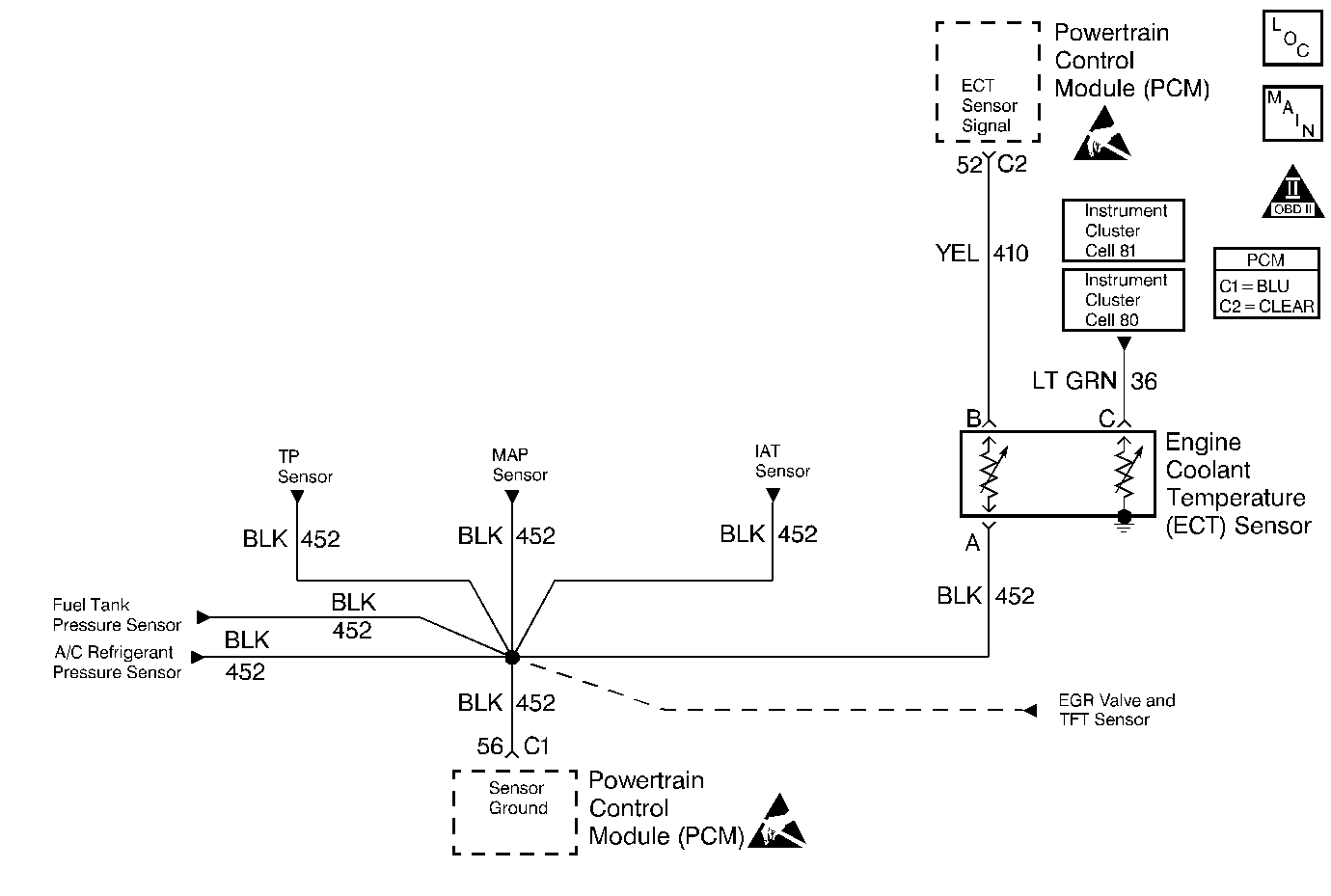
Object Number: 22732  Size: MF
Engine Controls Components
A/C Presure, Fuel Tank Pressure, TP, MAP, IAT, ECT Sensors
OBD II Symbol Description Notice
Handling ESD Sensitive Parts Notice
Handling ESD Sensitive Parts Notice

Circuit Description

The engine coolant temperature (ECT) sensor is a thermistor mounted in the engine coolant stream. The PCM applies a voltage (about 5.0 volts) through a pull up resistor to the ECT signal circuit. When the engine coolant is cold, the sensor (thermistor) resistance is high, therefore the PCM will measure a high signal voltage. As the engine coolant warms, the sensor resistance becomes less, and the ECT signal voltage measured at the PCM drops. With a fully warmed up engine, the ECT signal voltage should measure about 1.5 to 2.0 volts. If the PCM detects an ECT signal that is intermittently below the range of the ECT sensor, DTC P1114 will set.

Conditions for Setting the DTC

    • The engine has been running longer than 3 seconds.
    • The ECT sensor intermittently indicates a signal voltage less than 0.74 volt.

Action Taken When the DTC Sets

    • The PCM will not illuminate the malfunction indicator lamp (MIL).
    • The PCM will store conditions which were present when the DTC set as Failure Records data only. This information will not be stored as Freeze Frame data.

Conditions for Clearing the MIL/DTC

    • A History DTC will clear after 40 consecutive warm-up cycles have occurred without a malfunction.
    • The DTC can be cleared by using the scan tool Clear Info function.

Diagnostic Aids

Check for the following conditions:

    • Poor connection at the PCM.
        Inspect harness connectors for backed out terminals, improper mating, broken locks, improperly formed or damaged terminals, and poor terminal to wire connection.
    • Damaged harness.
        Inspect the wiring harness for damage.
    • If the harness appears to be OK, observe the ECT display on the scan tool while moving connectors and wiring harnesses related to the ECT sensor. A change in the ECT display will indicate the location of the malfunction.
    • Skewed or mis-scaled ECT Sensor.
        Refer to Temperature vs Resistance table.

Reviewing the Fail Records vehicle mileage since the diagnostic test last failed may help determine how often the condition that caused the DTC to be set occurs. This may assist in diagnosing the condition.

DTC P1114 - ECT Sensor Circuit Intermittent Low Voltage

Step

Action

Value(s)

Yes

No

1

Was the Powertrain On-Board Diagnostic (OBD) System Check performed?

--

Go to Step 2

Go to Powertrain On Board Diagnostic (OBD) System Check

2

Select DTC info, Last Tst Fail and note any other DTCs set.

Is DTC P0117 also set?

--

Go to DTC P0117 Engine Coolant Temperature (ECT) Sensor Circuit Low Voltage

Go to Step 3

3

  1. Check the ECT signal circuit between the ECT sensor connector and the PCM for an intermittent short to ground.
  2. If a problem is found, repair as necessary. Refer to Repair Procedures in Electrical Diagnosis.

Was a problem found?

--

Go to Step 4

Go to Diagnostic Aids

4

  1. Review and record scan tool Fail Records data.
  2. Clear DTCs.
  3. Operate the vehicle within Fail Records conditions as noted.
  4. Using a scan tool, monitor Specific DTC info for DTC P1114.

Does the scan tool indicate DTC P1114 failed?

--

Go to Step 2

System OK