GM Service Manual Online
For 1990-2009 cars only

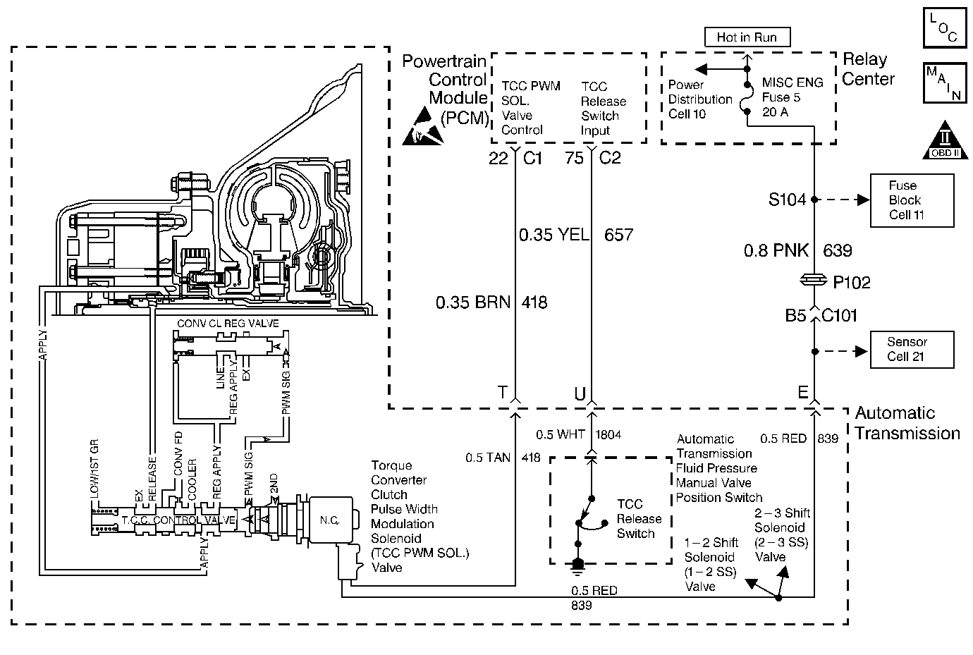
Object Number: 53469  Size: MF
Automatic Transmission Components
Automatic Transmission Controls Schematics
OBD II Symbol Description Notice
Handling ESD Sensitive Parts Notice

Circuit Description

The Powertrain Control Module (PCM) controls the Torque Converter Clutch Pulse Width Modulation Solenoid Valve (TCC PWM Sol. Valve). The solenoid controls the hydraulic fluid for TCC apply and release. When the TCC is fully applied, the engine is coupled directly to the transmission through the TCC.

The Torque Converter Clutch (TCC) used is the Electronically Controlled Converter Clutch (EC³, pronounced E-C cubed). The EC³ allows the TCC to slip without excessive wear. This allows smooth application and release of the TCC. The PCM will normally allow a small amount of slip to occur with the EC³. This prevents fluid pressure in the torque converter from becoming too great. Very high pressure in the torque converter will damage the converter. When the TCC PWM Sol. Valve engages the TCC, TCC slip speed is very low, but greater than 0 RPM.

If the PCM detects high torque converter slip when the TCC is commanded ON, then DTC P0741 sets. DTC P0741 is a Type B DTC.

Conditions for Setting the DTC

    • No TP DTCs P0121, P0122, or P0123 are set.
    • No VSS DTCs P0502, or P0503 are set.
    • No A/T ISS DTCs P0716, or P0717 are set.
    • No TCC Stuck ON DTC P0742 is set.
    • No TFP Val. Position Sw. DTC P1810 is set.
    • No TCC PWM Sol. Valve DTC P1860 is set.
    • The engine has been running for more than 5 seconds.
    • The gear range change is greater than 3 seconds.
    • The TCC Sol. Valve is commanded ON for 0.5 seconds.
    • The throttle angle is 5-30%.
    • Not in fuel shut off
    • The transmission gear range is D4, D3, or D2.
    • The transmission fluid temperature is 20-130°C (68-266°F).
    • The TCC slip speed is greater than 250 RPM.
    • All of the above conditions are met for greater than 8 seconds.

Action Taken When the DTC Sets

    • The PCM illuminates the Malfunction Indicator Lamp (MIL) after 2 consecutive ignition cycles without a failure reported.
    • The PCM inhibits Torque Converter Clutch.
    • The PCM inhibits 4th gear if the transmission is in hot mode.
    • The PCM disables shift adapts.

Conditions for Clearing the MIL/DTC

    • The PCM turns OFF the MIL after three consecutive ignition cycles without a failure reported.
    • A scan tool can clear the DTC from the PCM history. The PCM clears the DTC from the PCM history if the vehicle completes 40 warm-up cycles without a failure reported.
    • The PCM cancels the DTC default actions when the fault no longer exists and the ignition is OFF long enough in order to power down the PCM.

Diagnostic Aids

    • Inspect the transmission fluid level.
    • The transmission may be in hot mode. Inspect the transmission fluid lines to the radiator. The lines may be pinched, plugged or twisted.

Test Description

The numbers below refer to the step numbers on the diagnostic chart.

  1. Step 5 verifies that the TCC engages when commanded ON by the scan tool.

DTC P0741

Step

Action

Value(s)

Yes

No

1

Was the Powertrain On-Board Diagnostic (OBD) System Check performed?

--

Go to Step 2

Go to Powertrain On Board Diagnostic (OBD) System Check

2

Did you perform the transmission fluid checking procedure?

--

Go to Step 3

Go to Transmission Fluid Check

3

  1. Install the Scan Tool ®.
  2. With the engine OFF, turn the ignition switch to the RUN position.
  3. Important: Before clearing the DTCs, use the scan tool in order to record the Freeze Frame and Failure Records for reference. The Clear Info function will erase the data.

  4. Record the DTC Freeze Frame and Failure Records.
  5. Start and run the engine.
  6. Set the scan tool to observe the TCC release pressure.

Is TCC release pressure present?

--

Go to Step 5

Go to Step 4

4

  1. Inspect the following components:
  2. • The TCC control valve
    • The TCC Feed limit valve
    • The TCC regulator apply valve
    • The TCC PWM solenoid valve
    • The pressure regulator valve
  3. Repair the components if necessary.

Refer to Transmission Overhaul , in Unit Repair.

Is the inspection or repair complete?

--

Go to Step 7

--

5

  1. Drive the vehicle at 72 km/h (45 mph).
  2. Select Output Test, TCC PWM on the scan tool.
  3. Command the TCC PWM solenoid ON and monitor the TCC slip speed display.

Is the slip speed within the specified value?

-50 to +100 RPM

Go to Diagnostic Aids

Go to Step 6

6

  1. Inspect the following components:
  2. • The TCC control valve
    • The TCC regulator valve
    • The TCC solenoid
    • The Turbine shaft seals
    • The torque converter clutch
  3. Repair the components if necessary.

Refer to Transmission Overhaul , in Unit Repair.

Is the inspection or repair complete?

--

Go to Step 7

--

7

In order to verify your repair, perform the following procedure:

  1. Select DTC.
  2. Select Clear Info.
  3. Operate the vehicle under the following conditions:
  4. • The throttle position is 5-30%
    • The TFT is 20-130°C (68-266°F).
    • The transmission range is D2, D3, or D4.
    • The engine speed is greater than 500 RPM for 5 seconds.
    • The time since the last gear change is greater than 3 seconds.
    • Not in fuel shut off.
    • The TCC is commanded at maximum capacity for 0.5 seconds.
    • The TCC slip speed is less than 50 RPM for 4 seconds.
  5. Select Specific DTC. Enter DTC P0741.

Has the test run and passed?

--

System OK

Begin diagnostic again. Go to Step 1