GM Service Manual Online
For 1990-2009 cars only

Air Cleaner Assembly Replacement VIN K

Removal Procedure


    Object Number: 179039  Size: SH
  1. Remove the IAT sensor connector (1) from the IAT sensor (2).

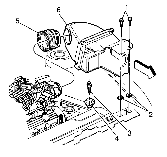
  2. Object Number: 183054  Size: SH
  3. Loosen the intake air duct (5) from the Mass Air Flow Sensor end of the intake air duct.
  4. Remove the intake air duct from the throttle body.
  5. Remove the screws from the air cleaner cover.
  6. Remove the rear half of the air cleaner assembly (6).
  7. Inspect air cleaner element.
  8. Remove any loose debris that may be found laying in the base of the air cleaner.
  9. Pivot the air cleaner (6) and intake air duct (5) assembly toward the front of the vehicle.
  10. Remove the bolts from the front half of the air cleaner assembly (1).
  11. Remove the front half of the air cleaner assembly.

Installation Procedure


    Object Number: 183054  Size: SH

    Notice: Use the correct fastener in the correct location. Replacement fasteners must be the correct part number for that application. Fasteners requiring replacement or fasteners requiring the use of thread locking compound or sealant are identified in the service procedure. Do not use paints, lubricants, or corrosion inhibitors on fasteners or fastener joint surfaces unless specified. These coatings affect fastener torque and joint clamping force and may damage the fastener. Use the correct tightening sequence and specifications when installing fasteners in order to avoid damage to parts and systems.

  1. Install the air cleaner assembly to the radiator support with the bolts (1).
  2. Tighten
    Tighten the bolts to 4 N·m (35 lb in).

  3. Install a new air cleaner element into the air cleaner assembly (6).
  4. Important: The outlet of the air cleaner assembly and the intake air duct must be lined up to the throttle body when completely installed. Misalignment may cause incorrect air flow readings resulting in MIL illumination or a driveabilty concern.

  5. Pivot the rear half of the air cleaner cover (6) and intake air duct (5) assembly down until the cover engages in the air cleaner base.
  6. Install the intake air duct (5) over the throttle body, being careful to ensure that the intake air duct is secure around the entire outer edge of the throttle body.
  7. Tighten
    Tighten the clamp assembly to 2 N·m (18 lb in).

  8. Install the screws from the air cleaner cover.
  9. Tighten
    Tighten the screws to 2 N·m (18 lb in).


    Object Number: 179039  Size: SH
  10. Connect the IAT sensor connector (1) to the IAT sensor (2).

Air Cleaner Assembly Replacement VIN 1

Removal Procedure


    Object Number: 179039  Size: SH
  1. Remove the IAT sensor connector (1) from the IAT sensor (2).

  2. Object Number: 184148  Size: SH
  3. Loosen the intake air duct (5) from the Mass Air Flow Sensor end of the intake air duct.
  4. Remove the intake air duct from the throttle body.
  5. Remove the screws from the air cleaner cover.
  6. Remove the rear half of the air cleaner assembly (6).
  7. Inspect air cleaner element.
  8. Remove any loose debris that may be found laying in the base of the air cleaner.
  9. Pivot the air cleaner (6) and intake air duct (5) assembly toward the front of the vehicle.
  10. Remove the bolts from the front half of the air cleaner assembly (1).
  11. Remove the front half of the air cleaner assembly.

Installation Procedure

    Notice: Use the correct fastener in the correct location. Replacement fasteners must be the correct part number for that application. Fasteners requiring replacement or fasteners requiring the use of thread locking compound or sealant are identified in the service procedure. Do not use paints, lubricants, or corrosion inhibitors on fasteners or fastener joint surfaces unless specified. These coatings affect fastener torque and joint clamping force and may damage the fastener. Use the correct tightening sequence and specifications when installing fasteners in order to avoid damage to parts and systems.


    Object Number: 184148  Size: SH
  1. Install the air cleaner assembly to the radiator support with the bolts (1).
  2. Tighten
    Tighten the bolts to 4 N·m (35 lb in).

  3. Install a new air cleaner element into the air cleaner assembly (6).
  4. Important: The outlet of the air cleaner assembly and the intake air duct must be lined up to the throttle body when completely installed. Misalignment may cause incorrect air flow readings resulting in MIL illumination or a driveabilty concern.

  5. Pivot the rear half of the air cleaner cover (6) and intake air duct (5) assembly down until the cover engages in the air cleaner base.
  6. Install the intake air duct (5) over the throttle body, being careful to ensure that the intake air duct is secure around the entire outer edge of the throttle body.
  7. Tighten
    Tighten the clamp assembly to 2 N·m (18 lb in).

  8. Install the screws from the air cleaner cover.
  9. Tighten
    Tighten the screws to 2 N·m (18 lb in).


    Object Number: 179039  Size: SH
  10. Connect the IAT sensor connector (1) to the IAT sensor (2).