GM Service Manual Online
For 1990-2009 cars only
Figure 1:

Cell 147: Oldsmobile Without Memory Mirrors


Object Number: 470025  Size: FS
Power Door Systems Components
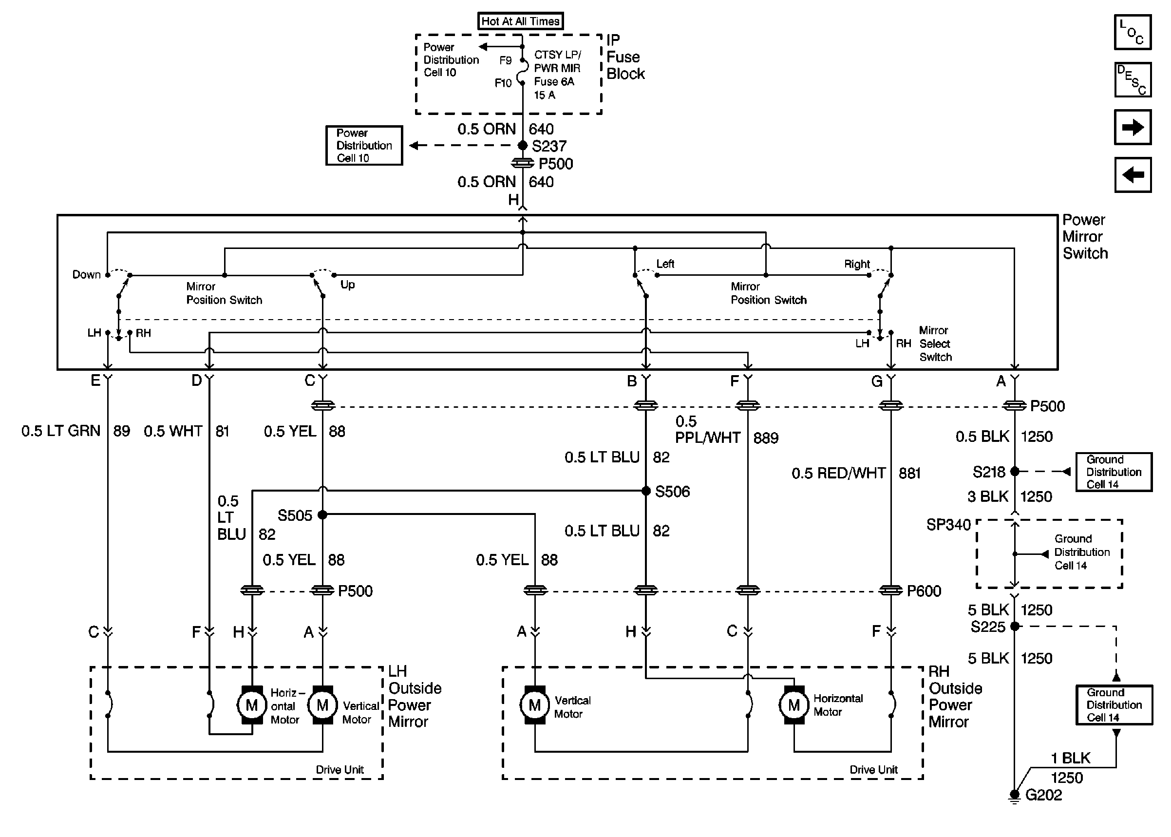
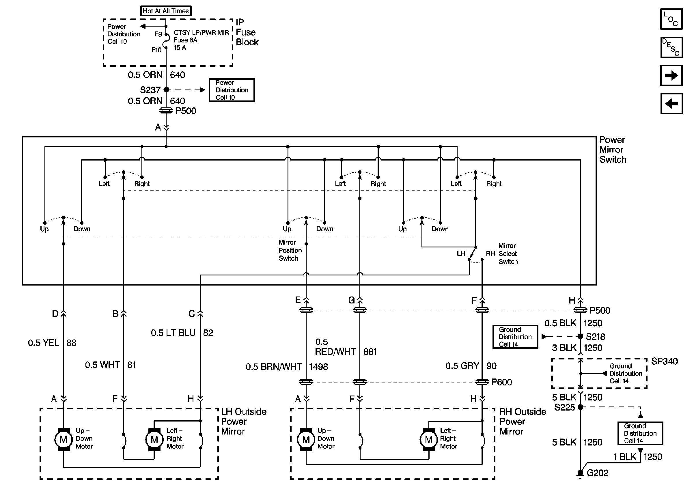
Cell 147: Left Outside Rear View Mirror, IP Fuse Block and Mirror Switch(Buick)
Power Distribution Schematics
Power Distribution Schematics
Ground Distribution Schematics
Ground Distribution Schematics
Outside Mirrors Circuit Description Without Memory
Ground Distribution Schematics
Figure 2:

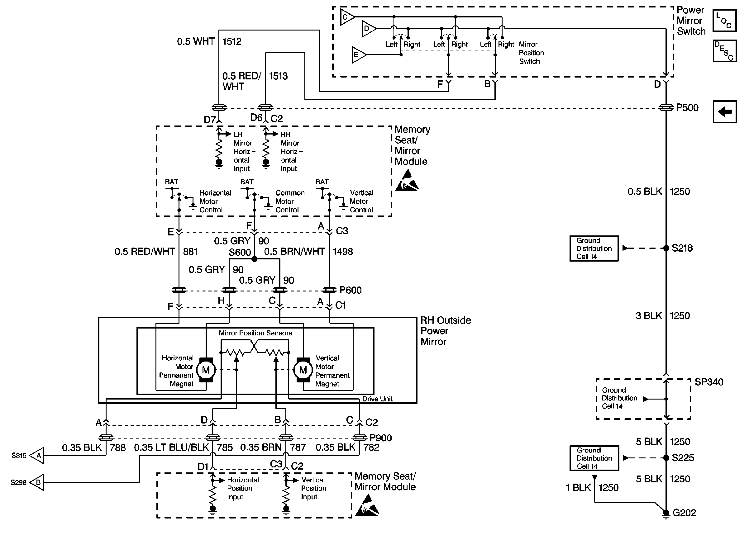
Cell 147: Left Outside Rear View Mirror, IP Fuse Block and Mirror Switch (Buick)


Object Number: 470026  Size: FS
Power Door Systems Components
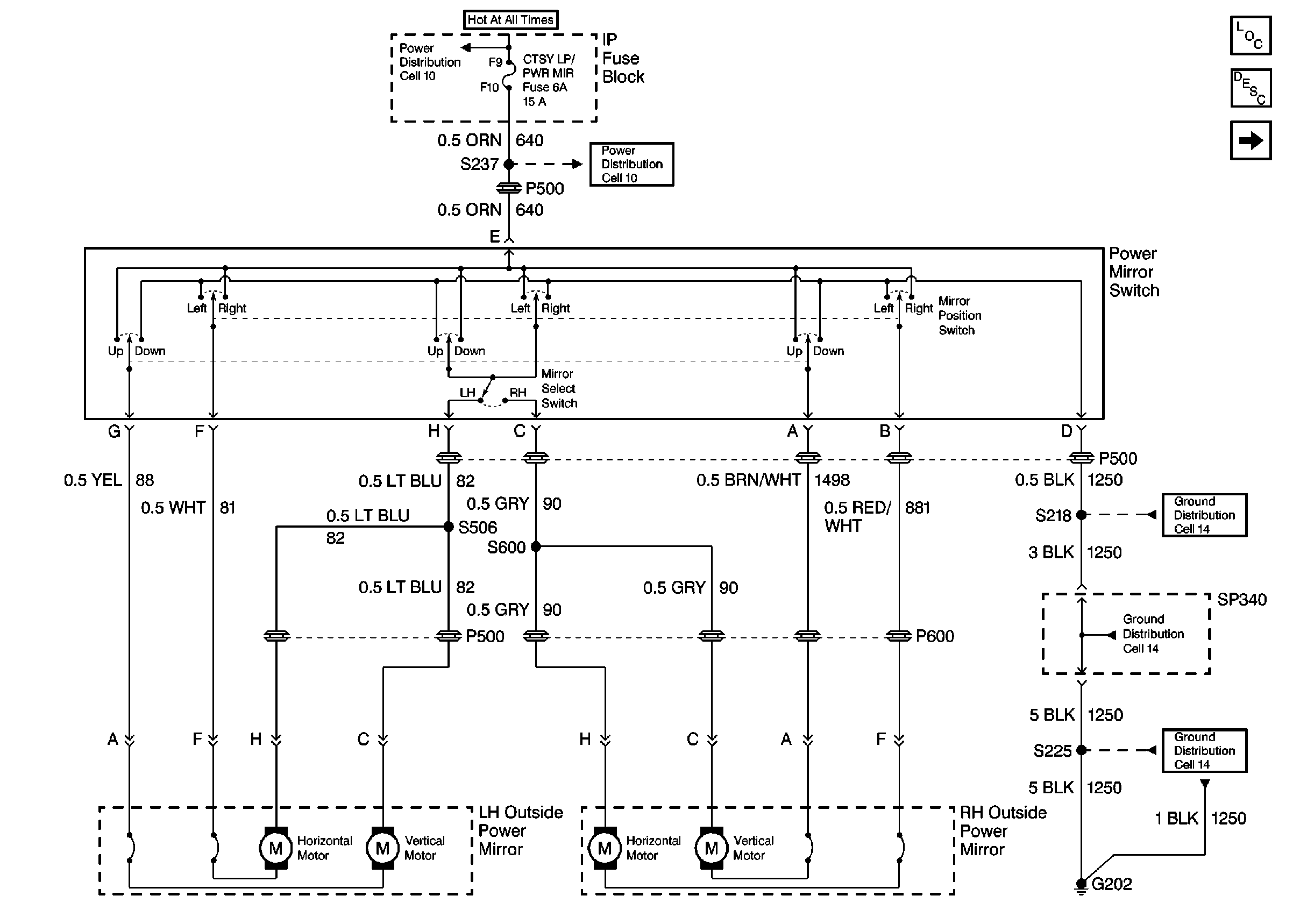
Cell 147: IP Fuse Block (Pontiac)
Cell 147: Oldsmobile Without Memory Mirrors
Power Distribution Schematics
Power Distribution Schematics
Ground Distribution Schematics
Ground Distribution Schematics
Ground Distribution Schematics
Outside Mirrors Circuit Description Without Memory
Figure 3:

Cell 147: IP Fuse Block (Pontiac)


Object Number: 470027  Size: FS
Power Door Systems Components
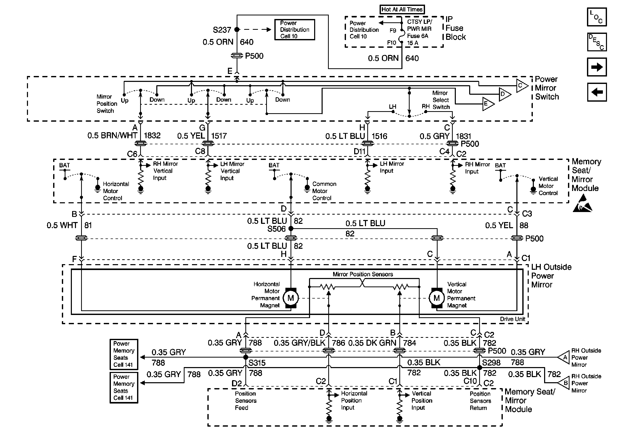
Cell 147: Oldsmobile with Memory Mirrors
Cell 147: Left Outside Rear View Mirror, IP Fuse Block and Mirror Switch(Buick)
Power Distribution Schematics
Power Distribution Schematics
Ground Distribution Schematics
Ground Distribution Schematics
Ground Distribution Schematics
Outside Mirrors Circuit Description Without Memory
Figure 4:

Cell 147: Oldsmobile with Memory Mirrors


Object Number: 470028  Size: FS
Power Door Systems Components
Cell 147: Oldsmobile with Memory Mirrors, Right Side
Cell 147: IP Fuse Block (Pontiac)
Power Distribution Schematics
Power Distribution Schematics
Handling ESD Sensitive Parts Notice
Outside Mirrors Circuit Description With Memory
Memory Seats Schematics
Memory Seats Schematics
Cell 147: Oldsmobile with Memory Mirrors, Right Side
Cell 147: Oldsmobile with Memory Mirrors, Right Side
Cell 147: Oldsmobile with Memory Mirrors, Right Side
Cell 147: Oldsmobile with Memory Mirrors, Right Side
Cell 147: Oldsmobile with Memory Mirrors, Right Side
Figure 5:

Cell 147: Oldsmobile with Memory Mirrors, Right Side


Object Number: 470030  Size: FS
Power Door Systems Components
Cell 147: Oldsmobile with Memory Mirrors
Ground Distribution Schematics
Ground Distribution Schematics
Handling ESD Sensitive Parts Notice
Handling ESD Sensitive Parts Notice
Outside Mirrors Circuit Description With Memory
Ground Distribution Schematics
Cell 147: Oldsmobile with Memory Mirrors
Cell 147: Oldsmobile with Memory Mirrors
Cell 147: Oldsmobile with Memory Mirrors
Cell 147: Oldsmobile with Memory Mirrors
Cell 147: Oldsmobile with Memory Mirrors