GM Service Manual Online
For 1990-2009 cars only
Makes
🢒
Oldsmobile
🢒
1998
🢒
Eighty Eight
🢒 Cell 20: HVAC Control
Cell 20: HVAC Control
Cell 20: HVAC Control
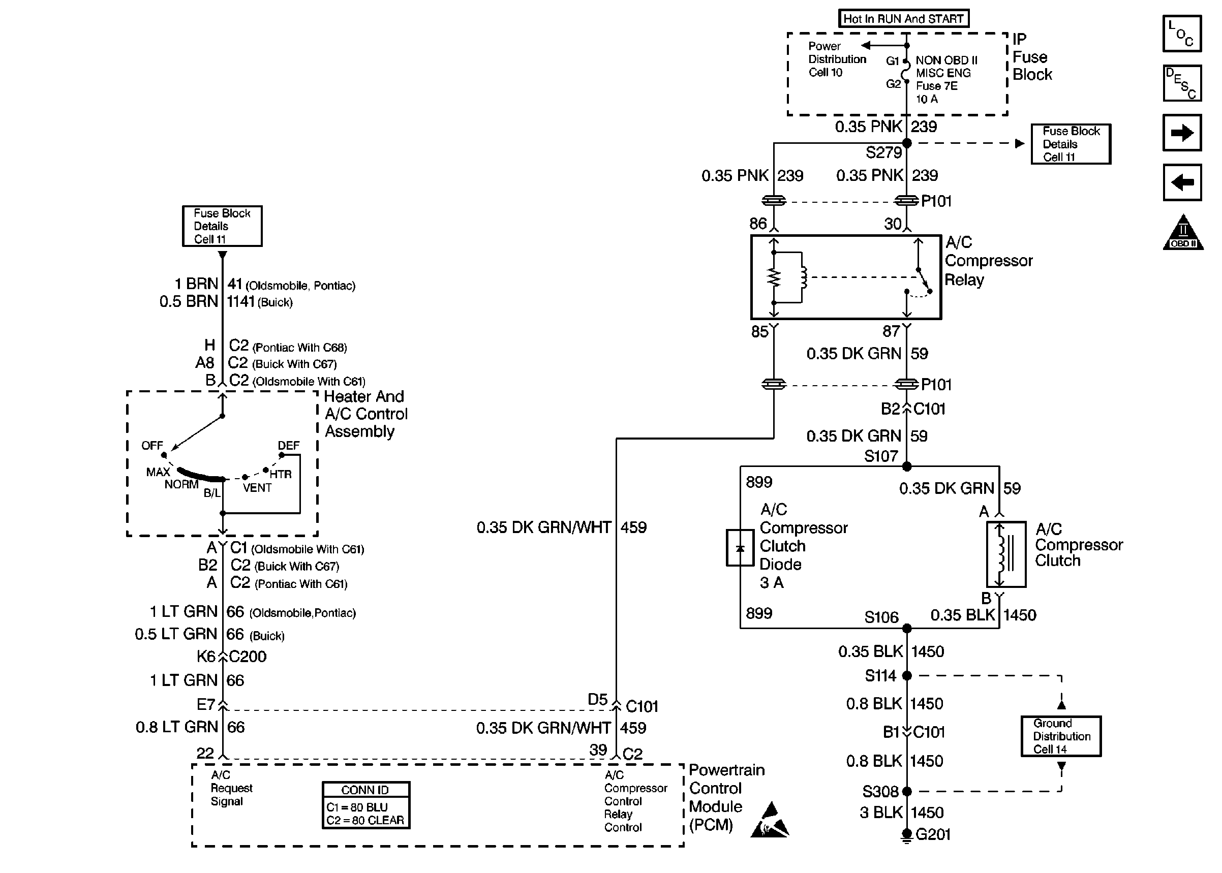
Engine Controls Components
Powertrain Control Module Description
Cell 20: HVAC Programmer
Cell 20: Generator, CCR, EBTCM
OBD II Symbol Description Notice
Handling ESD Sensitive Parts Notice
Engine Controls Schematic References
Engine Controls Schematic References
Engine Controls Schematic References
Engine Controls Schematic References
Powertrain Control Module Connector End Views