GM Service Manual Online
For 1990-2009 cars only

Cell 134

Cell 134


Object Number: 342428  Size: FS
Body Rear End Components
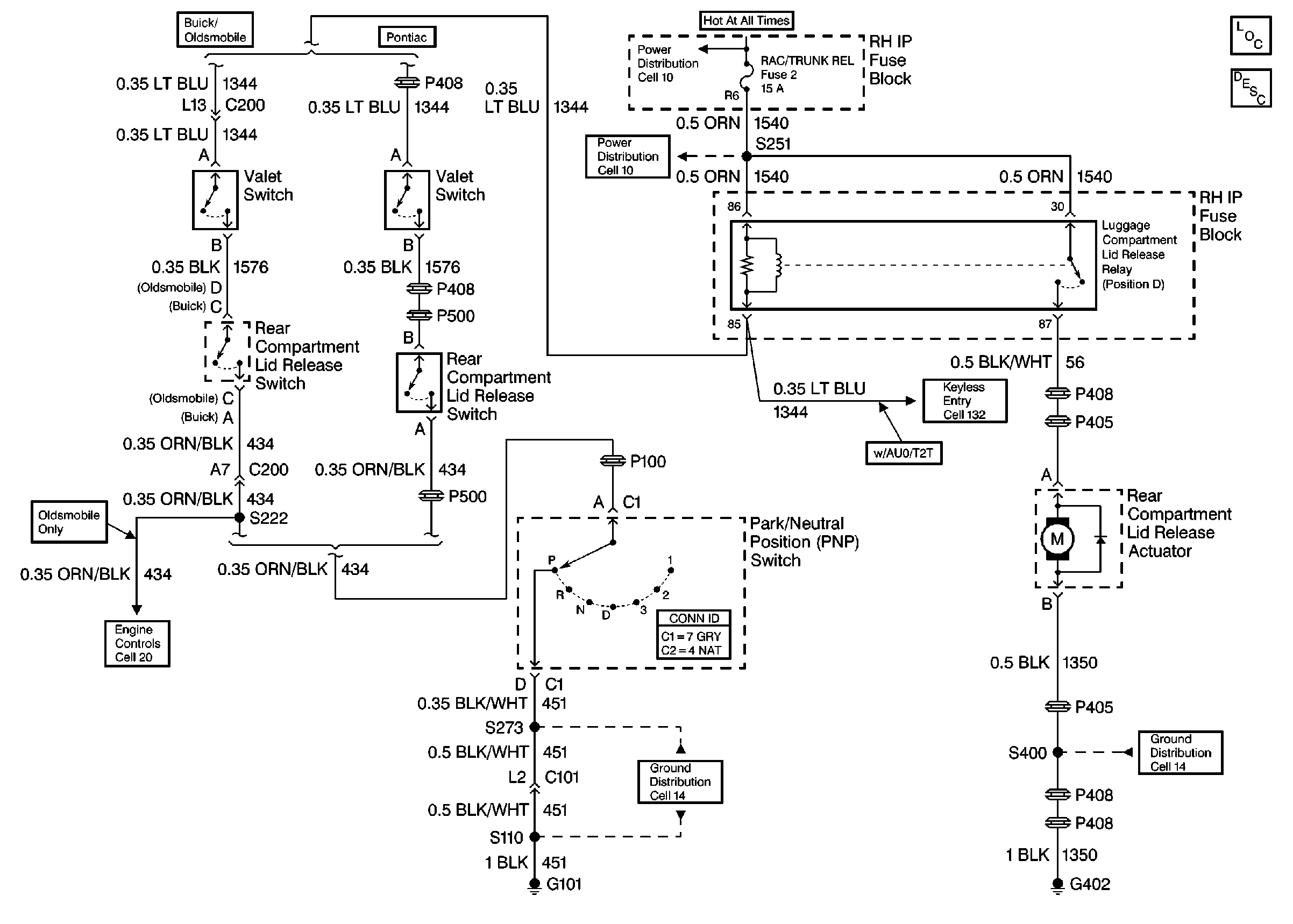
Rear Compartment Lid Release Circuit Description
Power Distribution Schematics
Engine Controls Schematics
Ground Distribution Schematics
Keyless Entry Schematics
Ground Distribution Schematics
Power Distribution Schematics