GM Service Manual Online
For 1990-2009 cars only
Makes
🢒
Oldsmobile
🢒
1999
🢒
Eighty Eight
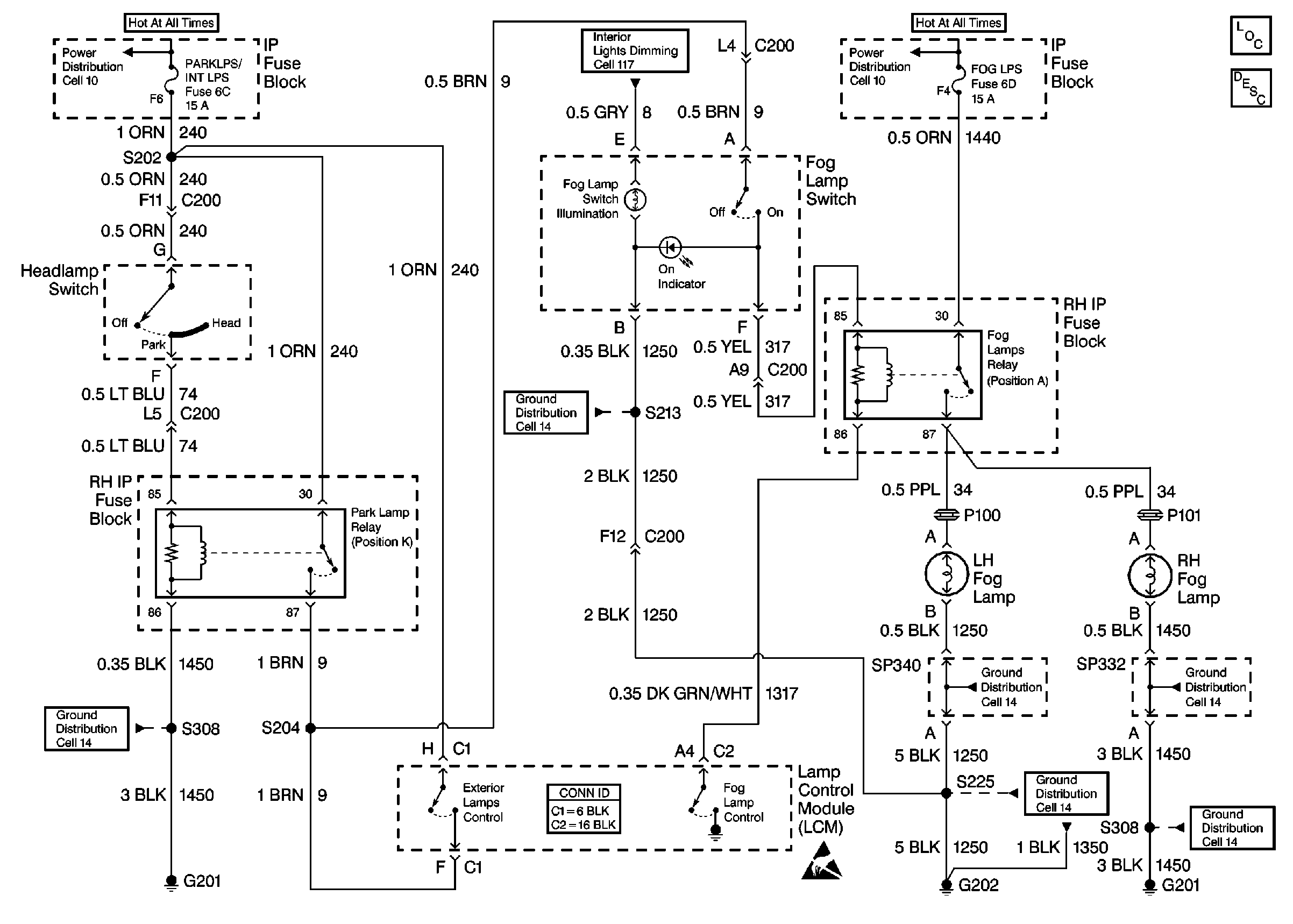
🢒 Cell 103: Fog Lamp Switch, LCM
Cell 103: Fog Lamp Switch, LCM
Cell 103: Fog Lamp Switch, LCM
Lighting Systems Components
Fog Lights Circuit Description
Lighting Systems Connector End Views
Interior Lights Dimming Schematics Buick
Ground Distribution Schematics
Ground Distribution Schematics
Ground Distribution Schematics
Ground Distribution Schematics
Ground Distribution Schematics
Ground Distribution Schematics
Power Distribution Schematics
Power Distribution Schematics
Handling ESD Sensitive Parts Notice