GM Service Manual Online
For 1990-2009 cars only
Makes
🢒
Oldsmobile
🢒
1999
🢒
Eighty Eight
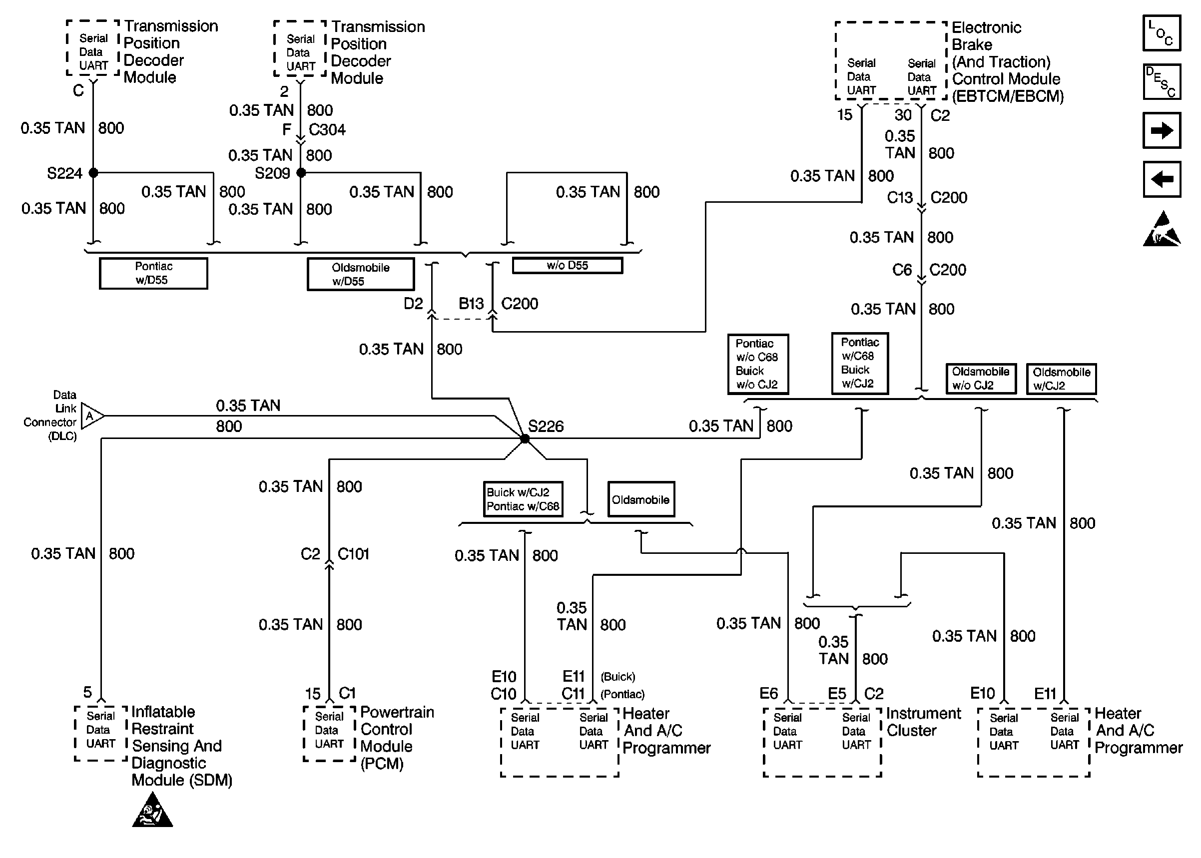
🢒 Cell 50: UART Serial Data Line
Cell 50: UART Serial Data Line
Cell 50: UART Serial Data Line
Data Link Communications Components
Data Link Communications Description
Cell 50: Class 2 and E&C Serial Data Lines
Cell 50: Data Link Connector (DLC)
Handling ESD Sensitive Parts Notice
Cell 50: Data Link Connector (DLC)
SIR Handling Caution