GM Service Manual Online
For 1990-2009 cars only
Makes
🢒
Oldsmobile
🢒
1999
🢒
Eighty Eight
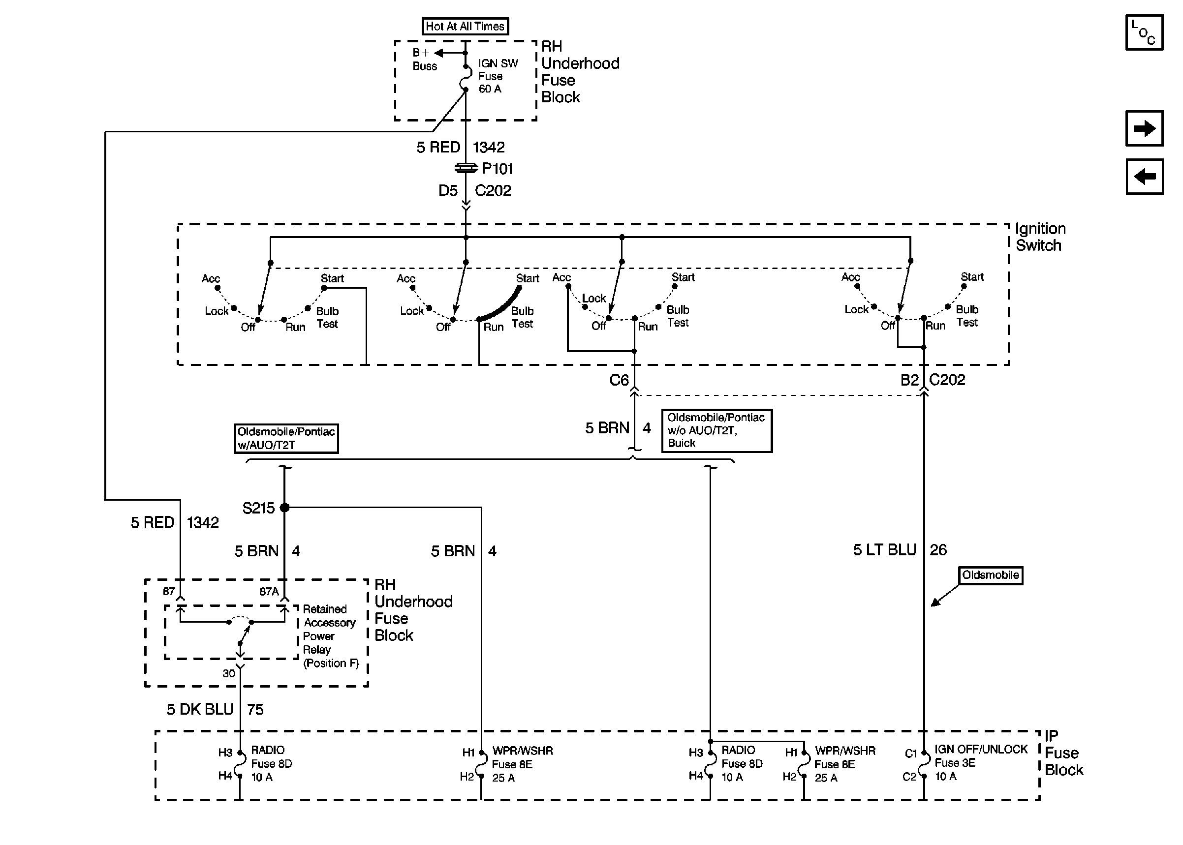
🢒 Cell 10: IGN SW Fuse (2 of 2)
Cell 10: IGN SW Fuse (2 of 2)
Cell 10: IGN SW Fuse (2 of 2)
Power and Grounding Components
Cell 10: MISC LGT, COOL FNS, C/LTR/RDO/CLSTR/MISC, IGN SW, RR DEFOG/PWRSEAT, ABS SOL, and ABS MOT Fuses
Cell 10: IGN SW Fuse (1 of 2)
Cell 10: Battery and Underhood Fuse Blocks