GM Service Manual Online
For 1990-2009 cars only
Makes
🢒
Oldsmobile
🢒
1999
🢒
Eighty Eight
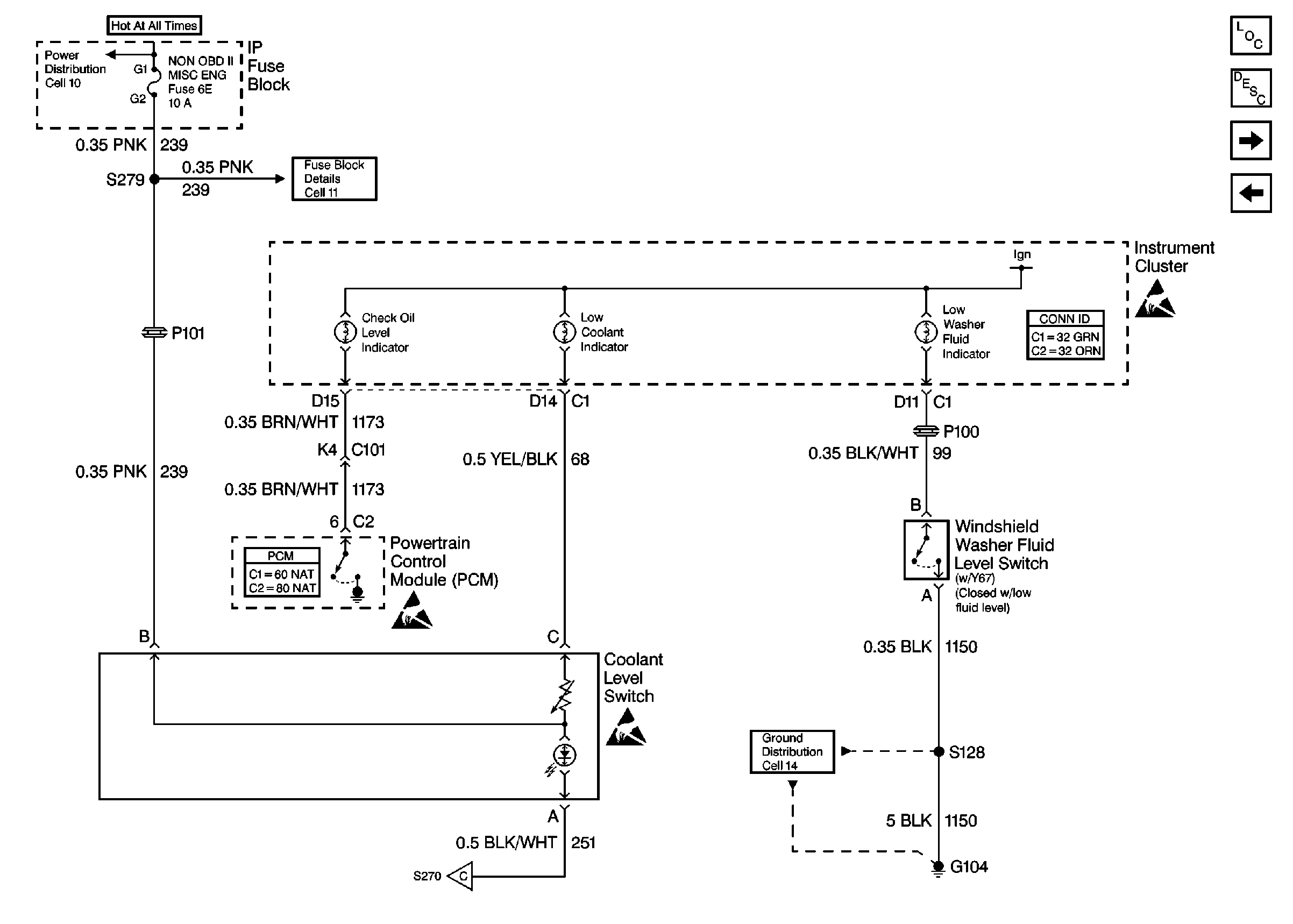
🢒 Cell 81: Powertrain Control Module (PCM)
Cell 81: Powertrain Control Module (PCM)
Cell 81: Powertrain Control Module (PCM)
Instrument Cluster and HUD Components
Instrument Cluster Circuit Description
Cell 81: Body Control Module (MALL)
Handling ESD Sensitive Parts Notice
Handling ESD Sensitive Parts Notice
Handling ESD Sensitive Parts Notice
Power Distribution Schematics
Power Distribution Schematics
Ground Distribution Schematics
Ground Distribution Schematics
Powertrain Control Module Connector End Views
Instrument Cluster and HUD Connector End Views