GM Service Manual Online
For 1990-2009 cars only
Makes
🢒
Oldsmobile
🢒
1999
🢒
Eighty Eight
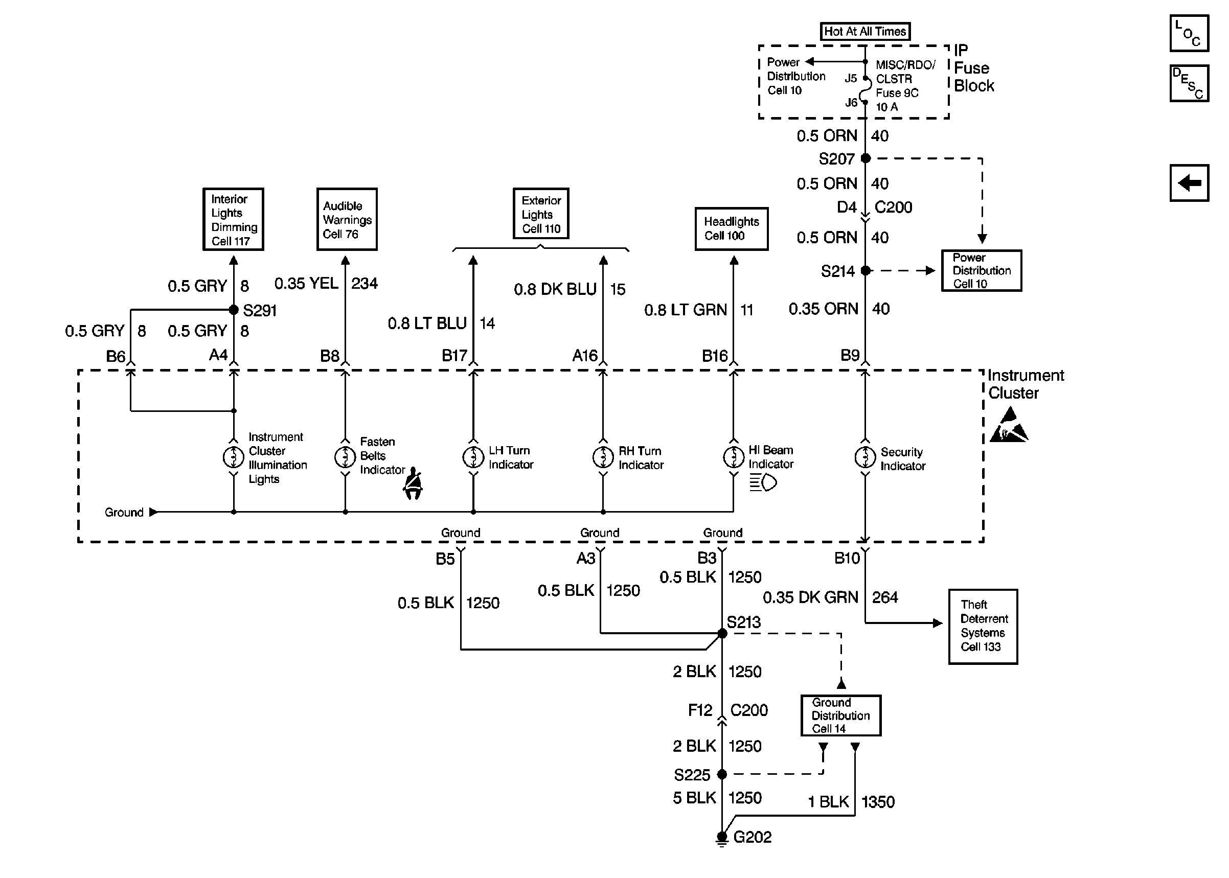
🢒 Cell 81: IP Fuse Block
Cell 81: IP Fuse Block
Cell 81: IP Fuse Block
Instrument Cluster and HUD Components
Instrument Cluster Circuit Description
Cell 81: Brake Indicator
Handling ESD Sensitive Parts Notice
Power Distribution Schematics
Power Distribution Schematics
Theft Deterrent System Schematics
Ground Distribution Schematics
Interior Lights Dimming Schematics Buick
Instrument Cluster: Analog Schematics Buick with U23
Exterior Lights Schematics Pontiac w/ UB3
Headlights Schematics Pontiac