GM Service Manual Online
For 1990-2009 cars only

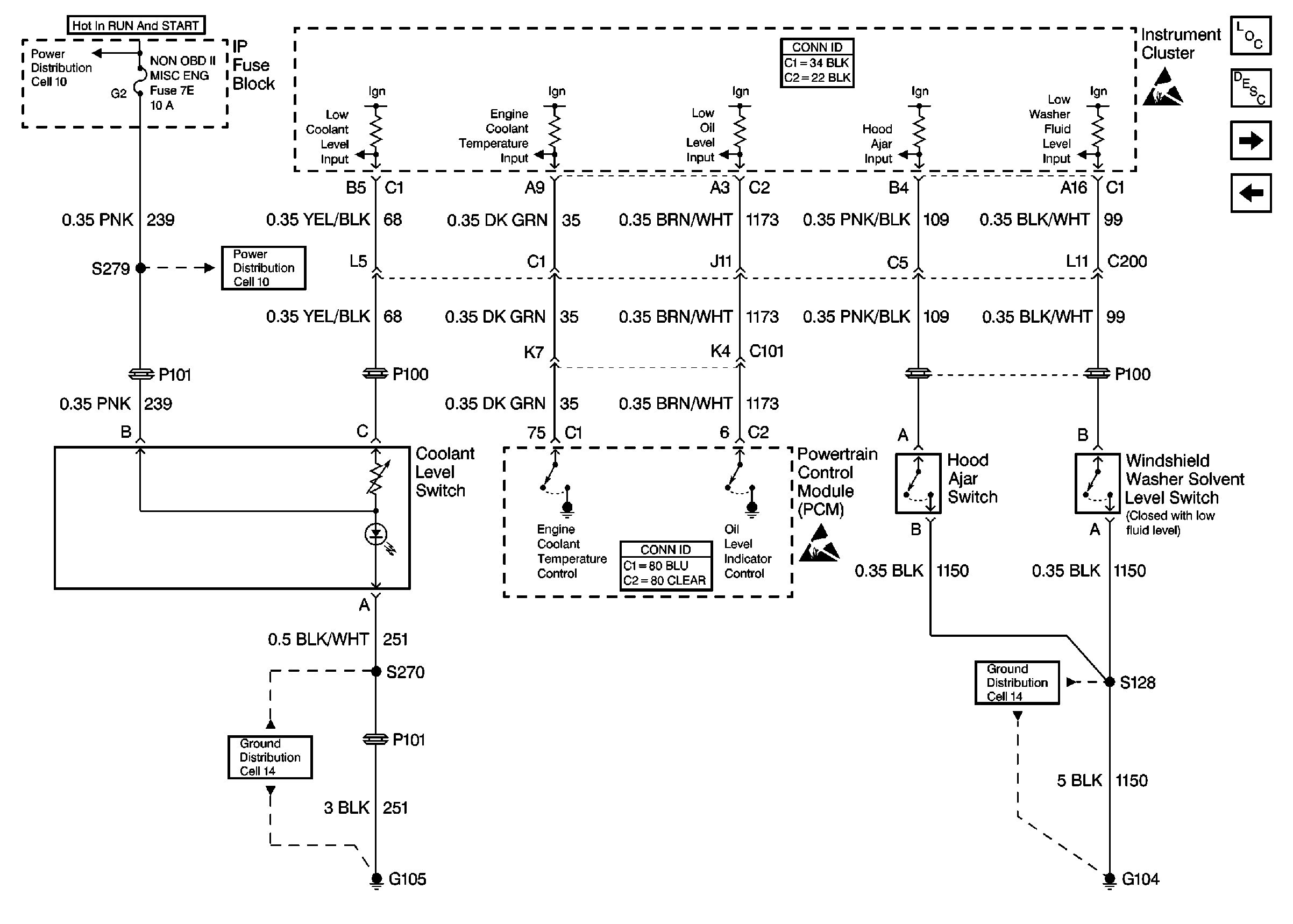
Cell 81: From Hood Ajar Switch

Cell 81: From Hood Ajar Switch


Object Number: 342908  Size: FS
Instrument Cluster and HUD Components
Instrument Cluster Circuit Description
Cell 81: LH Front Door Jamb Switch
Cell 81: Pontiac with U50/U2F
Power Distribution Schematics
Ground Distribution Schematics
Ground Distribution Schematics
Instrument Cluster and HUD Connector End Views
Handling ESD Sensitive Parts Notice
Handling ESD Sensitive Parts Notice
Power Distribution Schematics
Powertrain Control Module Connector End Views