GM Service Manual Online
For 1990-2009 cars only
Makes
🢒
Oldsmobile
🢒
1999
🢒
Eighty Eight
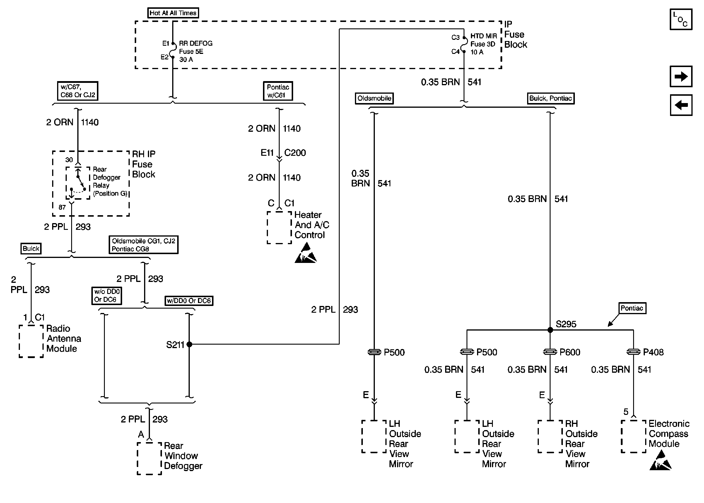
🢒 Cell 10: RR DEFOG and HTD MIR Fuses
Cell 10: RR DEFOG and HTD MIR Fuses
Cell 10: RR DEFOG and HTD MIR Fuses
Power and Grounding Components
Cell 10: PWR STS and PWR SUNRF Circuit Breakers
Cell 10: AUTO A/C / CRUISE Fuse
Cell 10: MISC LGT, COOL FNS, C/LTR/RDO/CLSTR/MISC, IGN SW, RR DEFOG/PWRSEAT, ABS SOL, and ABS MOT Fuses
Handling ESD Sensitive Parts Notice
Handling ESD Sensitive Parts Notice