GM Service Manual Online
For 1990-2009 cars only
Makes
🢒
Oldsmobile
🢒
1999
🢒
Eighty Eight
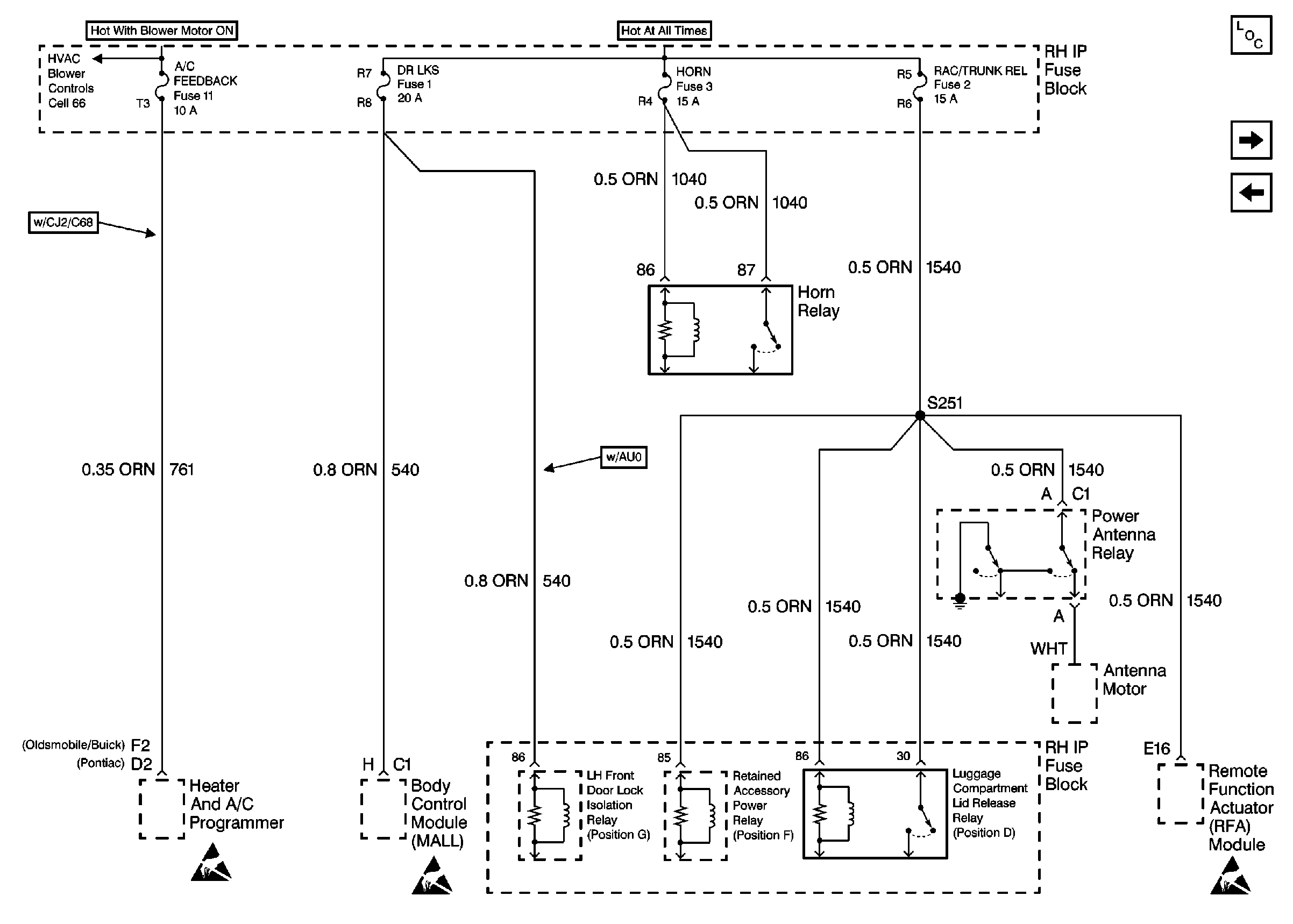
🢒 Cell 10: A/C FEEDBACK, DR LKS, HORN, and RAC/TRUNK REL Fuses
Cell 10: A/C FEEDBACK, DR LKS, HORN, and RAC/TRUNK REL Fuses
Cell 10: A/C FEEDBACK, DR LKS, HORN, and RAC/TRUNK REL Fuses
Power and Grounding Components
Cell 10: FUEL PUMP, MISC ENG OBD II, and INJECTOR Fuses
Cell 10: MISC/RDO/CLSTR Fuse
Handling ESD Sensitive Parts Notice
Handling ESD Sensitive Parts Notice
HVAC Blower Control Schematics