GM Service Manual Online
For 1990-2009 cars only
Makes
🢒
Oldsmobile
🢒
1999
🢒
Eighty Eight
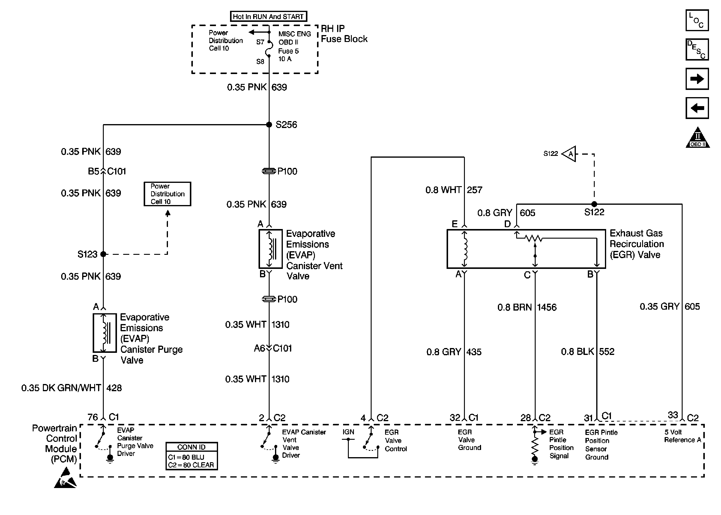
🢒 Cell 20: EGR Valve, EVAP System
Cell 20: EGR Valve, EVAP System
Cell 20: EGR Valve, EVAP System
Engine Controls Components
Powertrain Control Module Description
Cell 20: Oil Life, Oil Level Switches
Cell 20: VSS, Cruise Control Module
OBD II Symbol Description Notice
Handling ESD Sensitive Parts Notice
Power Distribution Schematics
Power Distribution Schematics
Cell 20: Sensors
Powertrain Control Module Connector End Views