GM Service Manual Online
For 1990-2009 cars only
Makes
🢒
Oldsmobile
🢒
1999
🢒
Eighty Eight
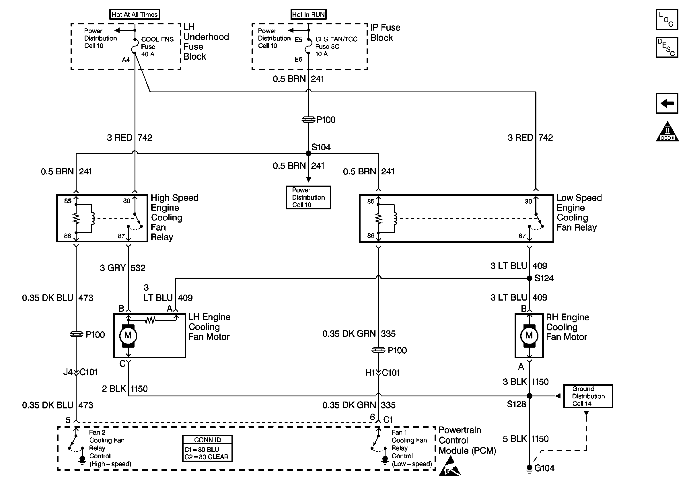
🢒 Cell 20: Cooling Fans
Cell 20: Cooling Fans
Cell 20: Cooling Fans
Engine Controls Components
Powertrain Control Module Description
Cell 20: A/C Clutch Control (CJ2, C68)
OBD II Symbol Description Notice
Handling ESD Sensitive Parts Notice
Cell 10: ABS/CCR and CLG FAN/TCC Fuses
Cell 10: MISC LGT, COOL FNS, C/LTR/RDO/CLSTR/MISC, IGN SW, RR DEFOG/PWRSEAT, ABS SOL, and ABS MOT Fuses
Cell 10: ABS/CCR and CLG FAN/TCC Fuses
Cell 14: G104
Powertrain Control Module Connector End Views