GM Service Manual Online
For 1990-2009 cars only
Makes
🢒
Oldsmobile
🢒
1999
🢒
Eighty Eight
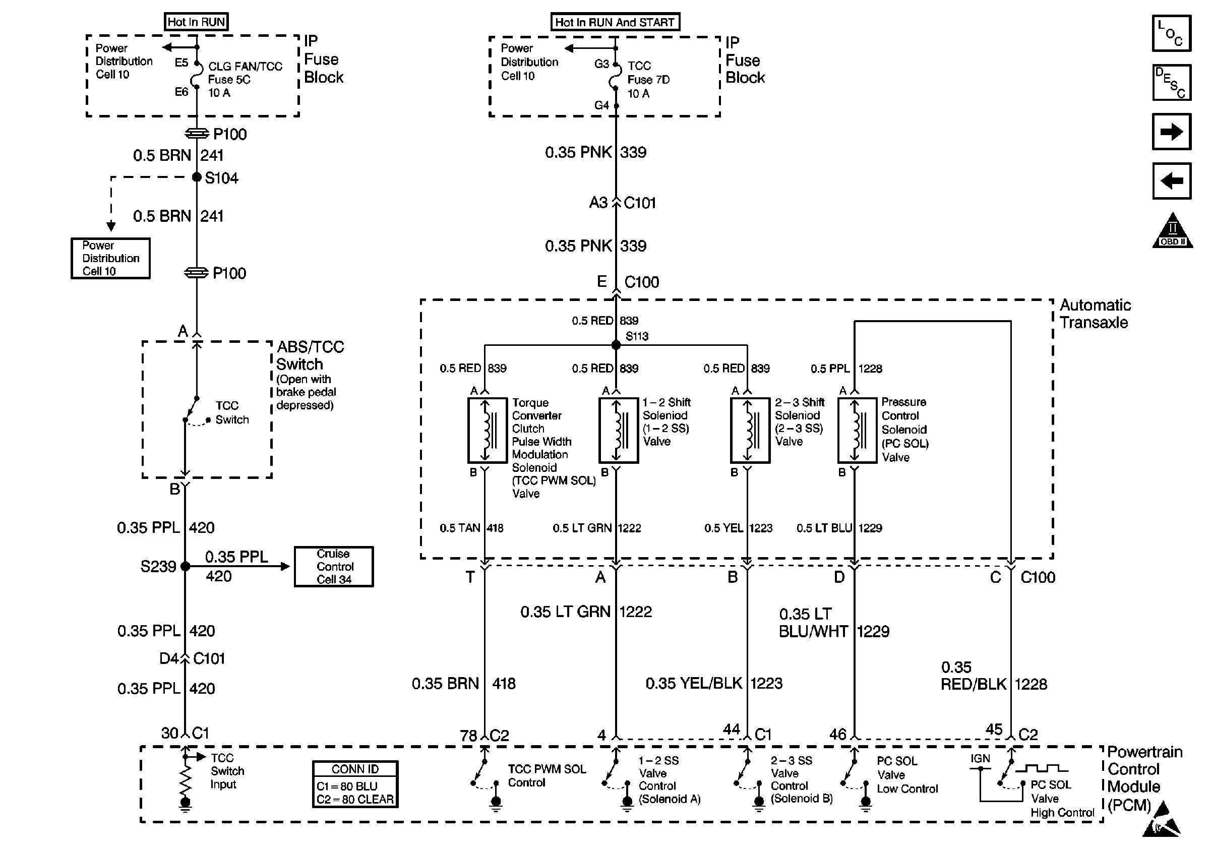
🢒 Cell 20: Transaxle - Solenoids
Cell 20: Transaxle - Solenoids
Cell 20: Transaxle -- Solenoids
Engine Controls Components
Powertrain Control Module Description
Cell 20: Transaxle - Sensors and TR Switch
Cell 20: Park/Neutral Position (PNP) Switch - Buick/Pontiac
OBD II Symbol Description Notice
Handling ESD Sensitive Parts Notice
Cell 10: ABS/CCR and CLG FAN/TCC Fuses
Cell 10: ABS/CCR and CLG FAN/TCC Fuses
Cell 34: Multifunction Lever
Cell 10: NON OBD II MISC ENG, TCC, and IGN OFF/UNLOCK Fuses
Powertrain Control Module Connector End Views